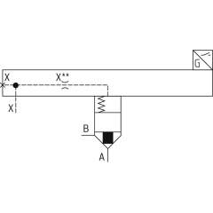
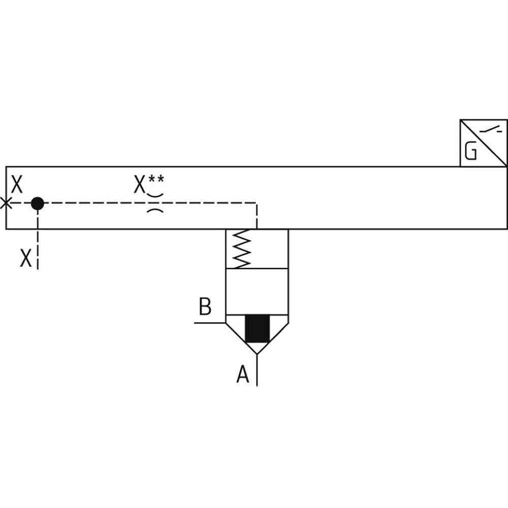
Bosch Rexroth Logikelemente, Wegefunktion mit Positionsüberwachung
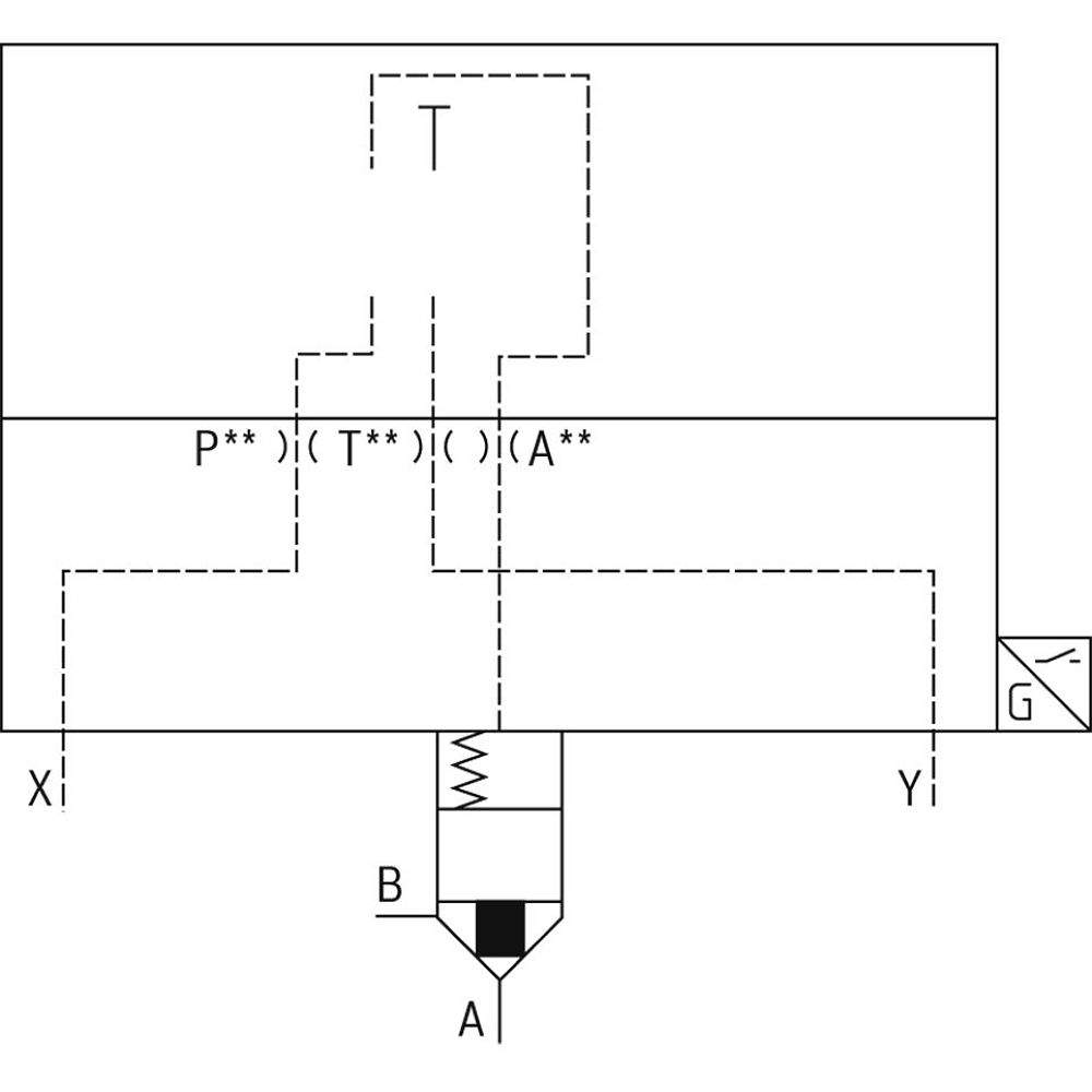
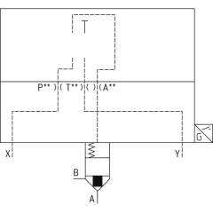
Bosch Rexroth Einbauventile ISO 7368
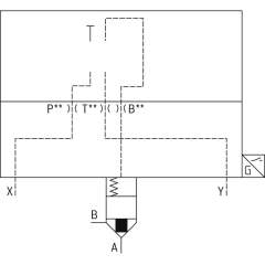
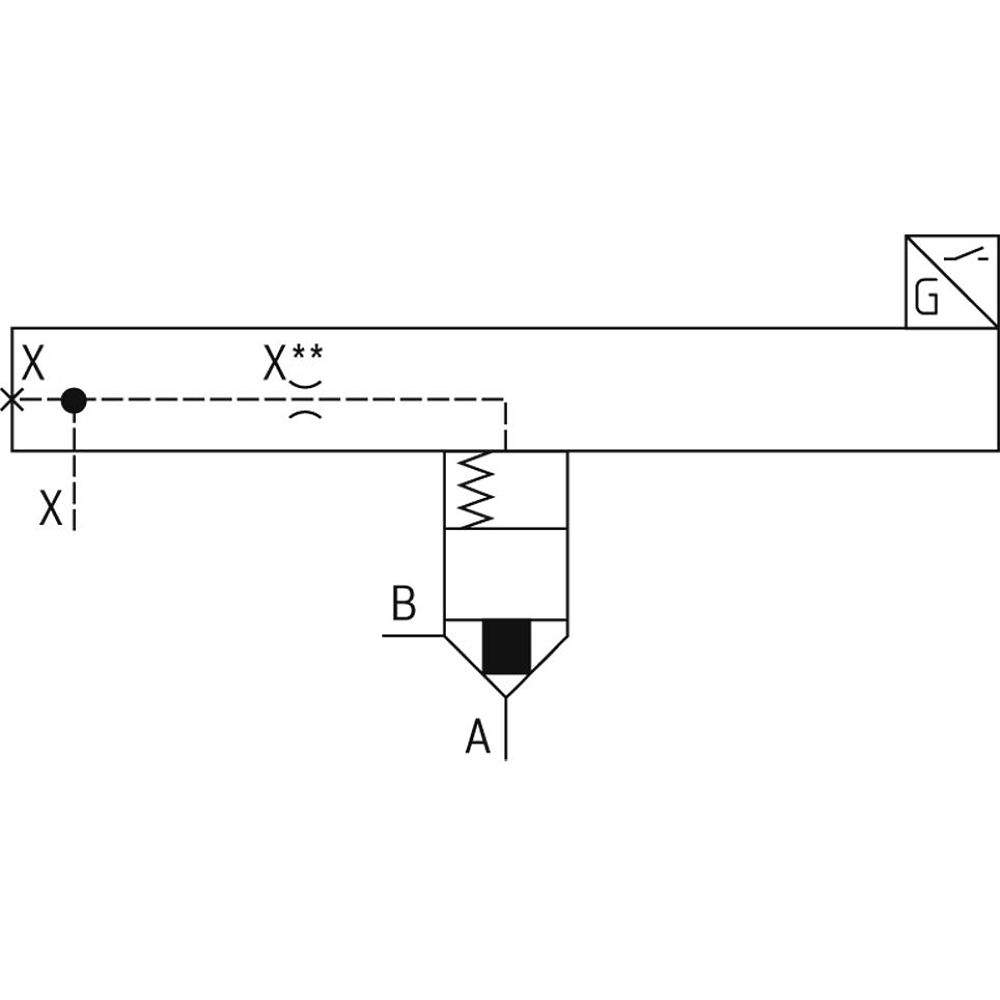
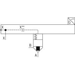
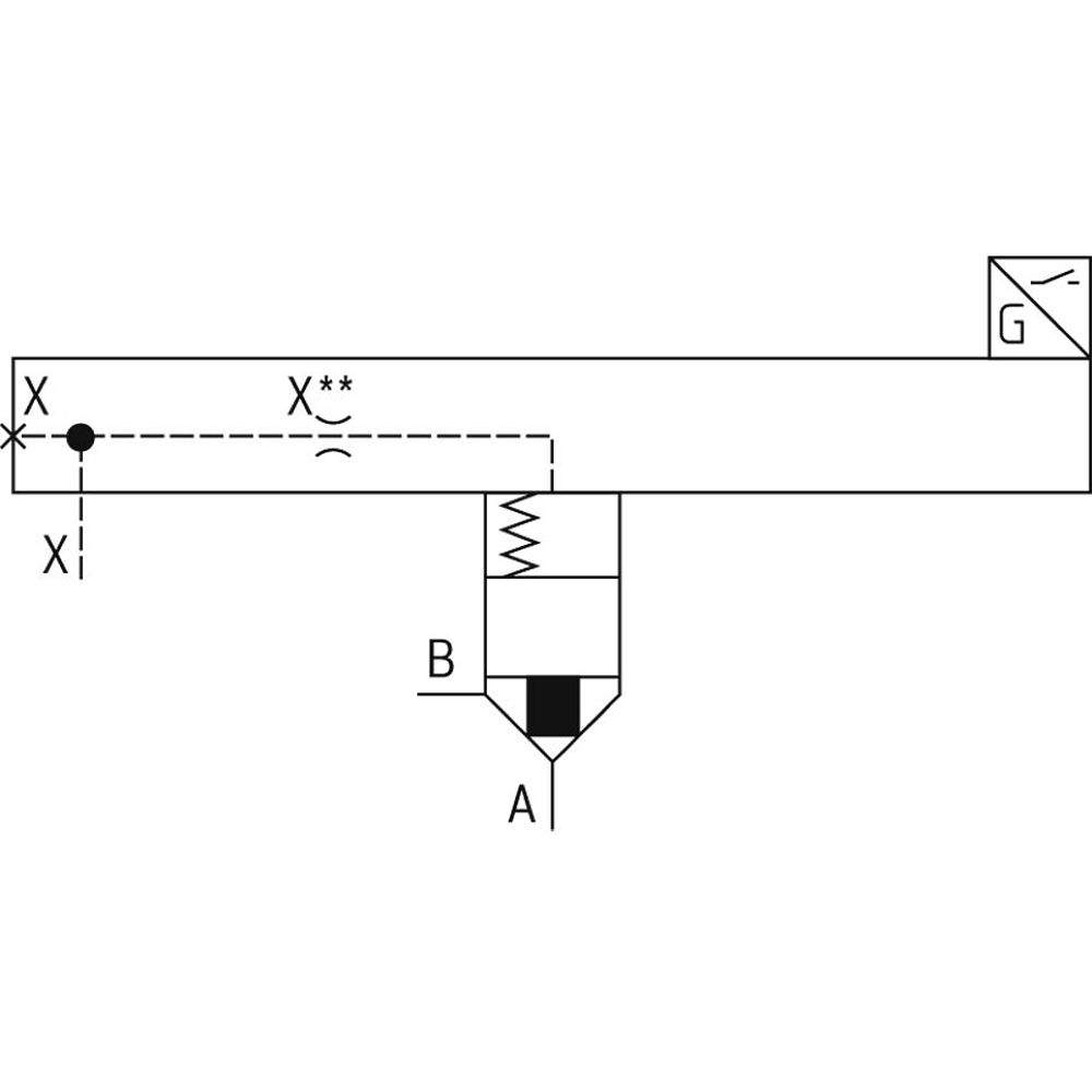
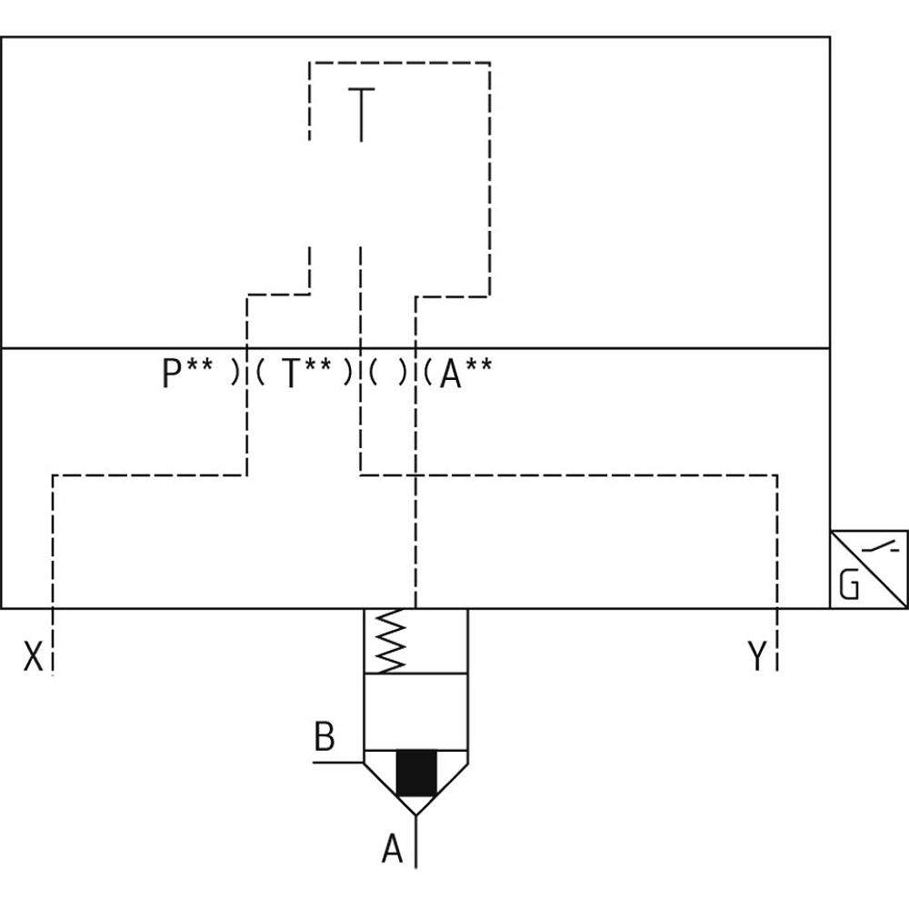
Effiziente Einbauventile mit Wegefunktion und Positionsüberwachung
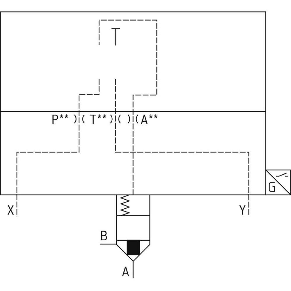
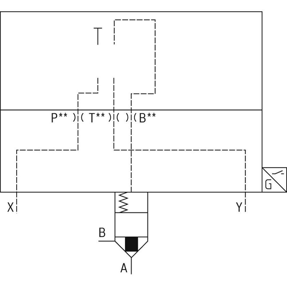
Entdecken Sie die fortschrittlichen Einbauventile mit Wegefunktion und integrierter Positionsüberwachung, die speziell für hydraulische Systeme entwickelt wurden. Diese Ventile zeichnen sich durch ihre hohe Präzision und Zuverlässigkeit aus, was sie zu einer idealen Lösung für komplexe industrielle Anwendungen macht. Dank der robusten Bauweise und der hochwertigen Materialien bieten sie eine lange Lebensdauer und reduzieren Wartungsanforderungen erheblich.
Die Ventile sind mit einer intelligenten Positionsüberwachung ausgestattet, die eine genaue Steuerung und Überwachung des Hydraulikflusses ermöglicht. Dies gewährleistet nicht nur eine verbesserte Prozesssicherheit, sondern auch eine optimierte Leistung des gesamten Systems. Die kompakte Bauform dieser Einbauventile erleichtert die Integration in bestehende Anlagen und Systeme, ohne dass umfangreiche Anpassungen erforderlich sind.
Ein weiteres Highlight dieser Ventile ist ihre Vielseitigkeit im Einsatz. Sie eignen sich hervorragend für Anwendungen in der Fertigungsautomatisierung, der Maschinenbauindustrie und in hydraulischen Steuerungssystemen. Die präzise Wegefunktion stellt sicher, dass der Hydraulikfluss exakt den Anforderungen entspricht und somit eine effiziente und zuverlässige Steuerung gewährleistet ist.
Diese Einbauventile sind konform mit der Norm ISO 7368 und bieten somit eine hohe Kompatibilität mit verschiedenen industriellen Standards. Dies erleichtert die Integration in unterschiedliche Systeme und gewährleistet eine nahtlose Funktionalität über verschiedene Anwendungen hinweg. Vertrauen Sie auf die technologische Expertise und die durchdachten Funktionen dieser Ventile, um Ihre hydraulischen Systeme auf ein neues Leistungsniveau zu heben.













