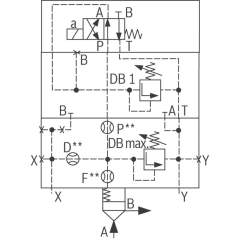
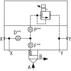
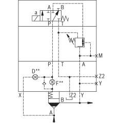
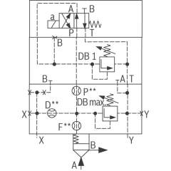
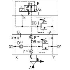
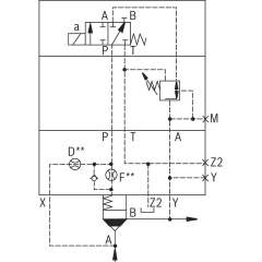
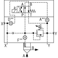
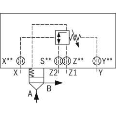
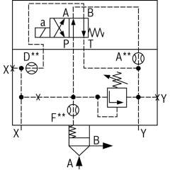
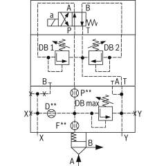
Bosch Rexroth logic elements, pressure function
Bosch Rexroth Cartridge Valves ISO 7368
Advanced Hydraulic Solutions: Logic Elements with Pressure Functions
Explore our comprehensive range of logic elements specifically designed for hydraulic systems, featuring pressure functions that cater to diverse industrial applications. These components are engineered to meet the rigorous demands of modern hydraulic equipment, providing precise control and reliable operation under varying conditions. Each logic element is crafted to integrate seamlessly into hydraulic circuits, optimizing performance and enhancing system efficiency.
Our logic elements are available in several configurations, ensuring compatibility with a wide array of hydraulic setups. They are constructed from high-quality materials, offering durability and long-lasting service life. The advanced design of these elements allows for easy installation and maintenance, minimizing downtime and maximizing productivity. With a focus on delivering exceptional performance, these components are ideal for use in construction, manufacturing, and automation industries.
Technical highlights include a robust pressure management capability, allowing for fine-tuned control over hydraulic flows. This feature is crucial for maintaining system stability and preventing pressure-related malfunctions. Additionally, the logic elements support dynamic response adjustments, ensuring optimal performance even in fluctuating operational environments. The precision engineering of each unit guarantees minimal leakage, enhancing energy efficiency and reducing operational costs.
Whether you are upgrading existing hydraulic systems or developing new solutions, our logic elements with pressure functions provide the reliability and precision required to meet your technical specifications. Trust in our expertly crafted components to deliver superior performance and elevate the capabilities of your hydraulic applications.
- Bosch Rexroth R901362492. LOGIC COVER LFA63DBU2A2-7X/400A050V€2,971.04Excl. 19% VAT , excl. Shipping Cost
- Bosch Rexroth R901547823. LOGIC COVER LFA40DBW2-7X/350FE€1,887.46Excl. 19% VAT , excl. Shipping Cost
-
- Bosch Rexroth R900716855. LOGIC COVER LFA50DBU2B2-7X/315A050P00€2,651.92Excl. 19% VAT , excl. Shipping Cost
- Bosch Rexroth R900922735. LOGIC COVER LFA16DBW2-7X/315P12€645.88Excl. 19% VAT , excl. Shipping Cost
-
- Bosch Rexroth R901118911. LOGIC COVER LFA32DRW2-7X/315V€1,211.88Excl. 19% VAT , excl. Shipping Cost
- Bosch Rexroth R900734845. LOGIC COVER LFA80DBU2B2-6X/315A200€5,066.11Excl. 19% VAT , excl. Shipping Cost
- Bosch Rexroth R901450605. LOGIC COVER LFA32DBEM-7X/315P00X08F00D18€829.61Excl. 19% VAT , excl. Shipping Cost
- Bosch Rexroth R900972071. LOGIC COVER LFA63DBU2A2-7X/025A025€2,971.04Excl. 19% VAT , excl. Shipping Cost
- Bosch Rexroth R901219476. LOGIC COVER LFA50DBU2B2-7X/400P330A100P080P25F20€2,783.40Excl. 19% VAT , excl. Shipping Cost
- Bosch Rexroth R901374879. LOGIC COVER LFA16DBU2A2-7X/420A050€1,079.24Excl. 19% VAT , excl. Shipping Cost
- Bosch Rexroth R900977574. LOGIC COVER LFA50DBS2-7X/315D99€1,652.44Excl. 19% VAT , excl. Shipping Cost
- Bosch Rexroth R900925483. LOGIC COVER LFA25DBU3D2-7X/420A200B200€1,474.34Excl. 19% VAT , excl. Shipping Cost
- Bosch Rexroth R901084582. LOGIC COVER LFA25DBEM-7X/420-350€728.24Excl. 19% VAT , excl. Shipping Cost
- Bosch Rexroth R900939588. LOGIC COVER LFA32DRW2-7X/315€1,211.88Excl. 19% VAT , excl. Shipping Cost
- Bosch Rexroth R901132015. LOGIC COVER LFA32DBW2-7X/420-325€800.85Excl. 19% VAT , excl. Shipping Cost
- Bosch Rexroth R901137168. LOGIC COVER LFA32DZ2-7X/210/S00€1,410.13Excl. 19% VAT , excl. Shipping Cost
- Bosch Rexroth R901314675. LOGIC COVER LFA25DBW2-7X/420X10D12€757.00Excl. 19% VAT , excl. Shipping Cost
-
- Bosch Rexroth R900947831. LOGIC COVER LFA25DBU2A2-7X/200A050€1,153.24Excl. 19% VAT , excl. Shipping Cost
- Bosch Rexroth R900932596. LOGIC COVER LFA25DBU2A1-7X/200A200€1,153.24Excl. 19% VAT , excl. Shipping Cost
- Bosch Rexroth R901097682. LOGIC COVER LFA63DBU3D2-7X/315A100B050€3,338.04Excl. 19% VAT , excl. Shipping Cost
- Bosch Rexroth R901093758. LOGIC COVER LFA50DBEM-7X/050F12€2,415.13Excl. 19% VAT , excl. Shipping Cost
















