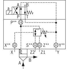
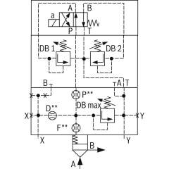
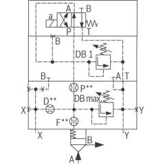
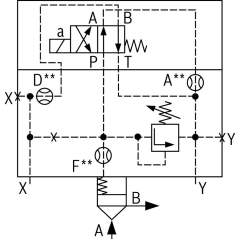
Bosch Rexroth logic elements, pressure function
Bosch Rexroth Cartridge Valves ISO 7368
Advanced Hydraulic Solutions: Logic Elements with Pressure Functions
Explore our comprehensive range of logic elements specifically designed for hydraulic systems, featuring pressure functions that cater to diverse industrial applications. These components are engineered to meet the rigorous demands of modern hydraulic equipment, providing precise control and reliable operation under varying conditions. Each logic element is crafted to integrate seamlessly into hydraulic circuits, optimizing performance and enhancing system efficiency.
Our logic elements are available in several configurations, ensuring compatibility with a wide array of hydraulic setups. They are constructed from high-quality materials, offering durability and long-lasting service life. The advanced design of these elements allows for easy installation and maintenance, minimizing downtime and maximizing productivity. With a focus on delivering exceptional performance, these components are ideal for use in construction, manufacturing, and automation industries.
Technical highlights include a robust pressure management capability, allowing for fine-tuned control over hydraulic flows. This feature is crucial for maintaining system stability and preventing pressure-related malfunctions. Additionally, the logic elements support dynamic response adjustments, ensuring optimal performance even in fluctuating operational environments. The precision engineering of each unit guarantees minimal leakage, enhancing energy efficiency and reducing operational costs.
Whether you are upgrading existing hydraulic systems or developing new solutions, our logic elements with pressure functions provide the reliability and precision required to meet your technical specifications. Trust in our expertly crafted components to deliver superior performance and elevate the capabilities of your hydraulic applications.
-
- Bosch Rexroth R901128709. LOGIC COVER LFA16DBEM-7X/315P200€654.95Excl. 19% VAT , excl. Shipping Cost
- Bosch Rexroth R900967215. LOGIC COVER LFA32DBU2A2-7X/420A200€1,230.01Excl. 19% VAT , excl. Shipping Cost
- Bosch Rexroth R901208684. LOGIC COVER LFA25DBU2B2-7X/420A100€1,153.24Excl. 19% VAT , excl. Shipping Cost
-
-
- Bosch Rexroth R901205179. LOGIC COVER LFA32DBU2B2-7X/315A050€1,230.01Excl. 19% VAT , excl. Shipping Cost
- Bosch Rexroth R900737996. LOGIC COVER LFA25DBW2-7X/315P12X10D00V€757.00Excl. 19% VAT , excl. Shipping Cost
- Bosch Rexroth R900912546. LOGIC CARTRIDGE VALVE LC16DB20D7X/€222.01Excl. 19% VAT , excl. Shipping Cost
- Bosch Rexroth R900782046. LOGIC COVER LFA40DRW2-7X/315€2,234.48Excl. 19% VAT , excl. Shipping Cost
- Bosch Rexroth R901284953. LOGIC COVER LFA25DZWB2-7X/350X€1,355.89Excl. 19% VAT , excl. Shipping Cost
- Bosch Rexroth R901516004. LOGIC COVER LFA63DBEM-7X/315V€3,156.13Excl. 19% VAT , excl. Shipping Cost
- Bosch Rexroth R901066594. LOGIC COVER LFA50DBU3D2-7X/400A100B400€3,015.71Excl. 19% VAT , excl. Shipping Cost
-
- Bosch Rexroth R901097822. LOGIC COVER LFA80DBU2A1-6X/315A315€5,066.11Excl. 19% VAT , excl. Shipping Cost
- Bosch Rexroth R901476155. LOGIC COVER LFA63DBW2-7X/330NE€4,273.99Excl. 19% VAT , excl. Shipping Cost
- Bosch Rexroth R901364290. LOGIC COVER LFA40DBW2-7X/315P250€997.43Excl. 19% VAT , excl. Shipping Cost
- Bosch Rexroth R901088166. LOGIC COVER LFA40DBEM-7X/315D08€987.05Excl. 19% VAT , excl. Shipping Cost
- Bosch Rexroth R900766514. LOGIC COVER LFA40DBU2A2-7X/050A025€1,654.66Excl. 19% VAT , excl. Shipping Cost
- Bosch Rexroth R901017273. LOGIC COVER LFA16DBU2B2-7X/315A200€1,079.24Excl. 19% VAT , excl. Shipping Cost
- Bosch Rexroth R900955869. LOGIC COVER LFA40DBU2A2-7X/200A200€1,654.66Excl. 19% VAT , excl. Shipping Cost
-
- Bosch Rexroth R900962917. LOGIC COVER LFA32DZ2-7X/210XY€1,410.13Excl. 19% VAT , excl. Shipping Cost
- Bosch Rexroth R900707657. LOGIC COVER LFA63DBU2B2-7X/100A100€2,971.04Excl. 19% VAT , excl. Shipping Cost
















