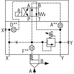
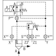
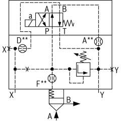
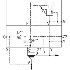
Bosch Rexroth logic elements, pressure function
Bosch Rexroth Cartridge Valves ISO 7368
Advanced Hydraulic Solutions: Logic Elements with Pressure Functions
Explore our comprehensive range of logic elements specifically designed for hydraulic systems, featuring pressure functions that cater to diverse industrial applications. These components are engineered to meet the rigorous demands of modern hydraulic equipment, providing precise control and reliable operation under varying conditions. Each logic element is crafted to integrate seamlessly into hydraulic circuits, optimizing performance and enhancing system efficiency.
Our logic elements are available in several configurations, ensuring compatibility with a wide array of hydraulic setups. They are constructed from high-quality materials, offering durability and long-lasting service life. The advanced design of these elements allows for easy installation and maintenance, minimizing downtime and maximizing productivity. With a focus on delivering exceptional performance, these components are ideal for use in construction, manufacturing, and automation industries.
Technical highlights include a robust pressure management capability, allowing for fine-tuned control over hydraulic flows. This feature is crucial for maintaining system stability and preventing pressure-related malfunctions. Additionally, the logic elements support dynamic response adjustments, ensuring optimal performance even in fluctuating operational environments. The precision engineering of each unit guarantees minimal leakage, enhancing energy efficiency and reducing operational costs.
Whether you are upgrading existing hydraulic systems or developing new solutions, our logic elements with pressure functions provide the reliability and precision required to meet your technical specifications. Trust in our expertly crafted components to deliver superior performance and elevate the capabilities of your hydraulic applications.
- Bosch Rexroth R900970216. LOGIC COVER LFA40DBU2A2-7X/315A050€1,654.66Excl. 19% VAT , excl. Shipping Cost
- Bosch Rexroth R901319306. LOGIC COVER LFA25DBW2-7X/315P00D00€699.48Excl. 19% VAT , excl. Shipping Cost
- Bosch Rexroth R901535656. LOGIC COVER LFA32DBS2-7X/450-420P€915.26Excl. 19% VAT , excl. Shipping Cost
- Bosch Rexroth R900975781. LOGIC COVER LFA16DBE-7X/P00X00D05€490.89Excl. 19% VAT , excl. Shipping Cost
-
- Bosch Rexroth R901178246. LOGIC COVER LFA50DRW3-7X/150€2,964.65Excl. 19% VAT , excl. Shipping Cost
-
- Bosch Rexroth R901169205. LOGIC COVER LFA40DB2-7X/340NE€1,773.50Excl. 19% VAT , excl. Shipping Cost
- Bosch Rexroth R901184922. LOGIC COVER LFA50DBU2A1-7X/400A400€2,651.92Excl. 19% VAT , excl. Shipping Cost
- Bosch Rexroth R901412726. LOGIC COVER LFA50DB2-7X/350NE€2,420.11Excl. 19% VAT , excl. Shipping Cost
-
- Bosch Rexroth R901300133. LOGIC COVER LFA80DBEM-6X/315P210€5,560.91Excl. 19% VAT , excl. Shipping Cost
- Bosch Rexroth R900758113. LOGIC COVER LFA32DZWB1-7X/315€1,551.36Excl. 19% VAT , excl. Shipping Cost
- Bosch Rexroth R900741036. LOGIC COVER LFA40DBW3-7X/315€1,099.38Excl. 19% VAT , excl. Shipping Cost
- Bosch Rexroth R901169642. LOGIC COVER LFA80DBEM-6X/025€5,517.66Excl. 19% VAT , excl. Shipping Cost
- Bosch Rexroth R901039608. LOGIC COVER LFA63DBW2-7X/200€2,280.15Excl. 19% VAT , excl. Shipping Cost
-
- Bosch Rexroth R901485975. LOGIC COVER LFA32DBW2-7X/330NE€1,439.28Excl. 19% VAT , excl. Shipping Cost
- Bosch Rexroth R900775133. LOGIC COVER LFA50DBU2A2-7X/100A050€2,651.92Excl. 19% VAT , excl. Shipping Cost
- Bosch Rexroth R901482029. LOGIC COVER LFA25DBW2-7X/420P340€737.33Excl. 19% VAT , excl. Shipping Cost
- Bosch Rexroth R901495287. LOGIC COVER LFA50DBU2B2-7X/400A050P25F20€2,717.66Excl. 19% VAT , excl. Shipping Cost
-
- Bosch Rexroth R901477085. LOGIC COVER LFA63DBU2A2-7X/315A025€2,971.04Excl. 19% VAT , excl. Shipping Cost
- Bosch Rexroth R901036077. LOGIC COVER LFA40DBU2A2-7X/200A025€1,654.66Excl. 19% VAT , excl. Shipping Cost















