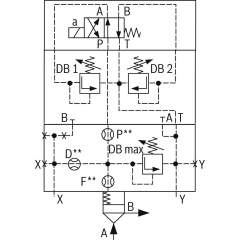
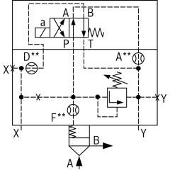
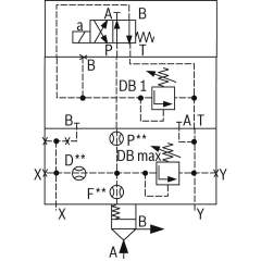
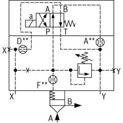
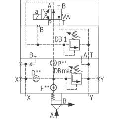
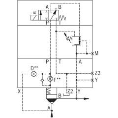
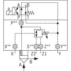
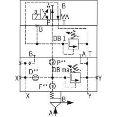
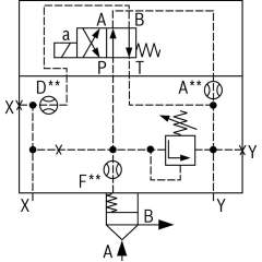
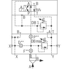
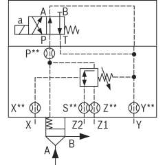
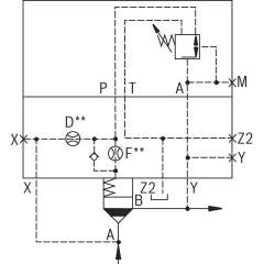
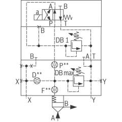
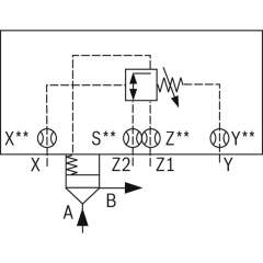
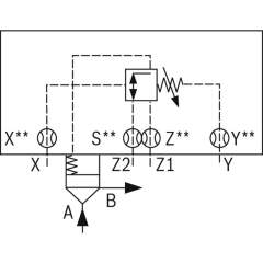
Bosch Rexroth logic elements, pressure function
Bosch Rexroth Cartridge Valves ISO 7368
Advanced Hydraulic Solutions: Logic Elements with Pressure Functions
Explore our comprehensive range of logic elements specifically designed for hydraulic systems, featuring pressure functions that cater to diverse industrial applications. These components are engineered to meet the rigorous demands of modern hydraulic equipment, providing precise control and reliable operation under varying conditions. Each logic element is crafted to integrate seamlessly into hydraulic circuits, optimizing performance and enhancing system efficiency.
Our logic elements are available in several configurations, ensuring compatibility with a wide array of hydraulic setups. They are constructed from high-quality materials, offering durability and long-lasting service life. The advanced design of these elements allows for easy installation and maintenance, minimizing downtime and maximizing productivity. With a focus on delivering exceptional performance, these components are ideal for use in construction, manufacturing, and automation industries.
Technical highlights include a robust pressure management capability, allowing for fine-tuned control over hydraulic flows. This feature is crucial for maintaining system stability and preventing pressure-related malfunctions. Additionally, the logic elements support dynamic response adjustments, ensuring optimal performance even in fluctuating operational environments. The precision engineering of each unit guarantees minimal leakage, enhancing energy efficiency and reducing operational costs.
Whether you are upgrading existing hydraulic systems or developing new solutions, our logic elements with pressure functions provide the reliability and precision required to meet your technical specifications. Trust in our expertly crafted components to deliver superior performance and elevate the capabilities of your hydraulic applications.
- Bosch Rexroth R901533793. LOGIC COVER LFA32DBW1-7X/420NE€1,439.28Excl. 19% VAT , excl. Shipping Cost
- Bosch Rexroth R901538909. CONTROL COVER LFA40DBU3D2-7X/315A200B050€2,008.91Excl. 19% VAT , excl. Shipping Cost
- Bosch Rexroth R900912555. LOGIC CARTRIDGE VALVE LC25DB40D7X/€291.80Excl. 19% VAT , excl. Shipping Cost
-
- Bosch Rexroth R900779529. LOGIC COVER LFA25DBU2B2-7X/200A100€1,153.24Excl. 19% VAT , excl. Shipping Cost
- Bosch Rexroth R900938231. LOGIC COVER LFA63DBEM-7X/315€3,156.13Excl. 19% VAT , excl. Shipping Cost
- Bosch Rexroth R901198677. LOGIC COVER LFA63DBW2-7X/315P290€2,323.40Excl. 19% VAT , excl. Shipping Cost
- Bosch Rexroth R901223281. LOGIC COVER LFA25DBU2A2-7X/315A100P25X15F20D00€1,239.51Excl. 19% VAT , excl. Shipping Cost
- Bosch Rexroth R901101539. LOGIC COVER LFA25DBEM-7X/315X99€728.24Excl. 19% VAT , excl. Shipping Cost
-
- Bosch Rexroth R900478081. LOGIC COVER LFA100DBW2-6X/315€5,056.52Excl. 19% VAT , excl. Shipping Cost
- Bosch Rexroth R900732647. LOGIC COVER LFA16DZWB1-7X/210X€1,244.18Excl. 19% VAT , excl. Shipping Cost
- Bosch Rexroth R901164645. LOGIC COVER LFA25DZWB2-7X/315V€1,355.89Excl. 19% VAT , excl. Shipping Cost
- Bosch Rexroth R900619829. LOGIC COVER LFA25DBU2B2-7X/315A050€1,153.24Excl. 19% VAT , excl. Shipping Cost
- Bosch Rexroth R901238140. LOGIC COVER LFA50DBW2-7X/400P315A15F25D00€1,728.56Excl. 19% VAT , excl. Shipping Cost
- Bosch Rexroth R901511263. LOGIC COVER LFA25DBU2A1-7X/315-210A200-120€1,210.75Excl. 19% VAT , excl. Shipping Cost
- Bosch Rexroth R901020956. LOGIC COVER LFA32DZWB1-7X/350X€1,551.36Excl. 19% VAT , excl. Shipping Cost
-
- Bosch Rexroth R901193318. LOGIC COVER LFA25DBU2A2-7X/420-285A100-050€1,210.75Excl. 19% VAT , excl. Shipping Cost
- Bosch Rexroth R901225859. LOGIC COVER LFA50DZ2-7X/210XY€2,597.66Excl. 19% VAT , excl. Shipping Cost
- Bosch Rexroth R901505785. LOGIC COVER LFA32DBW2-7X/360NE€1,439.28Excl. 19% VAT , excl. Shipping Cost
- Bosch Rexroth R901247558. LOGIC COVER LFA25DZ2-7X/315Y€1,214.65Excl. 19% VAT , excl. Shipping Cost
- Bosch Rexroth R900954443. LOGIC COVER LFA50DBSP2-7X/100€2,171.66Excl. 19% VAT , excl. Shipping Cost
-


















