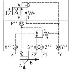
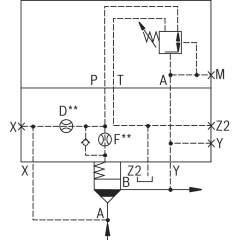
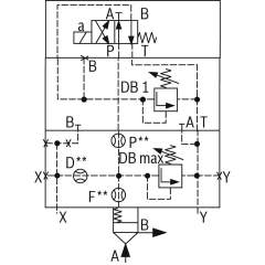
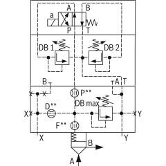
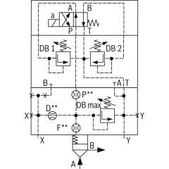
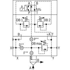
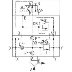
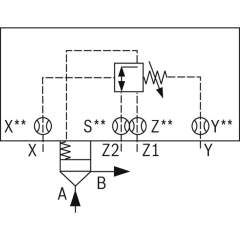
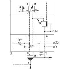
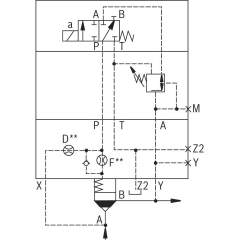
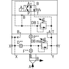
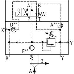
Bosch Rexroth logic elements, pressure function
Bosch Rexroth Cartridge Valves ISO 7368
Advanced Hydraulic Solutions: Logic Elements with Pressure Functions
Explore our comprehensive range of logic elements specifically designed for hydraulic systems, featuring pressure functions that cater to diverse industrial applications. These components are engineered to meet the rigorous demands of modern hydraulic equipment, providing precise control and reliable operation under varying conditions. Each logic element is crafted to integrate seamlessly into hydraulic circuits, optimizing performance and enhancing system efficiency.
Our logic elements are available in several configurations, ensuring compatibility with a wide array of hydraulic setups. They are constructed from high-quality materials, offering durability and long-lasting service life. The advanced design of these elements allows for easy installation and maintenance, minimizing downtime and maximizing productivity. With a focus on delivering exceptional performance, these components are ideal for use in construction, manufacturing, and automation industries.
Technical highlights include a robust pressure management capability, allowing for fine-tuned control over hydraulic flows. This feature is crucial for maintaining system stability and preventing pressure-related malfunctions. Additionally, the logic elements support dynamic response adjustments, ensuring optimal performance even in fluctuating operational environments. The precision engineering of each unit guarantees minimal leakage, enhancing energy efficiency and reducing operational costs.
Whether you are upgrading existing hydraulic systems or developing new solutions, our logic elements with pressure functions provide the reliability and precision required to meet your technical specifications. Trust in our expertly crafted components to deliver superior performance and elevate the capabilities of your hydraulic applications.
- Bosch Rexroth R900717924. LOGIC COVER LFA16DZWB2-7X/210€1,244.18Excl. 19% VAT , excl. Shipping Cost
- Bosch Rexroth R901081788. LOGIC COVER LFA25DBU3D2-7X/315A200B100€1,474.34Excl. 19% VAT , excl. Shipping Cost
-
- Bosch Rexroth R901140898. LOGIC COVER LFA40DR2-7X/210V€2,409.38Excl. 19% VAT , excl. Shipping Cost
- Bosch Rexroth R900781278. LOGIC COVER LFA50DBU2A2-7X/400A025€2,651.92Excl. 19% VAT , excl. Shipping Cost
- Bosch Rexroth R901525647. LOGIC COVER LFA32DBW2-7X/420P00€772.09Excl. 19% VAT , excl. Shipping Cost
- Bosch Rexroth R900958893. LOGIC COVER LFA63DBU2B2-7X/025A050€2,971.04Excl. 19% VAT , excl. Shipping Cost
- Bosch Rexroth R900933702. LOGIC COVER LFA32DBU3D2-7X/315A200B100€1,549.74Excl. 19% VAT , excl. Shipping Cost
- Bosch Rexroth R901468572. LOGIC COVER LFA63DB2-7X/160NE€3,772.92Excl. 19% VAT , excl. Shipping Cost
- Bosch Rexroth R900712920. LOGIC COVER LFA40DBU2B2-7X/200A050€1,654.66Excl. 19% VAT , excl. Shipping Cost
- Bosch Rexroth R900938170. LOGIC COVER LFA25DBEM-7X/200P00€699.48Excl. 19% VAT , excl. Shipping Cost
- Bosch Rexroth R900949653. LOGIC COVER LFA40DBW2-7X/315P200€997.43Excl. 19% VAT , excl. Shipping Cost
- Bosch Rexroth R901364688. LOGIC COVER LFA25DBU3D2-7X/315A100B025€1,474.34Excl. 19% VAT , excl. Shipping Cost
- Bosch Rexroth R901452355. LOGIC COVER LFA32DBU3D2-7X/315A315B200€1,549.74Excl. 19% VAT , excl. Shipping Cost
- Bosch Rexroth R901174603. LOGIC COVER LFA80DBU2A2-6X/315A025€5,066.11Excl. 19% VAT , excl. Shipping Cost
- Bosch Rexroth R901270135. LOGIC COVER LFA32DZ2-7X/210/S22€1,438.89Excl. 19% VAT , excl. Shipping Cost
-
- Bosch Rexroth R901205733. LOGIC COVER LFA63DRW2-7X/150€3,265.68Excl. 19% VAT , excl. Shipping Cost
- Bosch Rexroth R901072181. LOGIC COVER LFA40DBU2B2-7X/400A050€1,654.66Excl. 19% VAT , excl. Shipping Cost
-
- Bosch Rexroth R900938185. LOGIC COVER LFA50DBU2A2-7X/315A050€2,651.92Excl. 19% VAT , excl. Shipping Cost
- Bosch Rexroth R900938012. LOGIC CARTRIDGE VALVE LC40DB20E7X/€815.35Excl. 19% VAT , excl. Shipping Cost
- Bosch Rexroth R900923101. LOGIC COVER LFA25DBU2A2-7X/315A200€1,153.24Excl. 19% VAT , excl. Shipping Cost
- Bosch Rexroth R900248182. LOGIC COVER LFA40DBU2A3-7X/315A200€1,799.86Excl. 19% VAT , excl. Shipping Cost

















