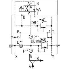
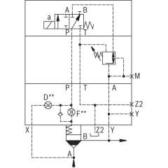
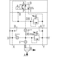
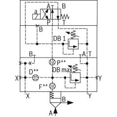
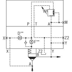
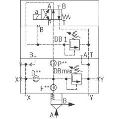
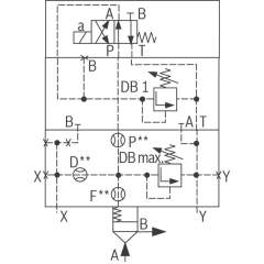
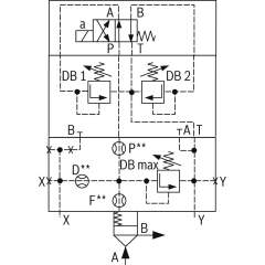
Bosch Rexroth logic elements, pressure function
Bosch Rexroth Cartridge Valves ISO 7368
Advanced Hydraulic Solutions: Logic Elements with Pressure Functions
Explore our comprehensive range of logic elements specifically designed for hydraulic systems, featuring pressure functions that cater to diverse industrial applications. These components are engineered to meet the rigorous demands of modern hydraulic equipment, providing precise control and reliable operation under varying conditions. Each logic element is crafted to integrate seamlessly into hydraulic circuits, optimizing performance and enhancing system efficiency.
Our logic elements are available in several configurations, ensuring compatibility with a wide array of hydraulic setups. They are constructed from high-quality materials, offering durability and long-lasting service life. The advanced design of these elements allows for easy installation and maintenance, minimizing downtime and maximizing productivity. With a focus on delivering exceptional performance, these components are ideal for use in construction, manufacturing, and automation industries.
Technical highlights include a robust pressure management capability, allowing for fine-tuned control over hydraulic flows. This feature is crucial for maintaining system stability and preventing pressure-related malfunctions. Additionally, the logic elements support dynamic response adjustments, ensuring optimal performance even in fluctuating operational environments. The precision engineering of each unit guarantees minimal leakage, enhancing energy efficiency and reducing operational costs.
Whether you are upgrading existing hydraulic systems or developing new solutions, our logic elements with pressure functions provide the reliability and precision required to meet your technical specifications. Trust in our expertly crafted components to deliver superior performance and elevate the capabilities of your hydraulic applications.
- Bosch Rexroth R900745006. LOGIC COVER LFA40DBP2-7X/050€1,392.31Excl. 19% VAT , excl. Shipping Cost
- Bosch Rexroth R901081885. LOGIC COVER LFA50DBU2B2-7X/400A315€2,651.92Excl. 19% VAT , excl. Shipping Cost
- Bosch Rexroth R900773798. LOGIC COVER LFA25DBU2A2-7X/315A050€1,153.24Excl. 19% VAT , excl. Shipping Cost
-
- Bosch Rexroth R901237821. LOGIC COVER LFA25DBU2A2-7X/315P315A100P040P25X15...€1,306.13Excl. 19% VAT , excl. Shipping Cost
- Bosch Rexroth R901490194. LOGIC COVER LFA80DBU2B2-6X/400A050P00€5,066.11Excl. 19% VAT , excl. Shipping Cost
-
-
- Bosch Rexroth R901245999. LOGIC COVER LFA25DBU2A2-7X/315A100X10F12€1,210.75Excl. 19% VAT , excl. Shipping Cost
- Bosch Rexroth R901225672. LOGIC COVER LFA16DBU2A2-7X/315A025€1,079.24Excl. 19% VAT , excl. Shipping Cost
- Bosch Rexroth R900936789. LOGIC COVER LFA16DBU3D2-7X/200A200B200€1,393.36Excl. 19% VAT , excl. Shipping Cost
- Bosch Rexroth R901088250. LOGIC COVER LFA63DBW2-7X/315V€2,280.15Excl. 19% VAT , excl. Shipping Cost
- Bosch Rexroth R901079563. LOGIC COVER LFA16DBU3D2-7X/200A050B050€1,393.36Excl. 19% VAT , excl. Shipping Cost
- Bosch Rexroth R900927849. LOGIC CARTRIDGE VALVE LC16DR80E7X/€284.81Excl. 19% VAT , excl. Shipping Cost









