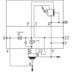
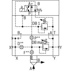
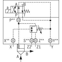
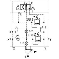
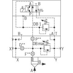
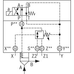
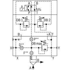
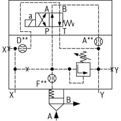
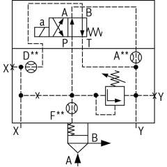
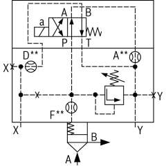
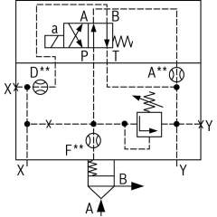
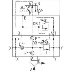
Bosch Rexroth logic elements, pressure function
Bosch Rexroth Cartridge Valves ISO 7368
Advanced Hydraulic Solutions: Logic Elements with Pressure Functions
Explore our comprehensive range of logic elements specifically designed for hydraulic systems, featuring pressure functions that cater to diverse industrial applications. These components are engineered to meet the rigorous demands of modern hydraulic equipment, providing precise control and reliable operation under varying conditions. Each logic element is crafted to integrate seamlessly into hydraulic circuits, optimizing performance and enhancing system efficiency.
Our logic elements are available in several configurations, ensuring compatibility with a wide array of hydraulic setups. They are constructed from high-quality materials, offering durability and long-lasting service life. The advanced design of these elements allows for easy installation and maintenance, minimizing downtime and maximizing productivity. With a focus on delivering exceptional performance, these components are ideal for use in construction, manufacturing, and automation industries.
Technical highlights include a robust pressure management capability, allowing for fine-tuned control over hydraulic flows. This feature is crucial for maintaining system stability and preventing pressure-related malfunctions. Additionally, the logic elements support dynamic response adjustments, ensuring optimal performance even in fluctuating operational environments. The precision engineering of each unit guarantees minimal leakage, enhancing energy efficiency and reducing operational costs.
Whether you are upgrading existing hydraulic systems or developing new solutions, our logic elements with pressure functions provide the reliability and precision required to meet your technical specifications. Trust in our expertly crafted components to deliver superior performance and elevate the capabilities of your hydraulic applications.
- Bosch Rexroth R901457360. LOGIC COVER LFA40DB1-7X/330NE€1,773.50Excl. 19% VAT , excl. Shipping Cost
- Bosch Rexroth R901175048. LOGIC COVER LFA50DR2-7X/075V€2,929.55Excl. 19% VAT , excl. Shipping Cost
- Bosch Rexroth R901031301. LOGIC COVER LFA80DBU2B2-6X/400A100€5,066.11Excl. 19% VAT , excl. Shipping Cost
- Bosch Rexroth R900951922. LOGIC COVER LFA16DBU3D2-7X/315A315B315€1,393.36Excl. 19% VAT , excl. Shipping Cost
- Bosch Rexroth R900938038. LOGIC CARTRIDGE VALVE LC50DB20D7X/€1,035.56Excl. 19% VAT , excl. Shipping Cost
- Bosch Rexroth R900731443. LOGIC COVER LFA25DZWB1-7X/210XY€1,355.89Excl. 19% VAT , excl. Shipping Cost
- Bosch Rexroth R901265081. LOGIC COVER LFA63DBU2B2-7X/025A025€2,971.04Excl. 19% VAT , excl. Shipping Cost
- Bosch Rexroth R901270513. LOGIC COVER LFA25DBU2A2-7X/315P315A100P040P10X08...€1,306.13Excl. 19% VAT , excl. Shipping Cost
- Bosch Rexroth R901180053. LOGIC COVER LFA80DBU2A2-6X/400A315€5,066.11Excl. 19% VAT , excl. Shipping Cost
- Bosch Rexroth R901318922. LOGIC COVER LFA50DZWA2-7X/315€2,929.55Excl. 19% VAT , excl. Shipping Cost
-
- Bosch Rexroth R900945278. LOGIC COVER LFA25DBU3D2-7X/315A315B050€1,474.34Excl. 19% VAT , excl. Shipping Cost
- Bosch Rexroth R901046270. LOGIC COVER LFA25DBW2-7X/420F15€728.24Excl. 19% VAT , excl. Shipping Cost
- Bosch Rexroth R901314278. LOGIC COVER LFA50DBW2-7X/400A15F20€1,685.31Excl. 19% VAT , excl. Shipping Cost
-
- Bosch Rexroth R901165097. LOGIC COVER LFA32DBW2-7X/420P325€809.94Excl. 19% VAT , excl. Shipping Cost
- Bosch Rexroth R901347388. LOGIC COVER LFA40DBW2-7X/400A10F20D25€1,052.79Excl. 19% VAT , excl. Shipping Cost
- Bosch Rexroth R901089482. LOGIC COVER LFA25DBW2-7X/420P380€737.33Excl. 19% VAT , excl. Shipping Cost
- Bosch Rexroth R901565800. LOGIC COVER LFA40DBU2A2-7X/400P385A315P290€1,730.78Excl. 19% VAT , excl. Shipping Cost
- Bosch Rexroth R900706717. LOGIC COVER LFA32DREWZ-7X/014D12€1,868.90Excl. 19% VAT , excl. Shipping Cost
- Bosch Rexroth R901489552. LOGIC COVER LFA40DBW2-7X/320NE€1,887.46Excl. 19% VAT , excl. Shipping Cost
- Bosch Rexroth R901081029. LOGIC COVER LFA32DBW3-7X/315F10D08€956.66Excl. 19% VAT , excl. Shipping Cost
- Bosch Rexroth R901412292. LOGIC COVER LFA50DBU2B2-7X/315A200€2,651.92Excl. 19% VAT , excl. Shipping Cost
- Bosch Rexroth R901007467. LOGIC COVER LFA32DBU2A2-7X/420A100P15X12€1,287.54Excl. 19% VAT , excl. Shipping Cost





















