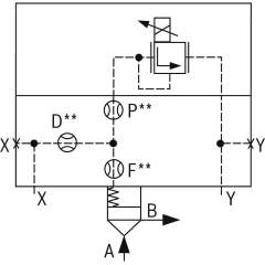
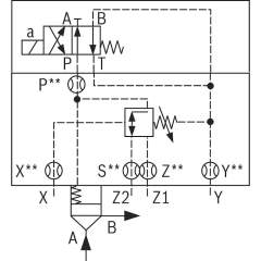
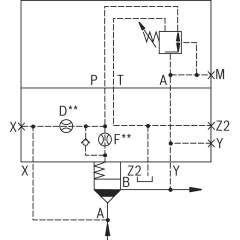
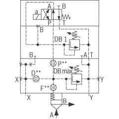
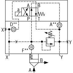
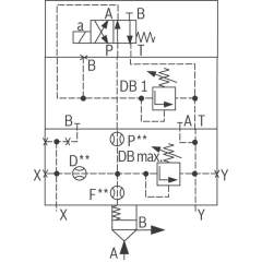
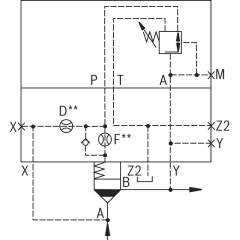
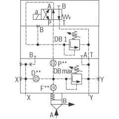
Bosch Rexroth logic elements, pressure function
Bosch Rexroth Cartridge Valves ISO 7368
Advanced Hydraulic Solutions: Logic Elements with Pressure Functions
Explore our comprehensive range of logic elements specifically designed for hydraulic systems, featuring pressure functions that cater to diverse industrial applications. These components are engineered to meet the rigorous demands of modern hydraulic equipment, providing precise control and reliable operation under varying conditions. Each logic element is crafted to integrate seamlessly into hydraulic circuits, optimizing performance and enhancing system efficiency.
Our logic elements are available in several configurations, ensuring compatibility with a wide array of hydraulic setups. They are constructed from high-quality materials, offering durability and long-lasting service life. The advanced design of these elements allows for easy installation and maintenance, minimizing downtime and maximizing productivity. With a focus on delivering exceptional performance, these components are ideal for use in construction, manufacturing, and automation industries.
Technical highlights include a robust pressure management capability, allowing for fine-tuned control over hydraulic flows. This feature is crucial for maintaining system stability and preventing pressure-related malfunctions. Additionally, the logic elements support dynamic response adjustments, ensuring optimal performance even in fluctuating operational environments. The precision engineering of each unit guarantees minimal leakage, enhancing energy efficiency and reducing operational costs.
Whether you are upgrading existing hydraulic systems or developing new solutions, our logic elements with pressure functions provide the reliability and precision required to meet your technical specifications. Trust in our expertly crafted components to deliver superior performance and elevate the capabilities of your hydraulic applications.
- Bosch Rexroth R901561817. LOGIC COVER LFA32DBU3D2-7X/050A025B025€1,549.74Excl. 19% VAT , excl. Shipping Cost
- Bosch Rexroth R900948114. LOGIC COVER LFA25DBU2A2-7X/100A050€1,153.24Excl. 19% VAT , excl. Shipping Cost
-
- Bosch Rexroth R900948161. LOGIC COVER LFA25DBU2A1-7X/315A315€1,153.24Excl. 19% VAT , excl. Shipping Cost
- Bosch Rexroth R900777443. LOGIC COVER LFA80DBU2B2-6X/315A050€5,066.11Excl. 19% VAT , excl. Shipping Cost
- Bosch Rexroth R901410704. LOGIC COVER LFA40DZWA2-7X/350XY€1,926.17Excl. 19% VAT , excl. Shipping Cost
- Bosch Rexroth R901315096. LOGIC COVER LFA32DR2-7X/075V€1,308.23Excl. 19% VAT , excl. Shipping Cost
- Bosch Rexroth R901032286. LOGIC COVER LFA40DBU2A2-7X/400A400€1,654.66Excl. 19% VAT , excl. Shipping Cost
- Bosch Rexroth R901035853. LOGIC COVER LFA80DBW1-6X/315€4,041.72Excl. 19% VAT , excl. Shipping Cost
- Bosch Rexroth R900973409. LOGIC COVER LFA32DBU2A2-7X/420A315€1,230.01Excl. 19% VAT , excl. Shipping Cost
-
- Bosch Rexroth R901165120. LOGIC COVER LFA25DBU2A2-7X/420P285A100P050€1,219.84Excl. 19% VAT , excl. Shipping Cost
- Bosch Rexroth R901229424. LOGIC COVER LFA40DBU3D2-7X/315A100B315€2,008.91Excl. 19% VAT , excl. Shipping Cost
- Bosch Rexroth R900746241. LOGIC COVER LFA50DBU2A2-7X/100A100€2,651.92Excl. 19% VAT , excl. Shipping Cost
-
- Bosch Rexroth R900970641. LOGIC COVER LFA50DBS2-7X/100€1,619.57Excl. 19% VAT , excl. Shipping Cost
- Bosch Rexroth R900935830. LOGIC COVER LFA32DBEM-7X/200P00€772.09Excl. 19% VAT , excl. Shipping Cost
- Bosch Rexroth R900734778. LOGIC COVER LFA40DBU3D2-7X/315A200B100€2,008.91Excl. 19% VAT , excl. Shipping Cost
- Bosch Rexroth R901462419. LOGIC COVER LFA50DBW2-7X/400P370€1,662.82Excl. 19% VAT , excl. Shipping Cost
-
- Bosch Rexroth R901075025. LOGIC COVER LFA16DZWB2-7X/210XY€1,244.18Excl. 19% VAT , excl. Shipping Cost
-
- Bosch Rexroth R900930119. LOGIC COVER LFA25DBU2A2-7X/420A420€1,153.24Excl. 19% VAT , excl. Shipping Cost
-















