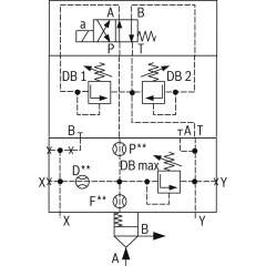
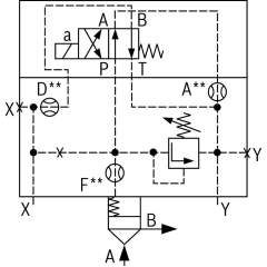
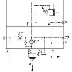
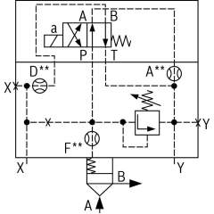
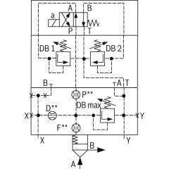
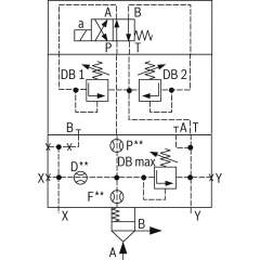
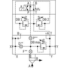
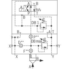
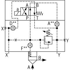
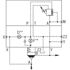
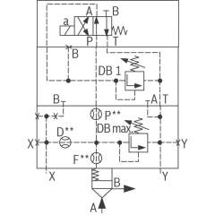
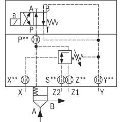
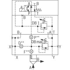
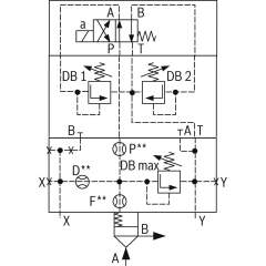
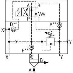
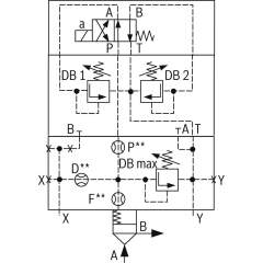
Bosch Rexroth logic elements, pressure function
Bosch Rexroth Cartridge Valves ISO 7368
Advanced Hydraulic Solutions: Logic Elements with Pressure Functions
Explore our comprehensive range of logic elements specifically designed for hydraulic systems, featuring pressure functions that cater to diverse industrial applications. These components are engineered to meet the rigorous demands of modern hydraulic equipment, providing precise control and reliable operation under varying conditions. Each logic element is crafted to integrate seamlessly into hydraulic circuits, optimizing performance and enhancing system efficiency.
Our logic elements are available in several configurations, ensuring compatibility with a wide array of hydraulic setups. They are constructed from high-quality materials, offering durability and long-lasting service life. The advanced design of these elements allows for easy installation and maintenance, minimizing downtime and maximizing productivity. With a focus on delivering exceptional performance, these components are ideal for use in construction, manufacturing, and automation industries.
Technical highlights include a robust pressure management capability, allowing for fine-tuned control over hydraulic flows. This feature is crucial for maintaining system stability and preventing pressure-related malfunctions. Additionally, the logic elements support dynamic response adjustments, ensuring optimal performance even in fluctuating operational environments. The precision engineering of each unit guarantees minimal leakage, enhancing energy efficiency and reducing operational costs.
Whether you are upgrading existing hydraulic systems or developing new solutions, our logic elements with pressure functions provide the reliability and precision required to meet your technical specifications. Trust in our expertly crafted components to deliver superior performance and elevate the capabilities of your hydraulic applications.
- Bosch Rexroth R900510907. LOGIC COVER LFA80DBU3D2-6X/400A100B315€5,927.75Excl. 19% VAT , excl. Shipping Cost
- Bosch Rexroth R900938182. LOGIC COVER LFA50DBEM-7X/315€2,382.26Excl. 19% VAT , excl. Shipping Cost
- Bosch Rexroth R901182293. LOGIC CARTRIDGE VALVE LC50DB20D7X/-004€1,294.45Excl. 19% VAT , excl. Shipping Cost
- Bosch Rexroth R901471832. LOGIC COVER LFA80DBW2-6X/050€4,041.72Excl. 19% VAT , excl. Shipping Cost
- Bosch Rexroth R900783899. LOGIC COVER LFA25DR2-7X/150V€1,001.06Excl. 19% VAT , excl. Shipping Cost
- Bosch Rexroth R900720132. LOGIC COVER LFA40DBU2B2-7X/315A050€1,654.66Excl. 19% VAT , excl. Shipping Cost
- Bosch Rexroth R901051971. LOGIC COVER LFA40DBW2-7X/315F15D15€1,019.92Excl. 19% VAT , excl. Shipping Cost
- Bosch Rexroth R900784206. LOGIC COVER LFA25DBU3D2-7X/200A100B200€1,474.34Excl. 19% VAT , excl. Shipping Cost
- Bosch Rexroth R901309551. LOGIC COVER LFA25DBU3D2-7X/420A200B100€1,474.34Excl. 19% VAT , excl. Shipping Cost
-
- Bosch Rexroth R901540520. CONTROL COVER LFA32DBU2A2-7X/420-340A315P280€1,287.54Excl. 19% VAT , excl. Shipping Cost
- Bosch Rexroth R900942896. LOGIC COVER LFA25DBU3D2-7X/100A050B050€1,474.34Excl. 19% VAT , excl. Shipping Cost
- Bosch Rexroth R900247362. LOGIC COVER LFA16DBU2A2-7X/100A100€1,079.24Excl. 19% VAT , excl. Shipping Cost
-
- Bosch Rexroth R900743908. LOGIC COVER LFA25DR2-7X/025V€1,001.06Excl. 19% VAT , excl. Shipping Cost
- Bosch Rexroth R900976609. LOGIC COVER LFA16DBU2A2-7X/315A200€1,079.24Excl. 19% VAT , excl. Shipping Cost
- Bosch Rexroth R901485970. LOGIC COVER LFA32DBW1-7X/320NE€1,439.28Excl. 19% VAT , excl. Shipping Cost
- Bosch Rexroth R901045576. LOGIC COVER LFA40DZWA2-7X/315Y€1,926.17Excl. 19% VAT , excl. Shipping Cost
-
- Bosch Rexroth R901084624. LOGIC COVER LFA25DBU2A2-7X/420A200€1,153.24Excl. 19% VAT , excl. Shipping Cost
- Bosch Rexroth R901066597. LOGIC COVER LFA50DBU3D2-7X/400A315B315€3,015.71Excl. 19% VAT , excl. Shipping Cost
- Bosch Rexroth R901267738. LOGIC COVER LFA80DBW2-6X/315P275€4,084.97Excl. 19% VAT , excl. Shipping Cost
- Bosch Rexroth R900969906. LOGIC COVER LFA80DBU3D2-6X/315A100B025V€5,927.75Excl. 19% VAT , excl. Shipping Cost
- Bosch Rexroth R901363795. LOGIC COVER LFA50DB2-7X/120NE€2,420.11Excl. 19% VAT , excl. Shipping Cost

















