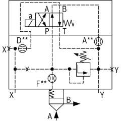
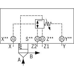
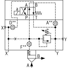
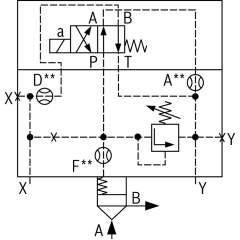
Bosch Rexroth logic elements, pressure function
Bosch Rexroth Cartridge Valves ISO 7368
Advanced Hydraulic Solutions: Logic Elements with Pressure Functions
Explore our comprehensive range of logic elements specifically designed for hydraulic systems, featuring pressure functions that cater to diverse industrial applications. These components are engineered to meet the rigorous demands of modern hydraulic equipment, providing precise control and reliable operation under varying conditions. Each logic element is crafted to integrate seamlessly into hydraulic circuits, optimizing performance and enhancing system efficiency.
Our logic elements are available in several configurations, ensuring compatibility with a wide array of hydraulic setups. They are constructed from high-quality materials, offering durability and long-lasting service life. The advanced design of these elements allows for easy installation and maintenance, minimizing downtime and maximizing productivity. With a focus on delivering exceptional performance, these components are ideal for use in construction, manufacturing, and automation industries.
Technical highlights include a robust pressure management capability, allowing for fine-tuned control over hydraulic flows. This feature is crucial for maintaining system stability and preventing pressure-related malfunctions. Additionally, the logic elements support dynamic response adjustments, ensuring optimal performance even in fluctuating operational environments. The precision engineering of each unit guarantees minimal leakage, enhancing energy efficiency and reducing operational costs.
Whether you are upgrading existing hydraulic systems or developing new solutions, our logic elements with pressure functions provide the reliability and precision required to meet your technical specifications. Trust in our expertly crafted components to deliver superior performance and elevate the capabilities of your hydraulic applications.
- Bosch Rexroth R901281918. LOGIC COVER LFA40DR2-7X/150V€2,409.38Excl. 19% VAT , excl. Shipping Cost
- Bosch Rexroth R901218669. LOGIC COVER LFA25DBEM-7X/315P00€699.48Excl. 19% VAT , excl. Shipping Cost
- Bosch Rexroth R901136656. LOGIC COVER LFA25DZ2-7X/210Y€1,214.65Excl. 19% VAT , excl. Shipping Cost
- Bosch Rexroth R901485972. LOGIC COVER LFA32DBW2-7X/100NE€1,439.28Excl. 19% VAT , excl. Shipping Cost
- Bosch Rexroth R900927518. LOGIC COVER LFA32DRW1-7X/150€1,211.88Excl. 19% VAT , excl. Shipping Cost
-
- Bosch Rexroth R901444779. LOGIC COVER LFA50DBW2-7X/200V€1,619.57Excl. 19% VAT , excl. Shipping Cost
- Bosch Rexroth R901275707. LOGIC COVER LFA80DBEM-6X/315V€5,517.66Excl. 19% VAT , excl. Shipping Cost
-
- Bosch Rexroth R900970324. LOGIC COVER LFA50DBU2B2-7X/315A050P00D12€2,684.79Excl. 19% VAT , excl. Shipping Cost
- Bosch Rexroth R900976983. LOGIC COVER LFA16DBU2A3-7X/315A100€1,206.29Excl. 19% VAT , excl. Shipping Cost
- Bosch Rexroth R901219799. LOGIC COVER LFA25DBE-7X/P00F00D00€544.53Excl. 19% VAT , excl. Shipping Cost
- Bosch Rexroth R901306082. LOGIC COVER LFA63DBU2A2-7X/050A050€2,971.04Excl. 19% VAT , excl. Shipping Cost
- Bosch Rexroth R900933700. LOGIC COVER LFA25DBU2B2-7X/315A315€1,153.24Excl. 19% VAT , excl. Shipping Cost
-
- Bosch Rexroth R901460304. LOGIC COVER LFA40DBW2-7X/400F15D15€1,019.92Excl. 19% VAT , excl. Shipping Cost
-
-
- Bosch Rexroth R900938183. LOGIC COVER LFA50DBEM-7X/400€2,382.26Excl. 19% VAT , excl. Shipping Cost
- Bosch Rexroth R901061723. LOGIC COVER LFA32DBW2-7X/420-350€800.85Excl. 19% VAT , excl. Shipping Cost
-
- Bosch Rexroth R901467713. LOGIC COVER LFA32DBW2-7X/420F00€772.09Excl. 19% VAT , excl. Shipping Cost
- Bosch Rexroth R900978103. LOGIC COVER LFA100DBEM-6X/400€6,961.67Excl. 19% VAT , excl. Shipping Cost
-


















