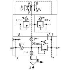
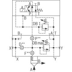
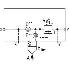
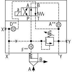
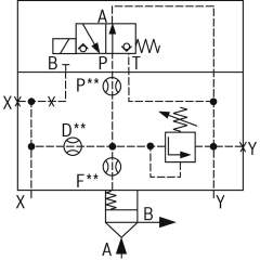
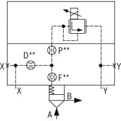
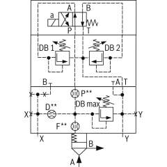
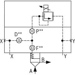
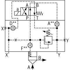
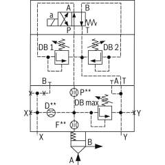
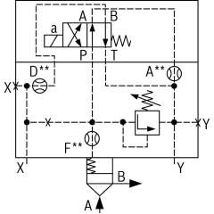
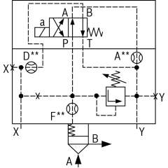
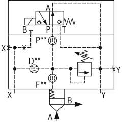
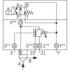
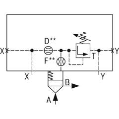
Bosch Rexroth logic elements, pressure function
Bosch Rexroth Cartridge Valves ISO 7368
Advanced Hydraulic Solutions: Logic Elements with Pressure Functions
Explore our comprehensive range of logic elements specifically designed for hydraulic systems, featuring pressure functions that cater to diverse industrial applications. These components are engineered to meet the rigorous demands of modern hydraulic equipment, providing precise control and reliable operation under varying conditions. Each logic element is crafted to integrate seamlessly into hydraulic circuits, optimizing performance and enhancing system efficiency.
Our logic elements are available in several configurations, ensuring compatibility with a wide array of hydraulic setups. They are constructed from high-quality materials, offering durability and long-lasting service life. The advanced design of these elements allows for easy installation and maintenance, minimizing downtime and maximizing productivity. With a focus on delivering exceptional performance, these components are ideal for use in construction, manufacturing, and automation industries.
Technical highlights include a robust pressure management capability, allowing for fine-tuned control over hydraulic flows. This feature is crucial for maintaining system stability and preventing pressure-related malfunctions. Additionally, the logic elements support dynamic response adjustments, ensuring optimal performance even in fluctuating operational environments. The precision engineering of each unit guarantees minimal leakage, enhancing energy efficiency and reducing operational costs.
Whether you are upgrading existing hydraulic systems or developing new solutions, our logic elements with pressure functions provide the reliability and precision required to meet your technical specifications. Trust in our expertly crafted components to deliver superior performance and elevate the capabilities of your hydraulic applications.
- Bosch Rexroth R900929837. LOGIC COVER LFA32DBU2A2-7X/315A100€1,230.01Excl. 19% VAT , excl. Shipping Cost
-
- Bosch Rexroth R901044196. LOGIC COVER LFA25DBU3D1-7X/315A100B315€1,474.34Excl. 19% VAT , excl. Shipping Cost
- Bosch Rexroth R901469495. LOGIC COVER LFA32DBU2A2-7X/420A025J3€1,276.09Excl. 19% VAT , excl. Shipping Cost
- Bosch Rexroth R901321553. LOGIC COVER LFA25DBEM-7X/420P340€737.33Excl. 19% VAT , excl. Shipping Cost
- Bosch Rexroth R901064829. LOGIC COVER LFA40DBU2B2-7X/400A050D15€1,687.53Excl. 19% VAT , excl. Shipping Cost
-
- Bosch Rexroth R900936389. LOGIC COVER LFA32DBU2A2-7X/200A200€1,230.01Excl. 19% VAT , excl. Shipping Cost
- Bosch Rexroth R901165114. LOGIC COVER LFA40DBW2-7X/400P285€997.43Excl. 19% VAT , excl. Shipping Cost
- Bosch Rexroth R900975376. LOGIC COVER LFA63DBS2-7X/400V€2,280.15Excl. 19% VAT , excl. Shipping Cost
- Bosch Rexroth R901058047. LOGIC COVER LFA16DBU2A2-7X/200A200€1,079.24Excl. 19% VAT , excl. Shipping Cost
-
- Bosch Rexroth R901067194. LOGIC COVER LFA32DBU3D2-7X/200A100B200€1,549.74Excl. 19% VAT , excl. Shipping Cost
- Bosch Rexroth R901262024. LOGIC COVER LFA25DBE-7X/P00F12D10€602.05Excl. 19% VAT , excl. Shipping Cost
- Bosch Rexroth R900958975. LOGIC COVER LFA50DBW2-7X/400A15D00€1,652.44Excl. 19% VAT , excl. Shipping Cost
- Bosch Rexroth R900775505. LOGIC COVER LFA63DBW2-7X/025A20F30D30€2,378.76Excl. 19% VAT , excl. Shipping Cost
- Bosch Rexroth R901284087. LOGIC COVER LFA25DBU3D2-7X/315A200B200€1,474.34Excl. 19% VAT , excl. Shipping Cost
- Bosch Rexroth R900731996. LOGIC COVER LFA25DZWB2-7X/315€1,355.89Excl. 19% VAT , excl. Shipping Cost
- Bosch Rexroth R901182288. LOGIC COVER LFA16DBW2-7X/420P370€654.95Excl. 19% VAT , excl. Shipping Cost
- Bosch Rexroth R901536820. LOGIC COVER LFA32DBW2-7X/315P00X00F00D00€772.09Excl. 19% VAT , excl. Shipping Cost
-
- Bosch Rexroth R900608779. LOGIC COVER LFA63DBW2-7X/400A20F30D30€2,378.76Excl. 19% VAT , excl. Shipping Cost
- Bosch Rexroth R900928442. LOGIC COVER LFA25DZWA2-7X/210XY€1,355.89Excl. 19% VAT , excl. Shipping Cost
- Bosch Rexroth R901048688. LOGIC COVER LFA63DBP2-7X/025€2,331.17Excl. 19% VAT , excl. Shipping Cost

















