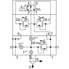
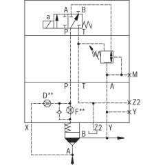
Bosch Rexroth logic elements, pressure function
Bosch Rexroth Cartridge Valves ISO 7368
Advanced Hydraulic Solutions: Logic Elements with Pressure Functions
Explore our comprehensive range of logic elements specifically designed for hydraulic systems, featuring pressure functions that cater to diverse industrial applications. These components are engineered to meet the rigorous demands of modern hydraulic equipment, providing precise control and reliable operation under varying conditions. Each logic element is crafted to integrate seamlessly into hydraulic circuits, optimizing performance and enhancing system efficiency.
Our logic elements are available in several configurations, ensuring compatibility with a wide array of hydraulic setups. They are constructed from high-quality materials, offering durability and long-lasting service life. The advanced design of these elements allows for easy installation and maintenance, minimizing downtime and maximizing productivity. With a focus on delivering exceptional performance, these components are ideal for use in construction, manufacturing, and automation industries.
Technical highlights include a robust pressure management capability, allowing for fine-tuned control over hydraulic flows. This feature is crucial for maintaining system stability and preventing pressure-related malfunctions. Additionally, the logic elements support dynamic response adjustments, ensuring optimal performance even in fluctuating operational environments. The precision engineering of each unit guarantees minimal leakage, enhancing energy efficiency and reducing operational costs.
Whether you are upgrading existing hydraulic systems or developing new solutions, our logic elements with pressure functions provide the reliability and precision required to meet your technical specifications. Trust in our expertly crafted components to deliver superior performance and elevate the capabilities of your hydraulic applications.
- Bosch Rexroth R900758844. LOGIC COVER LFA32DZWB1-7X/315XY€1,551.36Excl. 19% VAT , excl. Shipping Cost
- Bosch Rexroth R901467590. LOGIC COVER LFA50DB1-7X/350NE€2,420.11Excl. 19% VAT , excl. Shipping Cost
-
- Bosch Rexroth R901205269. LOGIC COVER LFA25DBU2A1-7X/420A100€1,153.24Excl. 19% VAT , excl. Shipping Cost
- Bosch Rexroth R900975754. LOGIC COVER LFA63DBU3D2-7X/400A315B315€3,338.04Excl. 19% VAT , excl. Shipping Cost
-
- Bosch Rexroth R901392592. LOGIC COVER LFA32DBU3D2-7X/420A050B315€1,549.74Excl. 19% VAT , excl. Shipping Cost
- Bosch Rexroth R901279955. LOGIC COVER LFA50DBS2-7X/050€1,619.57Excl. 19% VAT , excl. Shipping Cost
- Bosch Rexroth R900958459. LOGIC COVER LFA63DBW2-7X/025€2,280.15Excl. 19% VAT , excl. Shipping Cost
- Bosch Rexroth R900932398. LOGIC COVER LFA32DBU2B2-7X/315A100€1,230.01Excl. 19% VAT , excl. Shipping Cost
- Bosch Rexroth R900926264. LOGIC CARTRIDGE VALVE LC32DB40D7X/-004€506.09Excl. 19% VAT , excl. Shipping Cost
- Bosch Rexroth R900946081. LOGIC COVER LFA16DBU3D2-7X/100A100B100€1,393.36Excl. 19% VAT , excl. Shipping Cost
- Bosch Rexroth R900619408. LOGIC COVER LFA50DBW3-7X/315V€1,764.77Excl. 19% VAT , excl. Shipping Cost
-
- Bosch Rexroth R901016402. LOGIC COVER LFA32DBU2A2-7X/420A025€1,230.01Excl. 19% VAT , excl. Shipping Cost
- Bosch Rexroth R900947319. LOGIC COVER LFA32DBW2-7X/420P15X12F15D00€858.38Excl. 19% VAT , excl. Shipping Cost
- Bosch Rexroth R901012382. LOGIC COVER LFA16DBU3D1-7X/420A200B050€1,393.36Excl. 19% VAT , excl. Shipping Cost
- Bosch Rexroth R901320724. LOGIC COVER LFA25DBU3D2-7X/200A050B200€1,474.34Excl. 19% VAT , excl. Shipping Cost
- Bosch Rexroth R901084388. LOGIC COVER LFA50DBU2B2-7X/400A100€2,651.92Excl. 19% VAT , excl. Shipping Cost
- Bosch Rexroth R900931298. LOGIC COVER LFA80DBU2A2-6X/315A200€5,066.11Excl. 19% VAT , excl. Shipping Cost
- Bosch Rexroth R901184463. LOGIC COVER LFA40DBW2-7X/400P325€997.43Excl. 19% VAT , excl. Shipping Cost
- Bosch Rexroth R900938191. LOGIC COVER LFA50DBW2-7X/315€1,619.57Excl. 19% VAT , excl. Shipping Cost
- Bosch Rexroth R901072393. LOGIC COVER LFA63DBU3D2-7X/315A050B050€3,338.04Excl. 19% VAT , excl. Shipping Cost
-















