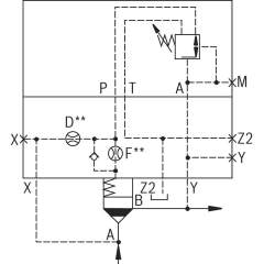
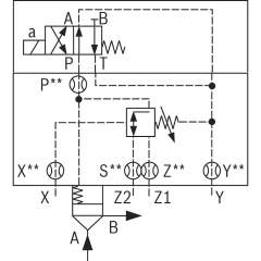
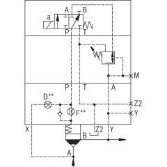
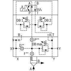
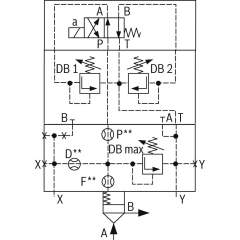
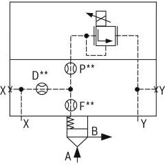
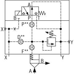
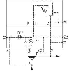
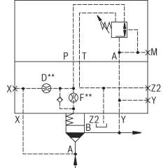
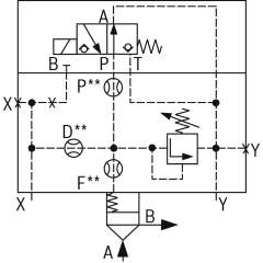
Bosch Rexroth logic elements, pressure function
Bosch Rexroth Cartridge Valves ISO 7368
Advanced Hydraulic Solutions: Logic Elements with Pressure Functions
Explore our comprehensive range of logic elements specifically designed for hydraulic systems, featuring pressure functions that cater to diverse industrial applications. These components are engineered to meet the rigorous demands of modern hydraulic equipment, providing precise control and reliable operation under varying conditions. Each logic element is crafted to integrate seamlessly into hydraulic circuits, optimizing performance and enhancing system efficiency.
Our logic elements are available in several configurations, ensuring compatibility with a wide array of hydraulic setups. They are constructed from high-quality materials, offering durability and long-lasting service life. The advanced design of these elements allows for easy installation and maintenance, minimizing downtime and maximizing productivity. With a focus on delivering exceptional performance, these components are ideal for use in construction, manufacturing, and automation industries.
Technical highlights include a robust pressure management capability, allowing for fine-tuned control over hydraulic flows. This feature is crucial for maintaining system stability and preventing pressure-related malfunctions. Additionally, the logic elements support dynamic response adjustments, ensuring optimal performance even in fluctuating operational environments. The precision engineering of each unit guarantees minimal leakage, enhancing energy efficiency and reducing operational costs.
Whether you are upgrading existing hydraulic systems or developing new solutions, our logic elements with pressure functions provide the reliability and precision required to meet your technical specifications. Trust in our expertly crafted components to deliver superior performance and elevate the capabilities of your hydraulic applications.
-
- Bosch Rexroth R900741593. LOGIC COVER LFA25DZWB2-7X/315XY€1,355.89Excl. 19% VAT , excl. Shipping Cost
- Bosch Rexroth R901130272. LOGIC COVER LFA63DRW2-7X/315€3,265.68Excl. 19% VAT , excl. Shipping Cost
- Bosch Rexroth R901084645. LOGIC COVER LFA16DBU3D2-7X/420A420B100€1,393.36Excl. 19% VAT , excl. Shipping Cost
- Bosch Rexroth R901009551. LOGIC COVER LFA25DBEM-7X/315P15X00D00€728.24Excl. 19% VAT , excl. Shipping Cost
-
-
- Bosch Rexroth R901444928. LOGIC COVER LFA40DB2-7X/380NE€1,773.50Excl. 19% VAT , excl. Shipping Cost
- Bosch Rexroth R900976169. LOGIC COVER LFA50DBEM-7X/315V€2,382.26Excl. 19% VAT , excl. Shipping Cost
-
- Bosch Rexroth R901294451. LOGIC COVER LFA25DBU2A2-7X/420A025€1,153.24Excl. 19% VAT , excl. Shipping Cost
- Bosch Rexroth R900975314. LOGIC COVER LFA100DBU3D2-6X/400A100B025€6,821.29Excl. 19% VAT , excl. Shipping Cost
- Bosch Rexroth R901215682. LOGIC COVER LFA40DZ2-7X/315Y€1,764.75Excl. 19% VAT , excl. Shipping Cost
- Bosch Rexroth R901129160. LOGIC COVER LFA50DBU3D2-7X/315A315B315€3,015.71Excl. 19% VAT , excl. Shipping Cost
- Bosch Rexroth R900927483. LOGIC CARTRIDGE VALVE LC16DB40E7X/-004€277.51Excl. 19% VAT , excl. Shipping Cost
- Bosch Rexroth R900964487. LOGIC COVER LFA16DBE-7X/P05X00D00€490.89Excl. 19% VAT , excl. Shipping Cost
- Bosch Rexroth R901097033. LOGIC COVER LFA50DBS3-7X/315€1,764.77Excl. 19% VAT , excl. Shipping Cost
-
- Bosch Rexroth R901564542. LOGIC COVER LFT50DBW2-3X/700J3F€3,806.82Excl. 19% VAT , excl. Shipping Cost
- Bosch Rexroth R901201716. LOGIC COVER LFA50DBU2B2-7X/200A025€2,651.92Excl. 19% VAT , excl. Shipping Cost
-
-
- Bosch Rexroth R901223523. LOGIC COVER LFA50DBS2-7X/315V€1,619.57Excl. 19% VAT , excl. Shipping Cost
- Bosch Rexroth R901549151. LOGIC COVER LFT32DBW2-3X/700J3F€2,779.26Excl. 19% VAT , excl. Shipping Cost



















