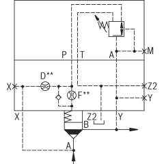
Bosch Rexroth logic elements, pressure function
Bosch Rexroth Cartridge Valves ISO 7368
Advanced Hydraulic Solutions: Logic Elements with Pressure Functions
Explore our comprehensive range of logic elements specifically designed for hydraulic systems, featuring pressure functions that cater to diverse industrial applications. These components are engineered to meet the rigorous demands of modern hydraulic equipment, providing precise control and reliable operation under varying conditions. Each logic element is crafted to integrate seamlessly into hydraulic circuits, optimizing performance and enhancing system efficiency.
Our logic elements are available in several configurations, ensuring compatibility with a wide array of hydraulic setups. They are constructed from high-quality materials, offering durability and long-lasting service life. The advanced design of these elements allows for easy installation and maintenance, minimizing downtime and maximizing productivity. With a focus on delivering exceptional performance, these components are ideal for use in construction, manufacturing, and automation industries.
Technical highlights include a robust pressure management capability, allowing for fine-tuned control over hydraulic flows. This feature is crucial for maintaining system stability and preventing pressure-related malfunctions. Additionally, the logic elements support dynamic response adjustments, ensuring optimal performance even in fluctuating operational environments. The precision engineering of each unit guarantees minimal leakage, enhancing energy efficiency and reducing operational costs.
Whether you are upgrading existing hydraulic systems or developing new solutions, our logic elements with pressure functions provide the reliability and precision required to meet your technical specifications. Trust in our expertly crafted components to deliver superior performance and elevate the capabilities of your hydraulic applications.
- Bosch Rexroth R901523486. LOGIC COVER LFA40DBEM-7X/315P230€997.43Excl. 19% VAT , excl. Shipping Cost
- Bosch Rexroth R900776193. LOGIC COVER LFA40DBU2A2-7X/050A050€1,654.66Excl. 19% VAT , excl. Shipping Cost
- Bosch Rexroth R901498420. LOGIC COVER LFA40DR2-7X/075V€2,409.38Excl. 19% VAT , excl. Shipping Cost
- Bosch Rexroth R901264375. LOGIC COVER LFA25DREZ-7X/014V€1,532.99Excl. 19% VAT , excl. Shipping Cost
- Bosch Rexroth R900910773. LOGIC CARTRIDGE VALVE LC32DB40E7X/€404.88Excl. 19% VAT , excl. Shipping Cost
- Bosch Rexroth R901460985. LOGIC COVER LFA50DBU3D2-7X/400A315B050V€3,015.71Excl. 19% VAT , excl. Shipping Cost
- Bosch Rexroth R900905520. LOGIC COVER LFA80DBU2B2-6X/200A200€5,066.11Excl. 19% VAT , excl. Shipping Cost
- Bosch Rexroth R901517649. LOGIC COVER LFA25DBEMP2-7X/200€982.89Excl. 19% VAT , excl. Shipping Cost
- Bosch Rexroth R900971590. LOGIC COVER LFA40DREWZ-7X/014€3,017.29Excl. 19% VAT , excl. Shipping Cost
- Bosch Rexroth R900716135. LOGIC COVER LFA63DBW1-7X/050€2,280.15Excl. 19% VAT , excl. Shipping Cost
- Bosch Rexroth R901294679. LOGIC COVER LFA32DBU2A2-7X/315A200P20X00F00D20€1,287.54Excl. 19% VAT , excl. Shipping Cost
- Bosch Rexroth R900753884. LOGIC COVER LFA50DBU2A2-7X/315A315€2,651.92Excl. 19% VAT , excl. Shipping Cost
-
- Bosch Rexroth R900959212. LOGIC COVER LFA25DBW2-7X/200P15X00F12D00€757.00Excl. 19% VAT , excl. Shipping Cost
- Bosch Rexroth R901206306. LOGIC COVER LFA40DBW2-7X/400P325D00€997.43Excl. 19% VAT , excl. Shipping Cost
- Bosch Rexroth R901014547. LOGIC COVER LFA16DBU2B2-7X/315A050€1,079.24Excl. 19% VAT , excl. Shipping Cost
- Bosch Rexroth R901049538. LOGIC COVER LFA63DBEM-7X/400F25€3,189.00Excl. 19% VAT , excl. Shipping Cost
- Bosch Rexroth R900971175. LOGIC COVER LFA40DBU2A2-7X/200A100€1,654.66Excl. 19% VAT , excl. Shipping Cost
- Bosch Rexroth R900938236. LOGIC COVER LFA63DBU2B2-7X/315A050€2,971.04Excl. 19% VAT , excl. Shipping Cost
- Bosch Rexroth R901211687. LOGIC COVER LFA32DRW1-7X/075€1,211.88Excl. 19% VAT , excl. Shipping Cost
- Bosch Rexroth R901475543. LOGIC COVER LFA100DBEM-6X/200€6,961.67Excl. 19% VAT , excl. Shipping Cost
-
-
-

















