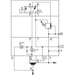
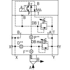
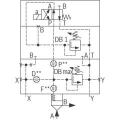
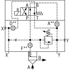
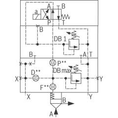
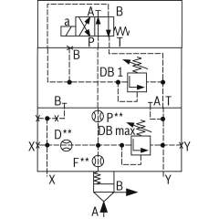
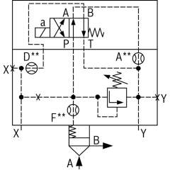
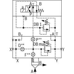
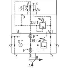
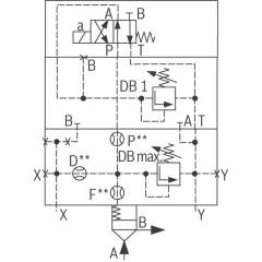
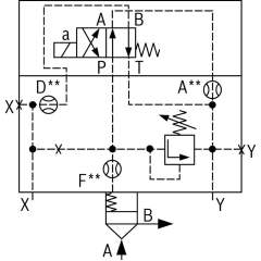
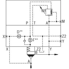
Bosch Rexroth logic elements, pressure function
Bosch Rexroth Cartridge Valves ISO 7368
Advanced Hydraulic Solutions: Logic Elements with Pressure Functions
Explore our comprehensive range of logic elements specifically designed for hydraulic systems, featuring pressure functions that cater to diverse industrial applications. These components are engineered to meet the rigorous demands of modern hydraulic equipment, providing precise control and reliable operation under varying conditions. Each logic element is crafted to integrate seamlessly into hydraulic circuits, optimizing performance and enhancing system efficiency.
Our logic elements are available in several configurations, ensuring compatibility with a wide array of hydraulic setups. They are constructed from high-quality materials, offering durability and long-lasting service life. The advanced design of these elements allows for easy installation and maintenance, minimizing downtime and maximizing productivity. With a focus on delivering exceptional performance, these components are ideal for use in construction, manufacturing, and automation industries.
Technical highlights include a robust pressure management capability, allowing for fine-tuned control over hydraulic flows. This feature is crucial for maintaining system stability and preventing pressure-related malfunctions. Additionally, the logic elements support dynamic response adjustments, ensuring optimal performance even in fluctuating operational environments. The precision engineering of each unit guarantees minimal leakage, enhancing energy efficiency and reducing operational costs.
Whether you are upgrading existing hydraulic systems or developing new solutions, our logic elements with pressure functions provide the reliability and precision required to meet your technical specifications. Trust in our expertly crafted components to deliver superior performance and elevate the capabilities of your hydraulic applications.
-
-
- Bosch Rexroth R900978681. LOGIC COVER LFA63DBU2B2-7X/400A315€2,971.04Excl. 19% VAT , excl. Shipping Cost
- Bosch Rexroth R900938041. LOGIC CARTRIDGE VALVE LC50DB40E7X/€1,035.56Excl. 19% VAT , excl. Shipping Cost
- Bosch Rexroth R900912561. LOGIC CARTRIDGE VALVE LC25DR40E7X/€361.63Excl. 19% VAT , excl. Shipping Cost
- Bosch Rexroth R900979350. LOGIC COVER LFA16DBU2A1-7X/200A100€1,079.24Excl. 19% VAT , excl. Shipping Cost
- Bosch Rexroth R901205264. LOGIC COVER LFA32DBW2-7X/315P240V€809.94Excl. 19% VAT , excl. Shipping Cost
- Bosch Rexroth R901008730. LOGIC COVER LFA50DBU2A2-7X/400A315€2,651.92Excl. 19% VAT , excl. Shipping Cost
-
- Bosch Rexroth R901070180. LOGIC COVER LFA50DBU2B2-7X/400A050P00€2,651.92Excl. 19% VAT , excl. Shipping Cost
- Bosch Rexroth R901298788. LOGIC COVER LFA16DBW2-7X/315P00X00F00D00€617.11Excl. 19% VAT , excl. Shipping Cost
- Bosch Rexroth R901127884. LOGIC COVER LFA40DBU2B2-7X/100A100€1,654.66Excl. 19% VAT , excl. Shipping Cost
- Bosch Rexroth R901362493. LOGIC COVER LFA25DBU2A2-7X/420A100V€1,153.24Excl. 19% VAT , excl. Shipping Cost
- Bosch Rexroth R900784146. LOGIC COVER LFA50DBU3D2-7X/200A100B200€3,015.71Excl. 19% VAT , excl. Shipping Cost
- Bosch Rexroth R901000373. LOGIC COVER LFA16DBU2A2-7X/200A100€1,079.24Excl. 19% VAT , excl. Shipping Cost
- Bosch Rexroth R901082988. LOGIC COVER LFA63DBW2-7X/315P15D10€2,345.89Excl. 19% VAT , excl. Shipping Cost
-
- Bosch Rexroth R901481220. LOGIC COVER LFA40DB2-7X/290NE€1,773.50Excl. 19% VAT , excl. Shipping Cost
-
- Bosch Rexroth R900929842. LOGIC COVER LFA32DBU2A2-7X/100A050€1,230.01Excl. 19% VAT , excl. Shipping Cost
- Bosch Rexroth R901363798. LOGIC COVER LFA50DB2-7X/330NE€2,420.11Excl. 19% VAT , excl. Shipping Cost
- Bosch Rexroth R901230694. LOGIC COVER LFA50DBW2-7X/025P010€1,662.82Excl. 19% VAT , excl. Shipping Cost
- Bosch Rexroth R901485974. LOGIC COVER LFA32DBW2-7X/200FE€1,439.28Excl. 19% VAT , excl. Shipping Cost
- Bosch Rexroth R901499852. LOGIC COVER LFA40DBU3D2-7X/400A400B200€2,008.91Excl. 19% VAT , excl. Shipping Cost
















