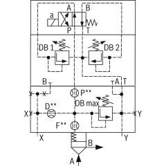
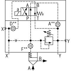
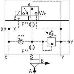
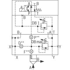
Bosch Rexroth logic elements, pressure function
Bosch Rexroth Cartridge Valves ISO 7368
Advanced Hydraulic Solutions: Logic Elements with Pressure Functions
Explore our comprehensive range of logic elements specifically designed for hydraulic systems, featuring pressure functions that cater to diverse industrial applications. These components are engineered to meet the rigorous demands of modern hydraulic equipment, providing precise control and reliable operation under varying conditions. Each logic element is crafted to integrate seamlessly into hydraulic circuits, optimizing performance and enhancing system efficiency.
Our logic elements are available in several configurations, ensuring compatibility with a wide array of hydraulic setups. They are constructed from high-quality materials, offering durability and long-lasting service life. The advanced design of these elements allows for easy installation and maintenance, minimizing downtime and maximizing productivity. With a focus on delivering exceptional performance, these components are ideal for use in construction, manufacturing, and automation industries.
Technical highlights include a robust pressure management capability, allowing for fine-tuned control over hydraulic flows. This feature is crucial for maintaining system stability and preventing pressure-related malfunctions. Additionally, the logic elements support dynamic response adjustments, ensuring optimal performance even in fluctuating operational environments. The precision engineering of each unit guarantees minimal leakage, enhancing energy efficiency and reducing operational costs.
Whether you are upgrading existing hydraulic systems or developing new solutions, our logic elements with pressure functions provide the reliability and precision required to meet your technical specifications. Trust in our expertly crafted components to deliver superior performance and elevate the capabilities of your hydraulic applications.
-
- Bosch Rexroth R901372080. LOGIC COVER LFA63DBEM-7X/025€3,156.13Excl. 19% VAT , excl. Shipping Cost
- Bosch Rexroth R901282592. LOGIC COVER LFA25DBU2A2-7X/050A025€1,153.24Excl. 19% VAT , excl. Shipping Cost
- Bosch Rexroth R900963546. LOGIC COVER LFA63DBU2B2-7X/315A200€2,971.04Excl. 19% VAT , excl. Shipping Cost
-
-
- Bosch Rexroth R900938052. LOGIC CARTRIDGE VALVE LC50DR40E7X/€1,675.41Excl. 19% VAT , excl. Shipping Cost
- Bosch Rexroth R901353374. LOGIC COVER LFA50DB2-7X/210NE€2,420.11Excl. 19% VAT , excl. Shipping Cost
- Bosch Rexroth R901208985. LOGIC COVER LFA32DBU2A2-7X/315P200A200P115V€1,296.63Excl. 19% VAT , excl. Shipping Cost
- Bosch Rexroth R901138308. LOGIC COVER LFA25DBU3D2-7X/200A100B050€1,474.34Excl. 19% VAT , excl. Shipping Cost
- Bosch Rexroth R901535107. LOGIC COVER LFA50DBW2-7X/060NE€2,800.17Excl. 19% VAT , excl. Shipping Cost
- Bosch Rexroth R901237285. LOGIC COVER LFA40DBS2-7X/400P15€987.05Excl. 19% VAT , excl. Shipping Cost
- Bosch Rexroth R900974682. LOGIC COVER LFA63DBW2-7X/400€2,280.15Excl. 19% VAT , excl. Shipping Cost
- Bosch Rexroth R901478906. LOGIC COVER LFA32DBU3D2-7X/100A100B050€1,549.74Excl. 19% VAT , excl. Shipping Cost
-
-
- Bosch Rexroth R901003014. LOGIC COVER LFA63DBU2A1-7X/315A315€2,971.04Excl. 19% VAT , excl. Shipping Cost
- Bosch Rexroth R901205170. LOGIC COVER LFA80DBW2-6X/315/A00€4,041.72Excl. 19% VAT , excl. Shipping Cost
-
- Bosch Rexroth R901075712. LOGIC COVER LFA32DBU2A2-7X/200A100€1,230.01Excl. 19% VAT , excl. Shipping Cost
-
-
- Bosch Rexroth R901522470. LOGIC COVER LFA32DBU2A2-7X/200A100V€1,230.01Excl. 19% VAT , excl. Shipping Cost
- Bosch Rexroth R901223870. LOGIC COVER LFA25DREV-7X/006V€1,532.99Excl. 19% VAT , excl. Shipping Cost

















