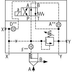
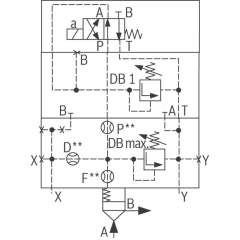
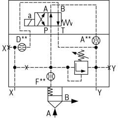
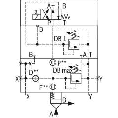
Bosch Rexroth logic elements, pressure function
Bosch Rexroth Cartridge Valves ISO 7368
Advanced Hydraulic Solutions: Logic Elements with Pressure Functions
Explore our comprehensive range of logic elements specifically designed for hydraulic systems, featuring pressure functions that cater to diverse industrial applications. These components are engineered to meet the rigorous demands of modern hydraulic equipment, providing precise control and reliable operation under varying conditions. Each logic element is crafted to integrate seamlessly into hydraulic circuits, optimizing performance and enhancing system efficiency.
Our logic elements are available in several configurations, ensuring compatibility with a wide array of hydraulic setups. They are constructed from high-quality materials, offering durability and long-lasting service life. The advanced design of these elements allows for easy installation and maintenance, minimizing downtime and maximizing productivity. With a focus on delivering exceptional performance, these components are ideal for use in construction, manufacturing, and automation industries.
Technical highlights include a robust pressure management capability, allowing for fine-tuned control over hydraulic flows. This feature is crucial for maintaining system stability and preventing pressure-related malfunctions. Additionally, the logic elements support dynamic response adjustments, ensuring optimal performance even in fluctuating operational environments. The precision engineering of each unit guarantees minimal leakage, enhancing energy efficiency and reducing operational costs.
Whether you are upgrading existing hydraulic systems or developing new solutions, our logic elements with pressure functions provide the reliability and precision required to meet your technical specifications. Trust in our expertly crafted components to deliver superior performance and elevate the capabilities of your hydraulic applications.
- Bosch Rexroth R900966069. LOGIC COVER LFA25DZ2-7X/050XY€1,214.65Excl. 19% VAT , excl. Shipping Cost
- Bosch Rexroth R901158678. LOGIC COVER LFA63DBU2A2-7X/100A025€2,971.04Excl. 19% VAT , excl. Shipping Cost
- Bosch Rexroth R901263243. LOGIC COVER LFA32DBW2-7X/200P180€809.94Excl. 19% VAT , excl. Shipping Cost
- Bosch Rexroth R901441654. LOGIC COVER LFA25DBU2A2-7X/420A100X10D12€1,210.75Excl. 19% VAT , excl. Shipping Cost
- Bosch Rexroth R901081996. LOGIC COVER LFA25DBU3D1-7X/315A050B025€1,474.34Excl. 19% VAT , excl. Shipping Cost
- Bosch Rexroth R901321793. LOGIC COVER LFA40DBW2-7X/400P360D00€997.43Excl. 19% VAT , excl. Shipping Cost
- Bosch Rexroth R901021696. LOGIC COVER LFA40DBU2B2-7X/200A025€1,654.66Excl. 19% VAT , excl. Shipping Cost
- Bosch Rexroth R901536852. LOGIC COVER LFA32DBW2-7X/350FE€1,439.28Excl. 19% VAT , excl. Shipping Cost
- Bosch Rexroth R900938238. LOGIC COVER LFA63DBW2-7X/315€2,280.15Excl. 19% VAT , excl. Shipping Cost
-
- Bosch Rexroth R901268582. LOGIC COVER LFA40DBU2A2-7X/400P285A200P150€1,730.78Excl. 19% VAT , excl. Shipping Cost
- Bosch Rexroth R901238367. LOGIC COVER LFA25DBW2-7X/315P315P15X10F20D00€823.60Excl. 19% VAT , excl. Shipping Cost
- Bosch Rexroth R901070922. LOGIC COVER LFA32DBEM-7X/315P15X00D00€800.85Excl. 19% VAT , excl. Shipping Cost
- Bosch Rexroth R900722299. LOGIC COVER LFA40DBU2B2-7X/315A315€1,654.66Excl. 19% VAT , excl. Shipping Cost
- Bosch Rexroth R901450607. LOGIC COVER LFA40DBEM-7X/315P00F00D08€987.05Excl. 19% VAT , excl. Shipping Cost
-
- Bosch Rexroth R900608784. LOGIC COVER LFA32DBW2-7X/315P20X20F15D00€858.38Excl. 19% VAT , excl. Shipping Cost
- Bosch Rexroth R900927398. LOGIC COVER LFA16DBU2A2-7X/200A050€1,079.24Excl. 19% VAT , excl. Shipping Cost
- Bosch Rexroth R901218191. LOGIC COVER LFA32DBU2A2-7X/315P200A200P100€1,296.63Excl. 19% VAT , excl. Shipping Cost
- Bosch Rexroth R901022509. LOGIC COVER LFA50DBP2-7X/050€1,791.60Excl. 19% VAT , excl. Shipping Cost
- Bosch Rexroth R900725247. LOGIC COVER LFA40DBW2-7X/315F18D08€1,019.92Excl. 19% VAT , excl. Shipping Cost
- Bosch Rexroth R900975851. LOGIC COVER LFA63DBU2A2-7X/400A200€2,971.04Excl. 19% VAT , excl. Shipping Cost
-
- Bosch Rexroth R900958948. LOGIC COVER LFA32DBU2B2-7X/100A050€1,230.01Excl. 19% VAT , excl. Shipping Cost

















