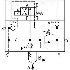
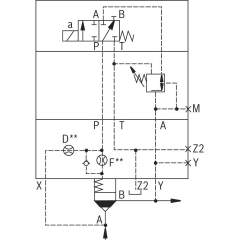
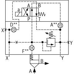
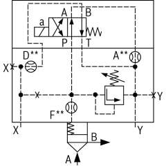
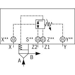
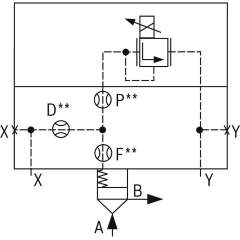
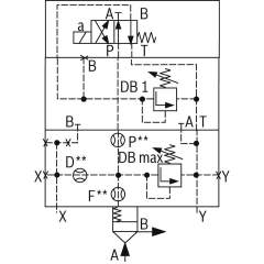
Bosch Rexroth logic elements, pressure function
Bosch Rexroth Cartridge Valves ISO 7368
Advanced Hydraulic Solutions: Logic Elements with Pressure Functions
Explore our comprehensive range of logic elements specifically designed for hydraulic systems, featuring pressure functions that cater to diverse industrial applications. These components are engineered to meet the rigorous demands of modern hydraulic equipment, providing precise control and reliable operation under varying conditions. Each logic element is crafted to integrate seamlessly into hydraulic circuits, optimizing performance and enhancing system efficiency.
Our logic elements are available in several configurations, ensuring compatibility with a wide array of hydraulic setups. They are constructed from high-quality materials, offering durability and long-lasting service life. The advanced design of these elements allows for easy installation and maintenance, minimizing downtime and maximizing productivity. With a focus on delivering exceptional performance, these components are ideal for use in construction, manufacturing, and automation industries.
Technical highlights include a robust pressure management capability, allowing for fine-tuned control over hydraulic flows. This feature is crucial for maintaining system stability and preventing pressure-related malfunctions. Additionally, the logic elements support dynamic response adjustments, ensuring optimal performance even in fluctuating operational environments. The precision engineering of each unit guarantees minimal leakage, enhancing energy efficiency and reducing operational costs.
Whether you are upgrading existing hydraulic systems or developing new solutions, our logic elements with pressure functions provide the reliability and precision required to meet your technical specifications. Trust in our expertly crafted components to deliver superior performance and elevate the capabilities of your hydraulic applications.
- Bosch Rexroth R900974681. LOGIC COVER LFA40DBU2B2-7X/200A100€1,654.66Excl. 19% VAT , excl. Shipping Cost
- Bosch Rexroth R901088240. LOGIC COVER LFA80DBW2-6X/315V€4,041.72Excl. 19% VAT , excl. Shipping Cost
- Bosch Rexroth R901443310. LOGIC COVER LFA100DBU2A2-6X/400A200€5,970.81Excl. 19% VAT , excl. Shipping Cost
- Bosch Rexroth R901059067. LOGIC COVER LFA50DBW2-7X/025F12D12€1,685.31Excl. 19% VAT , excl. Shipping Cost
- Bosch Rexroth R900731446. LOGIC COVER LFA16DZWB1-7X/350€1,244.18Excl. 19% VAT , excl. Shipping Cost
-
-
- Bosch Rexroth R900778951. LOGIC COVER LFA50DRW2-7X/315€2,739.99Excl. 19% VAT , excl. Shipping Cost
- Bosch Rexroth R901309553. LOGIC COVER LFA25DBU3D2-7X/420A315B100€1,474.34Excl. 19% VAT , excl. Shipping Cost
- Bosch Rexroth R901514814. LOGIC COVER LFA40DB2-7X/350NE€1,773.50Excl. 19% VAT , excl. Shipping Cost
- Bosch Rexroth R900975782. LOGIC COVER LFA25DBE-7X/P00F05D00€573.29Excl. 19% VAT , excl. Shipping Cost
- Bosch Rexroth R901372510. LOGIC COVER LFA16DBW2-7X/315P210€654.95Excl. 19% VAT , excl. Shipping Cost
- Bosch Rexroth R900919236. LOGIC CARTRIDGE VALVE LC32DB40E7X/-004€506.09Excl. 19% VAT , excl. Shipping Cost
- Bosch Rexroth R901211050. LOGIC COVER LFA63DBU2B2-7X/400A200€2,971.04Excl. 19% VAT , excl. Shipping Cost
- Bosch Rexroth R901363041. LOGIC COVER LFA40DBW3-7X/025€1,099.38Excl. 19% VAT , excl. Shipping Cost
- Bosch Rexroth R900930216. LOGIC COVER LFA100DBW2-6X/400A40B40F40€5,155.13Excl. 19% VAT , excl. Shipping Cost
- Bosch Rexroth R901009049. LOGIC COVER LFA16DZ2-7X/210X€1,102.96Excl. 19% VAT , excl. Shipping Cost
- Bosch Rexroth R901132827. LOGIC COVER LFA25DBU2A2-7X/315P300A100-80€1,219.84Excl. 19% VAT , excl. Shipping Cost
- Bosch Rexroth R901304035. LOGIC COVER LFA80DBU2A2-6X/420A400€5,066.11Excl. 19% VAT , excl. Shipping Cost
- Bosch Rexroth R901068681. LOGIC COVER LFA25DBE-7X/P20F12D18€630.80Excl. 19% VAT , excl. Shipping Cost
- Bosch Rexroth R901303605. LOGIC COVER LFA16DBU2B2-7X/200A050X00€1,079.24Excl. 19% VAT , excl. Shipping Cost
- Bosch Rexroth R901137254. LOGIC COVER LFA25DZ2-7X/210/S00€1,214.65Excl. 19% VAT , excl. Shipping Cost
- Bosch Rexroth R900947318. LOGIC COVER LFA32DBU2B2-7X/420A200P15X15F20D00€1,316.30Excl. 19% VAT , excl. Shipping Cost
- Bosch Rexroth R900938053. LOGIC CARTRIDGE VALVE LC50DR80E7X/€1,675.41Excl. 19% VAT , excl. Shipping Cost


















