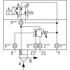
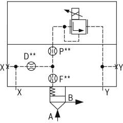
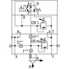
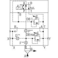
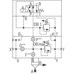
Bosch Rexroth logic elements, pressure function
Bosch Rexroth Cartridge Valves ISO 7368
Advanced Hydraulic Solutions: Logic Elements with Pressure Functions
Explore our comprehensive range of logic elements specifically designed for hydraulic systems, featuring pressure functions that cater to diverse industrial applications. These components are engineered to meet the rigorous demands of modern hydraulic equipment, providing precise control and reliable operation under varying conditions. Each logic element is crafted to integrate seamlessly into hydraulic circuits, optimizing performance and enhancing system efficiency.
Our logic elements are available in several configurations, ensuring compatibility with a wide array of hydraulic setups. They are constructed from high-quality materials, offering durability and long-lasting service life. The advanced design of these elements allows for easy installation and maintenance, minimizing downtime and maximizing productivity. With a focus on delivering exceptional performance, these components are ideal for use in construction, manufacturing, and automation industries.
Technical highlights include a robust pressure management capability, allowing for fine-tuned control over hydraulic flows. This feature is crucial for maintaining system stability and preventing pressure-related malfunctions. Additionally, the logic elements support dynamic response adjustments, ensuring optimal performance even in fluctuating operational environments. The precision engineering of each unit guarantees minimal leakage, enhancing energy efficiency and reducing operational costs.
Whether you are upgrading existing hydraulic systems or developing new solutions, our logic elements with pressure functions provide the reliability and precision required to meet your technical specifications. Trust in our expertly crafted components to deliver superior performance and elevate the capabilities of your hydraulic applications.
- Bosch Rexroth R901516518. LOGIC COVER LFA63DBW2-7X/400A20D30€2,345.89Excl. 19% VAT , excl. Shipping Cost
- Bosch Rexroth R901166154. LOGIC COVER LFA32DBEM-7X/315P00X00F00D18€800.85Excl. 19% VAT , excl. Shipping Cost
- Bosch Rexroth R900973796. LOGIC COVER LFA40DBU2A2-7X/315A100€1,654.66Excl. 19% VAT , excl. Shipping Cost
- Bosch Rexroth R901031172. LOGIC COVER LFA25DBE-7X/P15F15D15€630.80Excl. 19% VAT , excl. Shipping Cost
- Bosch Rexroth R901218680. LOGIC COVER LFA40DBEM-7X/315P00€954.18Excl. 19% VAT , excl. Shipping Cost
- Bosch Rexroth R900747872. LOGIC COVER LFA40DR1-7X/210V€2,409.38Excl. 19% VAT , excl. Shipping Cost
- Bosch Rexroth R900938039. LOGIC CARTRIDGE VALVE LC50DB20E7X/€1,035.56Excl. 19% VAT , excl. Shipping Cost
- Bosch Rexroth R900717925. LOGIC COVER LFA25DZWB2-7X/210€1,355.89Excl. 19% VAT , excl. Shipping Cost
- Bosch Rexroth R901147065. LOGIC COVER LFA32DRZ-7X/P25D25€788.56Excl. 19% VAT , excl. Shipping Cost
- Bosch Rexroth R900928821. LOGIC CARTRIDGE VALVE LC40DB20D7X/€815.35Excl. 19% VAT , excl. Shipping Cost
- Bosch Rexroth R901262795. LOGIC COVER LFA100DBW2-6X/025V€5,056.52Excl. 19% VAT , excl. Shipping Cost
-
- Bosch Rexroth R901467605. LOGIC COVER LFA63DBU2A2-7X/200A050€2,971.04Excl. 19% VAT , excl. Shipping Cost
- Bosch Rexroth R900923618. LOGIC COVER LFA16DBU2B2-7X/100A050€1,079.24Excl. 19% VAT , excl. Shipping Cost
- Bosch Rexroth R901091611. LOGIC COVER LFA63DBU3D2-7X/315A200B050€3,338.04Excl. 19% VAT , excl. Shipping Cost
- Bosch Rexroth R901223489. LOGIC COVER LFA50DBU2B2-7X/400P285A200P050P25F20€2,793.78Excl. 19% VAT , excl. Shipping Cost
- Bosch Rexroth R901386696. LOGIC COVER LFA40DB2-7X/230NE€1,773.50Excl. 19% VAT , excl. Shipping Cost
-
- Bosch Rexroth R901537043. LOGIC COVER LFA25DBU2A2-7X/420P370A315P250€1,219.84Excl. 19% VAT , excl. Shipping Cost
- Bosch Rexroth R901522727. LOGIC COVER LFA32DBW1-7X/060NE€1,439.28Excl. 19% VAT , excl. Shipping Cost
- Bosch Rexroth R901485976. LOGIC COVER LFA32DBW2-7X/420NE€1,439.28Excl. 19% VAT , excl. Shipping Cost
- Bosch Rexroth R900964606. LOGIC COVER LFA25DBU2A2-7X/315A315€1,153.24Excl. 19% VAT , excl. Shipping Cost
- Bosch Rexroth R901092468. LOGIC COVER LFA32DBW2-7X/420P370€809.94Excl. 19% VAT , excl. Shipping Cost
- Bosch Rexroth R900912547. LOGIC CARTRIDGE VALVE LC16DB40D7X/€222.01Excl. 19% VAT , excl. Shipping Cost

















