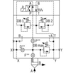
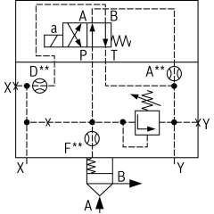
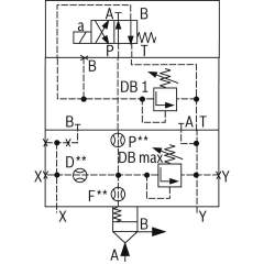
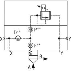
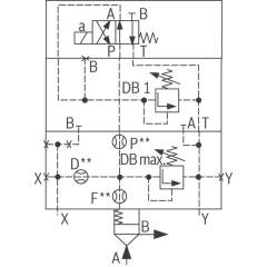
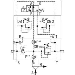
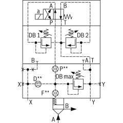
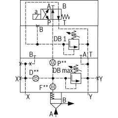
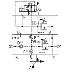
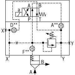
Bosch Rexroth logic elements, pressure function
Bosch Rexroth Cartridge Valves ISO 7368
Advanced Hydraulic Solutions: Logic Elements with Pressure Functions
Explore our comprehensive range of logic elements specifically designed for hydraulic systems, featuring pressure functions that cater to diverse industrial applications. These components are engineered to meet the rigorous demands of modern hydraulic equipment, providing precise control and reliable operation under varying conditions. Each logic element is crafted to integrate seamlessly into hydraulic circuits, optimizing performance and enhancing system efficiency.
Our logic elements are available in several configurations, ensuring compatibility with a wide array of hydraulic setups. They are constructed from high-quality materials, offering durability and long-lasting service life. The advanced design of these elements allows for easy installation and maintenance, minimizing downtime and maximizing productivity. With a focus on delivering exceptional performance, these components are ideal for use in construction, manufacturing, and automation industries.
Technical highlights include a robust pressure management capability, allowing for fine-tuned control over hydraulic flows. This feature is crucial for maintaining system stability and preventing pressure-related malfunctions. Additionally, the logic elements support dynamic response adjustments, ensuring optimal performance even in fluctuating operational environments. The precision engineering of each unit guarantees minimal leakage, enhancing energy efficiency and reducing operational costs.
Whether you are upgrading existing hydraulic systems or developing new solutions, our logic elements with pressure functions provide the reliability and precision required to meet your technical specifications. Trust in our expertly crafted components to deliver superior performance and elevate the capabilities of your hydraulic applications.
- Bosch Rexroth R901446729. LOGIC COVER LFA25DBU3D2-7X/315A100B100€1,474.34Excl. 19% VAT , excl. Shipping Cost
- Bosch Rexroth R901301897. LOGIC COVER LFA50DBW2-7X/315P250€1,662.82Excl. 19% VAT , excl. Shipping Cost
- Bosch Rexroth R901230680. LOGIC COVER LFA40DBEM-7X/315P00F00D00€954.18Excl. 19% VAT , excl. Shipping Cost
- Bosch Rexroth R901226479. LOGIC COVER LFA50DBU2B2-7X/400P370A100P050P25€2,760.91Excl. 19% VAT , excl. Shipping Cost
- Bosch Rexroth R900970627. LOGIC COVER LFA40DBE-7X/P00D20€816.32Excl. 19% VAT , excl. Shipping Cost
- Bosch Rexroth R901300513. LOGIC COVER LFA100DBEM-6X/315P210€7,004.92Excl. 19% VAT , excl. Shipping Cost
- Bosch Rexroth R901111820. LOGIC COVER LFA50DBU2A2-7X/200A050V€2,651.92Excl. 19% VAT , excl. Shipping Cost
- Bosch Rexroth R900936072. LOGIC COVER LFA25DBU3D2-7X/420A315B315€1,474.34Excl. 19% VAT , excl. Shipping Cost
- Bosch Rexroth R900938190. LOGIC COVER LFA50DBW2-7X/200€1,619.57Excl. 19% VAT , excl. Shipping Cost
-
- Bosch Rexroth R901005531. LOGIC COVER LFA40DBU3D2-7X/315A200B100V€2,008.91Excl. 19% VAT , excl. Shipping Cost
- Bosch Rexroth R900938014. LOGIC CARTRIDGE VALVE LC40DB40D7X/€815.35Excl. 19% VAT , excl. Shipping Cost
- Bosch Rexroth R900950233. LOGIC COVER LFA32DBU2A2-7X/420A420€1,230.01Excl. 19% VAT , excl. Shipping Cost
- Bosch Rexroth R901475748. LOGIC COVER LFA50DBU2B2-7X/400A315V€2,651.92Excl. 19% VAT , excl. Shipping Cost
- Bosch Rexroth R901126922. LOGIC COVER LFA32DBW2-7X/420-285€800.85Excl. 19% VAT , excl. Shipping Cost
- Bosch Rexroth R900955777. LOGIC CARTRIDGE VALVE LC63DB20D7X/€1,740.83Excl. 19% VAT , excl. Shipping Cost
- Bosch Rexroth R901125547. LOGIC COVER LFA32DBW2-7X/420-320€800.85Excl. 19% VAT , excl. Shipping Cost
- Bosch Rexroth R900248025. LOGIC COVER LFA50DBU3D2-7X/315A315B050€3,015.71Excl. 19% VAT , excl. Shipping Cost
- Bosch Rexroth R901137682. LOGIC COVER LFA32DZ1-7X/210Y€1,410.13Excl. 19% VAT , excl. Shipping Cost
- Bosch Rexroth R900958978. LOGIC COVER LFA32DBU2B2-7X/420A050X12F15D00€1,287.54Excl. 19% VAT , excl. Shipping Cost
- Bosch Rexroth R901263081. LOGIC COVER LFA50DBU2B2-7X/400P285A200P080P25F20€2,793.78Excl. 19% VAT , excl. Shipping Cost
-
- Bosch Rexroth R900938186. LOGIC COVER LFA50DBU2B2-7X/315A100€2,651.92Excl. 19% VAT , excl. Shipping Cost
-


















