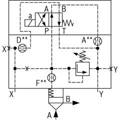
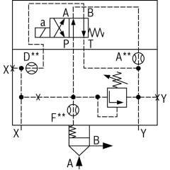
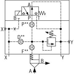
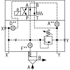
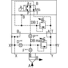
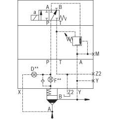
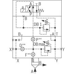
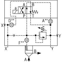
Bosch Rexroth logic elements, pressure function
Bosch Rexroth Cartridge Valves ISO 7368
Advanced Hydraulic Solutions: Logic Elements with Pressure Functions
Explore our comprehensive range of logic elements specifically designed for hydraulic systems, featuring pressure functions that cater to diverse industrial applications. These components are engineered to meet the rigorous demands of modern hydraulic equipment, providing precise control and reliable operation under varying conditions. Each logic element is crafted to integrate seamlessly into hydraulic circuits, optimizing performance and enhancing system efficiency.
Our logic elements are available in several configurations, ensuring compatibility with a wide array of hydraulic setups. They are constructed from high-quality materials, offering durability and long-lasting service life. The advanced design of these elements allows for easy installation and maintenance, minimizing downtime and maximizing productivity. With a focus on delivering exceptional performance, these components are ideal for use in construction, manufacturing, and automation industries.
Technical highlights include a robust pressure management capability, allowing for fine-tuned control over hydraulic flows. This feature is crucial for maintaining system stability and preventing pressure-related malfunctions. Additionally, the logic elements support dynamic response adjustments, ensuring optimal performance even in fluctuating operational environments. The precision engineering of each unit guarantees minimal leakage, enhancing energy efficiency and reducing operational costs.
Whether you are upgrading existing hydraulic systems or developing new solutions, our logic elements with pressure functions provide the reliability and precision required to meet your technical specifications. Trust in our expertly crafted components to deliver superior performance and elevate the capabilities of your hydraulic applications.
- Bosch Rexroth R900947912. LOGIC CARTRIDGE VALVE LC50DB40E7X/-104€1,294.45Excl. 19% VAT , excl. Shipping Cost
-
-
- Bosch Rexroth R900957791. LOGIC CARTRIDGE VALVE LC50DB20E7X/-104€1,294.45Excl. 19% VAT , excl. Shipping Cost
- Bosch Rexroth R900753623. LOGIC COVER LFA40DBEM-7X/400F10D12€1,019.92Excl. 19% VAT , excl. Shipping Cost
-
- Bosch Rexroth R900968487. LOGIC COVER LFA40DBU3D2-7X/315A100B025€2,008.91Excl. 19% VAT , excl. Shipping Cost
- Bosch Rexroth R901051979. LOGIC COVER LFA40DBS2-7X/315F15D15€1,019.92Excl. 19% VAT , excl. Shipping Cost
- Bosch Rexroth R901527677. LOGIC COVER LFA25DBS2-7X/450P450P€842.65Excl. 19% VAT , excl. Shipping Cost
- Bosch Rexroth R901413669. LOGIC COVER LFA32DBE-7X/F00D12V€644.49Excl. 19% VAT , excl. Shipping Cost
- Bosch Rexroth R901189233. LOGIC COVER LFA32DBW2-7X/420-330€800.85Excl. 19% VAT , excl. Shipping Cost
- Bosch Rexroth R900974276. LOGIC COVER LFA25DBW2-7X/315P12X10D00€757.00Excl. 19% VAT , excl. Shipping Cost
- Bosch Rexroth R901074834. LOGIC COVER LFA40DBU2B2-7X/400A050P00F15D12€1,720.40Excl. 19% VAT , excl. Shipping Cost
- Bosch Rexroth R901263230. LOGIC COVER LFA63DBW2-7X/400P315€2,323.40Excl. 19% VAT , excl. Shipping Cost
- Bosch Rexroth R900703680. LOGIC COVER LFA50DBW1-7X/315€1,619.57Excl. 19% VAT , excl. Shipping Cost
- Bosch Rexroth R901165502. LOGIC COVER LFA32DBU2B2-7X/420A100V€1,230.01Excl. 19% VAT , excl. Shipping Cost
- Bosch Rexroth R901440439. LOGIC COVER LFA40DBE-7X/P12F10D08€882.06Excl. 19% VAT , excl. Shipping Cost
- Bosch Rexroth R901242628. LOGIC COVER LFA40DRW2-7X/075€2,234.48Excl. 19% VAT , excl. Shipping Cost
- Bosch Rexroth R900973894. LOGIC COVER LFA63DBEM-7X/400P15F12D10€3,254.74Excl. 19% VAT , excl. Shipping Cost
- Bosch Rexroth R901082948. LOGIC COVER LFA50DBU2A2-7X/400A200P25D18€2,717.66Excl. 19% VAT , excl. Shipping Cost
-
-
- Bosch Rexroth R901007241. LOGIC COVER LFA32DBW2-7X/315P15X12F15D00€858.38Excl. 19% VAT , excl. Shipping Cost
- Bosch Rexroth R901020619. LOGIC COVER LFA25DBU3D2-7X/200A050B050€1,474.34Excl. 19% VAT , excl. Shipping Cost



















