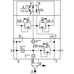
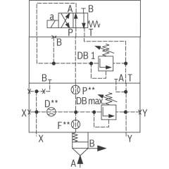
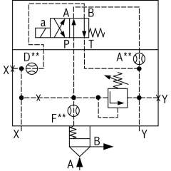
Bosch Rexroth logic elements, pressure function
Bosch Rexroth Cartridge Valves ISO 7368
Advanced Hydraulic Solutions: Logic Elements with Pressure Functions
Explore our comprehensive range of logic elements specifically designed for hydraulic systems, featuring pressure functions that cater to diverse industrial applications. These components are engineered to meet the rigorous demands of modern hydraulic equipment, providing precise control and reliable operation under varying conditions. Each logic element is crafted to integrate seamlessly into hydraulic circuits, optimizing performance and enhancing system efficiency.
Our logic elements are available in several configurations, ensuring compatibility with a wide array of hydraulic setups. They are constructed from high-quality materials, offering durability and long-lasting service life. The advanced design of these elements allows for easy installation and maintenance, minimizing downtime and maximizing productivity. With a focus on delivering exceptional performance, these components are ideal for use in construction, manufacturing, and automation industries.
Technical highlights include a robust pressure management capability, allowing for fine-tuned control over hydraulic flows. This feature is crucial for maintaining system stability and preventing pressure-related malfunctions. Additionally, the logic elements support dynamic response adjustments, ensuring optimal performance even in fluctuating operational environments. The precision engineering of each unit guarantees minimal leakage, enhancing energy efficiency and reducing operational costs.
Whether you are upgrading existing hydraulic systems or developing new solutions, our logic elements with pressure functions provide the reliability and precision required to meet your technical specifications. Trust in our expertly crafted components to deliver superior performance and elevate the capabilities of your hydraulic applications.
- Bosch Rexroth R900380226. LOGIC COVER LFA80DBEM-6X/315€5,517.66Excl. 19% VAT , excl. Shipping Cost
- Bosch Rexroth R900966607. LOGIC COVER LFA63DBU3D2-7X/400A200B025€3,338.04Excl. 19% VAT , excl. Shipping Cost
- Bosch Rexroth R901213278. LOGIC COVER LFA32DBU3D2-7X/420A420B420V€1,549.74Excl. 19% VAT , excl. Shipping Cost
- Bosch Rexroth R901507272. LOGIC COVER LFA32DBW2-7X/310FE€1,439.28Excl. 19% VAT , excl. Shipping Cost
- Bosch Rexroth R901563269. LOGIC COVER LFA63DBU2A2-7X/400A100€2,971.04Excl. 19% VAT , excl. Shipping Cost
- Bosch Rexroth R900952387. LOGIC COVER LFA63DBU3D2-7X/200A100B050€3,338.04Excl. 19% VAT , excl. Shipping Cost
- Bosch Rexroth R900957498. LOGIC COVER LFA40DBEM-7X/315D15€987.05Excl. 19% VAT , excl. Shipping Cost
- Bosch Rexroth R901472524. LOGIC COVER LFA16DBU2A2-7X/315A100P00F08D00€1,108.00Excl. 19% VAT , excl. Shipping Cost
- Bosch Rexroth R900900611. LOGIC COVER LFA100DBW2-6X/400A25B35F35€5,155.13Excl. 19% VAT , excl. Shipping Cost
- Bosch Rexroth R901488767. LOGIC COVER LFA16DBW2-7X/420P00X00€617.11Excl. 19% VAT , excl. Shipping Cost
- Bosch Rexroth R901259585. LOGIC COVER LFA25DBW2-7X/315P210V€699.48Excl. 19% VAT , excl. Shipping Cost
-
- Bosch Rexroth R901257854. LOGIC COVER LFA40DBW2-7X/400A10F10€1,052.79Excl. 19% VAT , excl. Shipping Cost
- Bosch Rexroth R901392867. LOGIC COVER LFA63DBS2-7X/025€2,280.15Excl. 19% VAT , excl. Shipping Cost
-
- Bosch Rexroth R901477085. LOGIC COVER LFA63DBU2A2-7X/315A025€2,971.04Excl. 19% VAT , excl. Shipping Cost
- Bosch Rexroth R901036077. LOGIC COVER LFA40DBU2A2-7X/200A025€1,654.66Excl. 19% VAT , excl. Shipping Cost
- Bosch Rexroth R900722298. LOGIC COVER LFA32DBW2-7X/420P08€800.85Excl. 19% VAT , excl. Shipping Cost
- Bosch Rexroth R900946636. LOGIC CARTRIDGE VALVE LC50DB40D7X/-004€1,294.45Excl. 19% VAT , excl. Shipping Cost
- Bosch Rexroth R901201957. LOGIC COVER LFA32DBU2A2-7X/315A200V€1,230.01Excl. 19% VAT , excl. Shipping Cost
- Bosch Rexroth R900962568. LOGIC COVER LFA16DBU2B2-7X/200A050€1,079.24Excl. 19% VAT , excl. Shipping Cost
- Bosch Rexroth R901432872. LOGIC COVER LFA32DBW2-7X/315P230€809.94Excl. 19% VAT , excl. Shipping Cost
- Bosch Rexroth R901064375. LOGIC COVER LFA16DZ2-7X/210XY€1,102.96Excl. 19% VAT , excl. Shipping Cost
- Bosch Rexroth R900752249. LOGIC COVER LFA32DBU2B2-7X/315A315€1,230.01Excl. 19% VAT , excl. Shipping Cost

















