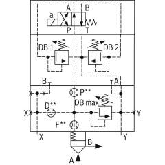
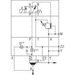
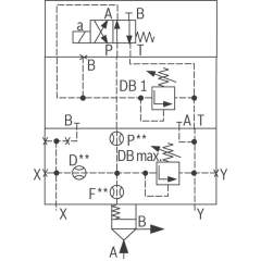
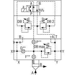
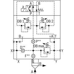
Bosch Rexroth logic elements, pressure function
Bosch Rexroth Cartridge Valves ISO 7368
Advanced Hydraulic Solutions: Logic Elements with Pressure Functions
Explore our comprehensive range of logic elements specifically designed for hydraulic systems, featuring pressure functions that cater to diverse industrial applications. These components are engineered to meet the rigorous demands of modern hydraulic equipment, providing precise control and reliable operation under varying conditions. Each logic element is crafted to integrate seamlessly into hydraulic circuits, optimizing performance and enhancing system efficiency.
Our logic elements are available in several configurations, ensuring compatibility with a wide array of hydraulic setups. They are constructed from high-quality materials, offering durability and long-lasting service life. The advanced design of these elements allows for easy installation and maintenance, minimizing downtime and maximizing productivity. With a focus on delivering exceptional performance, these components are ideal for use in construction, manufacturing, and automation industries.
Technical highlights include a robust pressure management capability, allowing for fine-tuned control over hydraulic flows. This feature is crucial for maintaining system stability and preventing pressure-related malfunctions. Additionally, the logic elements support dynamic response adjustments, ensuring optimal performance even in fluctuating operational environments. The precision engineering of each unit guarantees minimal leakage, enhancing energy efficiency and reducing operational costs.
Whether you are upgrading existing hydraulic systems or developing new solutions, our logic elements with pressure functions provide the reliability and precision required to meet your technical specifications. Trust in our expertly crafted components to deliver superior performance and elevate the capabilities of your hydraulic applications.
-
-
- Bosch Rexroth R900764938. LOGIC COVER LFA40DBS2-7X/315P15€987.05Excl. 19% VAT , excl. Shipping Cost
- Bosch Rexroth R901381998. LOGIC COVER LFA40DBU3D2-7X/400A400B315€2,008.91Excl. 19% VAT , excl. Shipping Cost
- Bosch Rexroth R901129741. LOGIC COVER LFA16DBU3D2-7X/315A315B025€1,393.36Excl. 19% VAT , excl. Shipping Cost
- Bosch Rexroth R901527678. LOGIC COVER LFA25DBS2-7X/450P350P€842.65Excl. 19% VAT , excl. Shipping Cost
- Bosch Rexroth R900976600. LOGIC COVER LFA32DRW3-7X/210€1,338.93Excl. 19% VAT , excl. Shipping Cost
- Bosch Rexroth R900919723. LOGIC CARTRIDGE VALVE LC25DB40D7X/-004€364.75Excl. 19% VAT , excl. Shipping Cost
- Bosch Rexroth R900969071. LOGIC COVER LFA63DBW2-7X/400V€2,280.15Excl. 19% VAT , excl. Shipping Cost
- Bosch Rexroth R901420843. LOGIC COVER LFA16DBU2A3-7X/420A315€1,206.29Excl. 19% VAT , excl. Shipping Cost
- Bosch Rexroth R901309765. LOGIC COVER LFA25DZWB1-7X/210€1,355.89Excl. 19% VAT , excl. Shipping Cost
- Bosch Rexroth R900970542. LOGIC COVER LFA25DBW2-7X/315P12X10F12D00€785.76Excl. 19% VAT , excl. Shipping Cost
-
- Bosch Rexroth R901004516. LOGIC COVER LFA25DBU3D2-7X/315A050B050€1,474.34Excl. 19% VAT , excl. Shipping Cost
- Bosch Rexroth R901178249. LOGIC COVER LFA40DBU3D2-7X/400A025B400€2,008.91Excl. 19% VAT , excl. Shipping Cost
- Bosch Rexroth R901204277. LOGIC COVER LFA16DBEM-7X/315P12F12D12€703.40Excl. 19% VAT , excl. Shipping Cost
- Bosch Rexroth R900938189. LOGIC COVER LFA50DBW2-7X/100€1,619.57Excl. 19% VAT , excl. Shipping Cost
- Bosch Rexroth R900765969. LOGIC COVER LFA25DBW2-7X/315P15X25€757.00Excl. 19% VAT , excl. Shipping Cost
- Bosch Rexroth R901079052. LOGIC COVER LFA32DBU2B2-7X/315A100P15X12€1,287.54Excl. 19% VAT , excl. Shipping Cost
- Bosch Rexroth R901505250. LOGIC COVER LFA32DBW2-7X/420P400P15X12F00D00€867.46Excl. 19% VAT , excl. Shipping Cost
- Bosch Rexroth R900523514. LOGIC COVER LFA80DBU2A2-6X/315A050€5,066.11Excl. 19% VAT , excl. Shipping Cost
- Bosch Rexroth R900507310. LOGIC COVER LFA100DBEM-6X/315€6,961.67Excl. 19% VAT , excl. Shipping Cost
- Bosch Rexroth R901463029. LOGIC COVER LFA16DBW2-7X/315VJ3€663.19Excl. 19% VAT , excl. Shipping Cost
- Bosch Rexroth R901015083. LOGIC COVER LFA16DZ2-7X/210Y€1,102.96Excl. 19% VAT , excl. Shipping Cost
















