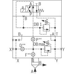
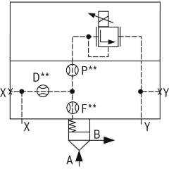
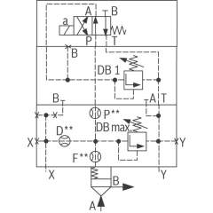
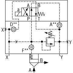
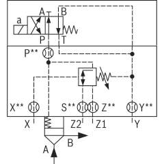
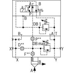
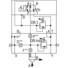
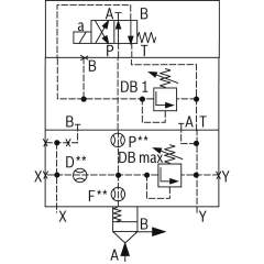
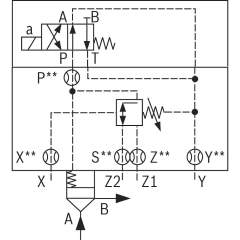
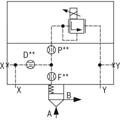
Bosch Rexroth logic elements, pressure function
Bosch Rexroth Cartridge Valves ISO 7368
Advanced Hydraulic Solutions: Logic Elements with Pressure Functions
Explore our comprehensive range of logic elements specifically designed for hydraulic systems, featuring pressure functions that cater to diverse industrial applications. These components are engineered to meet the rigorous demands of modern hydraulic equipment, providing precise control and reliable operation under varying conditions. Each logic element is crafted to integrate seamlessly into hydraulic circuits, optimizing performance and enhancing system efficiency.
Our logic elements are available in several configurations, ensuring compatibility with a wide array of hydraulic setups. They are constructed from high-quality materials, offering durability and long-lasting service life. The advanced design of these elements allows for easy installation and maintenance, minimizing downtime and maximizing productivity. With a focus on delivering exceptional performance, these components are ideal for use in construction, manufacturing, and automation industries.
Technical highlights include a robust pressure management capability, allowing for fine-tuned control over hydraulic flows. This feature is crucial for maintaining system stability and preventing pressure-related malfunctions. Additionally, the logic elements support dynamic response adjustments, ensuring optimal performance even in fluctuating operational environments. The precision engineering of each unit guarantees minimal leakage, enhancing energy efficiency and reducing operational costs.
Whether you are upgrading existing hydraulic systems or developing new solutions, our logic elements with pressure functions provide the reliability and precision required to meet your technical specifications. Trust in our expertly crafted components to deliver superior performance and elevate the capabilities of your hydraulic applications.
- Bosch Rexroth R900954553. LOGIC COVER LFA63DBU2B2-7X/400A050€2,971.04Excl. 19% VAT , excl. Shipping Cost
- Bosch Rexroth R900962012. LOGIC COVER LFA63DBU2A2-7X/315A200€2,971.04Excl. 19% VAT , excl. Shipping Cost
- Bosch Rexroth R901007463. LOGIC COVER LFA32DBU2A2-7X/315A100P15X12€1,287.54Excl. 19% VAT , excl. Shipping Cost
-
- Bosch Rexroth R901219783. LOGIC COVER LFA16DBE-7X/P00X00D00€462.14Excl. 19% VAT , excl. Shipping Cost
- Bosch Rexroth R900938093. LOGIC COVER LFA40DBU2A2-7X/315A315€1,654.66Excl. 19% VAT , excl. Shipping Cost
- Bosch Rexroth R900700195. LOGIC COVER LFA63DBP2-7X/050€2,331.17Excl. 19% VAT , excl. Shipping Cost
- Bosch Rexroth R901185986. LOGIC COVER LFA40DBU2A2-7X/400P350A050P025D00€1,730.78Excl. 19% VAT , excl. Shipping Cost
- Bosch Rexroth R901037185. LOGIC COVER LFA50DBS3-7X/050€1,764.77Excl. 19% VAT , excl. Shipping Cost
- Bosch Rexroth R901226495. LOGIC COVER LFA50DBW2-7X/315P225A10D10F20P15€1,794.30Excl. 19% VAT , excl. Shipping Cost
-
- Bosch Rexroth R901508035. LOGIC COVER LFA16DZWA2-7X/315€1,244.18Excl. 19% VAT , excl. Shipping Cost
- Bosch Rexroth R900943743. LOGIC COVER LFA32DZWB2-7X/210X€1,551.36Excl. 19% VAT , excl. Shipping Cost
- Bosch Rexroth R901310264. LOGIC COVER LFA40DBU2B2-7X/100A050€1,654.66Excl. 19% VAT , excl. Shipping Cost
-
- Bosch Rexroth R900953712. LOGIC COVER LFA50DBS2-7X/025€1,619.57Excl. 19% VAT , excl. Shipping Cost
- Bosch Rexroth R900957028. LOGIC COVER LFA100DBU2B2-6X/315A100€5,970.81Excl. 19% VAT , excl. Shipping Cost
- Bosch Rexroth R900965128. LOGIC COVER LFA25DBU2B2-7X/315A100P25X15F20D00€1,239.51Excl. 19% VAT , excl. Shipping Cost
- Bosch Rexroth R901225427. LOGIC COVER LFA32DZWB1-7X/315X€1,551.36Excl. 19% VAT , excl. Shipping Cost
- Bosch Rexroth R900966657. LOGIC COVER LFA50DBS2-7X/400€1,619.57Excl. 19% VAT , excl. Shipping Cost
- Bosch Rexroth R901487251. LOGIC COVER LFA40DB2-7X/050NE€1,773.50Excl. 19% VAT , excl. Shipping Cost
- Bosch Rexroth R901277323. LOGIC COVER LFA25DBE-7X/P00D10€573.29Excl. 19% VAT , excl. Shipping Cost
-
- Bosch Rexroth R900969905. LOGIC COVER LFA50DBU3D2-7X/315A100B025V€3,015.71Excl. 19% VAT , excl. Shipping Cost















