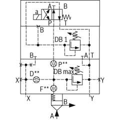
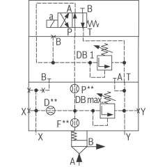
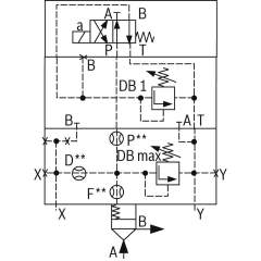
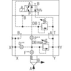
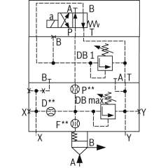
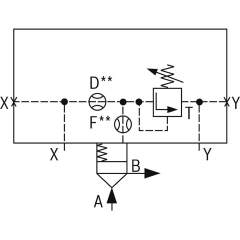
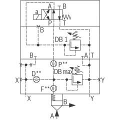
Bosch Rexroth logic elements, pressure function
Bosch Rexroth Cartridge Valves ISO 7368
Advanced Hydraulic Solutions: Logic Elements with Pressure Functions
Explore our comprehensive range of logic elements specifically designed for hydraulic systems, featuring pressure functions that cater to diverse industrial applications. These components are engineered to meet the rigorous demands of modern hydraulic equipment, providing precise control and reliable operation under varying conditions. Each logic element is crafted to integrate seamlessly into hydraulic circuits, optimizing performance and enhancing system efficiency.
Our logic elements are available in several configurations, ensuring compatibility with a wide array of hydraulic setups. They are constructed from high-quality materials, offering durability and long-lasting service life. The advanced design of these elements allows for easy installation and maintenance, minimizing downtime and maximizing productivity. With a focus on delivering exceptional performance, these components are ideal for use in construction, manufacturing, and automation industries.
Technical highlights include a robust pressure management capability, allowing for fine-tuned control over hydraulic flows. This feature is crucial for maintaining system stability and preventing pressure-related malfunctions. Additionally, the logic elements support dynamic response adjustments, ensuring optimal performance even in fluctuating operational environments. The precision engineering of each unit guarantees minimal leakage, enhancing energy efficiency and reducing operational costs.
Whether you are upgrading existing hydraulic systems or developing new solutions, our logic elements with pressure functions provide the reliability and precision required to meet your technical specifications. Trust in our expertly crafted components to deliver superior performance and elevate the capabilities of your hydraulic applications.
-
- Bosch Rexroth R900952611. LOGIC COVER LFA25DREWV-7X/006€1,532.99Excl. 19% VAT , excl. Shipping Cost
- Bosch Rexroth R901182301. LOGIC COVER LFA63DR2-7X/150V€3,470.48Excl. 19% VAT , excl. Shipping Cost
- Bosch Rexroth R901273678. LOGIC COVER LFA50DBU2B2-7X/400A400€2,651.92Excl. 19% VAT , excl. Shipping Cost
- Bosch Rexroth R901086887. LOGIC COVER LFA40DBU3D2-7X/100A100B100€2,008.91Excl. 19% VAT , excl. Shipping Cost
- Bosch Rexroth R901175932. LOGIC COVER LFA25DBU2A2-7X/200P120A100P080€1,219.84Excl. 19% VAT , excl. Shipping Cost
- Bosch Rexroth R901444578. LOGIC COVER LFA16DBU3D2-7X/420P350A200B420€1,431.21Excl. 19% VAT , excl. Shipping Cost
-
- Bosch Rexroth R901108721. LOGIC COVER LFA50DBW2-7X/025-010F12D12€1,718.18Excl. 19% VAT , excl. Shipping Cost
- Bosch Rexroth R901363819. LOGIC COVER LFA50DB2-7X/400NE€2,420.11Excl. 19% VAT , excl. Shipping Cost
- Bosch Rexroth R901137758. LOGIC COVER LFA40DBU2A2-7X/315A200V€1,654.66Excl. 19% VAT , excl. Shipping Cost
-
- Bosch Rexroth R900727831. LOGIC COVER LFA50DBEM-7X/200€2,382.26Excl. 19% VAT , excl. Shipping Cost
- Bosch Rexroth R900938019. LOGIC CARTRIDGE VALVE LC40DR80E7X/€1,211.11Excl. 19% VAT , excl. Shipping Cost
- Bosch Rexroth R900969106. LOGIC COVER LFA16DBU2B2-7X/315A315€1,079.24Excl. 19% VAT , excl. Shipping Cost
- Bosch Rexroth R901363825. LOGIC COVER LFA63DB2-7X/330NE€3,772.92Excl. 19% VAT , excl. Shipping Cost
- Bosch Rexroth R901018139. LOGIC COVER LFA50DRW4-7X/210€2,881.10Excl. 19% VAT , excl. Shipping Cost
- Bosch Rexroth R900743696. LOGIC COVER LFA100DBU2A2-6X/400A100€5,970.81Excl. 19% VAT , excl. Shipping Cost
- Bosch Rexroth R900948326. LOGIC COVER LFA40DBW2-7X/400A15F25D00€1,019.92Excl. 19% VAT , excl. Shipping Cost
-
- Bosch Rexroth R901011929. LOGIC COVER LFA32DBU2B2-7X/315A100P15X12F15D00€1,316.30Excl. 19% VAT , excl. Shipping Cost
- Bosch Rexroth R901192408. LOGIC COVER LFA40DBP2-7X/025V€1,392.31Excl. 19% VAT , excl. Shipping Cost
- Bosch Rexroth R901231413. LOGIC COVER LFA100DBU2A2-6X/400A315€5,970.81Excl. 19% VAT , excl. Shipping Cost
- Bosch Rexroth R901324066. LOGIC COVER LFA80DBEM-6X/400V€5,517.66Excl. 19% VAT , excl. Shipping Cost


















