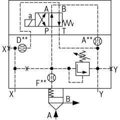
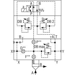
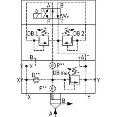
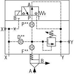
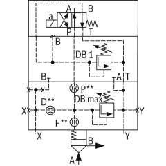
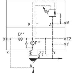
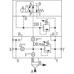
Bosch Rexroth logic elements, pressure function
Bosch Rexroth Cartridge Valves ISO 7368
Advanced Hydraulic Solutions: Logic Elements with Pressure Functions
Explore our comprehensive range of logic elements specifically designed for hydraulic systems, featuring pressure functions that cater to diverse industrial applications. These components are engineered to meet the rigorous demands of modern hydraulic equipment, providing precise control and reliable operation under varying conditions. Each logic element is crafted to integrate seamlessly into hydraulic circuits, optimizing performance and enhancing system efficiency.
Our logic elements are available in several configurations, ensuring compatibility with a wide array of hydraulic setups. They are constructed from high-quality materials, offering durability and long-lasting service life. The advanced design of these elements allows for easy installation and maintenance, minimizing downtime and maximizing productivity. With a focus on delivering exceptional performance, these components are ideal for use in construction, manufacturing, and automation industries.
Technical highlights include a robust pressure management capability, allowing for fine-tuned control over hydraulic flows. This feature is crucial for maintaining system stability and preventing pressure-related malfunctions. Additionally, the logic elements support dynamic response adjustments, ensuring optimal performance even in fluctuating operational environments. The precision engineering of each unit guarantees minimal leakage, enhancing energy efficiency and reducing operational costs.
Whether you are upgrading existing hydraulic systems or developing new solutions, our logic elements with pressure functions provide the reliability and precision required to meet your technical specifications. Trust in our expertly crafted components to deliver superior performance and elevate the capabilities of your hydraulic applications.
- Bosch Rexroth R901072894. LOGIC COVER LFA32DBU2A2-7X/420A100€1,230.01Excl. 19% VAT , excl. Shipping Cost
- Bosch Rexroth R900955782. LOGIC COVER LFA50DBU3D2-7X/315A200B200€3,015.71Excl. 19% VAT , excl. Shipping Cost
- Bosch Rexroth R900972502. LOGIC COVER LFA40DBU2A1-7X/025A025V€1,654.66Excl. 19% VAT , excl. Shipping Cost
-
- Bosch Rexroth R901505226. LOGIC COVER LFA32DBW2-7X/420P15X12F00D00€829.61Excl. 19% VAT , excl. Shipping Cost
- Bosch Rexroth R901332859. LOGIC COVER LFA32DBU3D2-7X/315A100B025€1,549.74Excl. 19% VAT , excl. Shipping Cost
- Bosch Rexroth R901014004. LOGIC COVER LFA32DBU3D2-7X/315A315B315€1,549.74Excl. 19% VAT , excl. Shipping Cost
- Bosch Rexroth R901545740. LOGIC COVER LFA40DB2-7X/200NE€1,773.50Excl. 19% VAT , excl. Shipping Cost
-
- Bosch Rexroth R901379578. LOGIC COVER LFA40DBS2-7X/315P210P15€1,030.30Excl. 19% VAT , excl. Shipping Cost
- Bosch Rexroth R901273433. LOGIC COVER LFA25DBW2-7X/315P12F08€757.00Excl. 19% VAT , excl. Shipping Cost
- Bosch Rexroth R901254261. LOGIC COVER LFA40DBEM-7X/315-250D15€1,019.92Excl. 19% VAT , excl. Shipping Cost
- Bosch Rexroth R901485971. LOGIC COVER LFA32DBW2-7X/050NE€1,439.28Excl. 19% VAT , excl. Shipping Cost
- Bosch Rexroth R900970839. LOGIC COVER LFA16DBU2B2-7X/315A100€1,079.24Excl. 19% VAT , excl. Shipping Cost
-
- Bosch Rexroth R901342146. LOGIC COVER LFA100DBU2A2-6X/315A025€5,970.81Excl. 19% VAT , excl. Shipping Cost
- Bosch Rexroth R901089759. LOGIC COVER LFA25DBW2-7X/420P00€699.48Excl. 19% VAT , excl. Shipping Cost
- Bosch Rexroth R901114111. LOGIC COVER LFA63DBU3D3-7X/315A200B100€3,628.44Excl. 19% VAT , excl. Shipping Cost
- Bosch Rexroth R900711209. LOGIC COVER LFA50DBU2A2-7X/200A100€2,651.92Excl. 19% VAT , excl. Shipping Cost
- Bosch Rexroth R900770745. LOGIC COVER LFA40DRW1-7X/210€2,234.48Excl. 19% VAT , excl. Shipping Cost
- Bosch Rexroth R901122160. LOGIC COVER LFA16DBU2A3-7X/315A050€1,206.29Excl. 19% VAT , excl. Shipping Cost
- Bosch Rexroth R900958889. LOGIC COVER LFA25DBU2A2-7X/100A100€1,153.24Excl. 19% VAT , excl. Shipping Cost
- Bosch Rexroth R901092482. LOGIC COVER LFA50DBU2B2-7X/400P370A100€2,695.17Excl. 19% VAT , excl. Shipping Cost
- Bosch Rexroth R901111480. LOGIC COVER LFA50DBW3-7X/100€1,764.77Excl. 19% VAT , excl. Shipping Cost


















