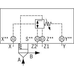
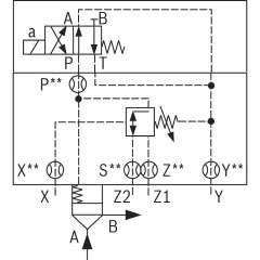
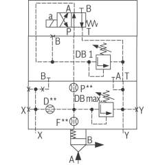
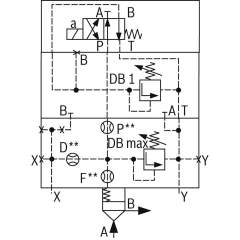
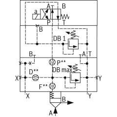
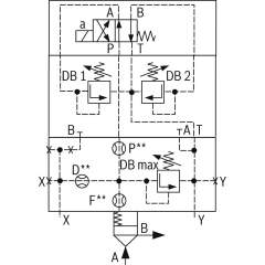
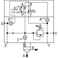
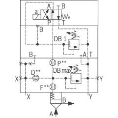
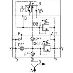
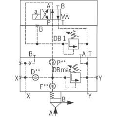
Bosch Rexroth logic elements, pressure function
Bosch Rexroth Cartridge Valves ISO 7368
Advanced Hydraulic Solutions: Logic Elements with Pressure Functions
Explore our comprehensive range of logic elements specifically designed for hydraulic systems, featuring pressure functions that cater to diverse industrial applications. These components are engineered to meet the rigorous demands of modern hydraulic equipment, providing precise control and reliable operation under varying conditions. Each logic element is crafted to integrate seamlessly into hydraulic circuits, optimizing performance and enhancing system efficiency.
Our logic elements are available in several configurations, ensuring compatibility with a wide array of hydraulic setups. They are constructed from high-quality materials, offering durability and long-lasting service life. The advanced design of these elements allows for easy installation and maintenance, minimizing downtime and maximizing productivity. With a focus on delivering exceptional performance, these components are ideal for use in construction, manufacturing, and automation industries.
Technical highlights include a robust pressure management capability, allowing for fine-tuned control over hydraulic flows. This feature is crucial for maintaining system stability and preventing pressure-related malfunctions. Additionally, the logic elements support dynamic response adjustments, ensuring optimal performance even in fluctuating operational environments. The precision engineering of each unit guarantees minimal leakage, enhancing energy efficiency and reducing operational costs.
Whether you are upgrading existing hydraulic systems or developing new solutions, our logic elements with pressure functions provide the reliability and precision required to meet your technical specifications. Trust in our expertly crafted components to deliver superior performance and elevate the capabilities of your hydraulic applications.
- Bosch Rexroth R900945992. LOGIC COVER LFA25DBW2-7X/315P12F08D00€757.00Excl. 19% VAT , excl. Shipping Cost
-
- Bosch Rexroth R900942084. LOGIC COVER LFA25DZWB2-7X/210X€1,355.89Excl. 19% VAT , excl. Shipping Cost
- Bosch Rexroth R901500906. LOGIC COVER LFA40DB1-7X/050NE€1,773.50Excl. 19% VAT , excl. Shipping Cost
- Bosch Rexroth R901542273. CONTROL COVER LFA32DBS2-7X/450P€882.39Excl. 19% VAT , excl. Shipping Cost
- Bosch Rexroth R900912532. LOGIC CARTRIDGE VALVE LC16DB40E7X/€222.01Excl. 19% VAT , excl. Shipping Cost
- Bosch Rexroth R901037186. LOGIC COVER LFA40DBS3-7X/025€1,099.38Excl. 19% VAT , excl. Shipping Cost
- Bosch Rexroth R901011537. LOGIC COVER LFA32DBU2B2-7X/420A050X15F18D00€1,287.54Excl. 19% VAT , excl. Shipping Cost
- Bosch Rexroth R901104929. LOGIC COVER LFA25DBU3D2-7X/100A050B025€1,474.34Excl. 19% VAT , excl. Shipping Cost
- Bosch Rexroth R901082921. LOGIC COVER LFA32DBU2A2-7X/420A100P15X20€1,287.54Excl. 19% VAT , excl. Shipping Cost
- Bosch Rexroth R901042047. LOGIC COVER LFA50DBU2B2-7X/200A200€2,651.92Excl. 19% VAT , excl. Shipping Cost
- Bosch Rexroth R901147543. LOGIC COVER LFA63DBU2B2-7X/315A315€2,971.04Excl. 19% VAT , excl. Shipping Cost
- Bosch Rexroth R901270968. LOGIC COVER LFA25DBU2A2-7X/315P315A100P040€1,219.84Excl. 19% VAT , excl. Shipping Cost
- Bosch Rexroth R900720135. LOGIC COVER LFA50DBU2B2-7X/315A050€2,651.92Excl. 19% VAT , excl. Shipping Cost
- Bosch Rexroth R901164485. LOGIC COVER LFA32DRW2-7X/025€1,211.88Excl. 19% VAT , excl. Shipping Cost
- Bosch Rexroth R901425487. LOGIC COVER LFA40DBU3D1-7X/315A025B100€2,008.91Excl. 19% VAT , excl. Shipping Cost
- Bosch Rexroth R900975448. LOGIC COVER LFA50DBW2-7X/315A12D15€1,685.31Excl. 19% VAT , excl. Shipping Cost
- Bosch Rexroth R900962442. LOGIC COVER LFA32DBU2A2-7X/315A315V€1,230.01Excl. 19% VAT , excl. Shipping Cost
- Bosch Rexroth R901290266. LOGIC COVER LFA40DBU2B2-7X/200A200€1,654.66Excl. 19% VAT , excl. Shipping Cost
-
- Bosch Rexroth R901321792. LOGIC COVER LFA40DBU2A2-7X/400P360A050P025D00€1,730.78Excl. 19% VAT , excl. Shipping Cost
- Bosch Rexroth R901072242. LOGIC COVER LFA40DZ2-7X/350Y€1,764.75Excl. 19% VAT , excl. Shipping Cost
- Bosch Rexroth R901235541. LOGIC COVER LFA63DBU2A2-7X/315A100€2,971.04Excl. 19% VAT , excl. Shipping Cost
- Bosch Rexroth R901195223. LOGIC COVER LFA50DBU2B2-7X/315A050F12D12€2,717.66Excl. 19% VAT , excl. Shipping Cost



















