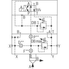
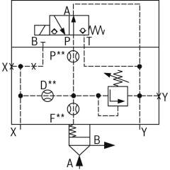
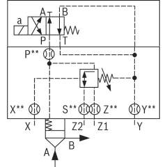
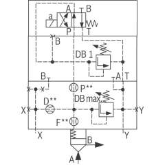
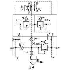
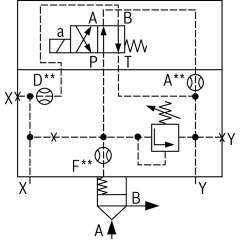
Bosch Rexroth logic elements, pressure function
Bosch Rexroth Cartridge Valves ISO 7368
Advanced Hydraulic Solutions: Logic Elements with Pressure Functions
Explore our comprehensive range of logic elements specifically designed for hydraulic systems, featuring pressure functions that cater to diverse industrial applications. These components are engineered to meet the rigorous demands of modern hydraulic equipment, providing precise control and reliable operation under varying conditions. Each logic element is crafted to integrate seamlessly into hydraulic circuits, optimizing performance and enhancing system efficiency.
Our logic elements are available in several configurations, ensuring compatibility with a wide array of hydraulic setups. They are constructed from high-quality materials, offering durability and long-lasting service life. The advanced design of these elements allows for easy installation and maintenance, minimizing downtime and maximizing productivity. With a focus on delivering exceptional performance, these components are ideal for use in construction, manufacturing, and automation industries.
Technical highlights include a robust pressure management capability, allowing for fine-tuned control over hydraulic flows. This feature is crucial for maintaining system stability and preventing pressure-related malfunctions. Additionally, the logic elements support dynamic response adjustments, ensuring optimal performance even in fluctuating operational environments. The precision engineering of each unit guarantees minimal leakage, enhancing energy efficiency and reducing operational costs.
Whether you are upgrading existing hydraulic systems or developing new solutions, our logic elements with pressure functions provide the reliability and precision required to meet your technical specifications. Trust in our expertly crafted components to deliver superior performance and elevate the capabilities of your hydraulic applications.
-
- Bosch Rexroth R900939647. LOGIC COVER LFA16DBU2A2-7X/315A050€1,079.24Excl. 19% VAT , excl. Shipping Cost
- Bosch Rexroth R900956844. LOGIC COVER LFA40DZ2-7X/210XY€1,764.75Excl. 19% VAT , excl. Shipping Cost
-
- Bosch Rexroth R900912549. LOGIC CARTRIDGE VALVE LC25DB20E7X/€291.80Excl. 19% VAT , excl. Shipping Cost
- Bosch Rexroth R901412473. LOGIC COVER LFA50DB2-7X/310NE€2,420.11Excl. 19% VAT , excl. Shipping Cost
- Bosch Rexroth R900948505. LOGIC COVER LFA32DZWA2-7X/315€1,551.36Excl. 19% VAT , excl. Shipping Cost
- Bosch Rexroth R901434142. LOGIC COVER LFA50DRW2-7X/210V€2,739.99Excl. 19% VAT , excl. Shipping Cost
- Bosch Rexroth R901123942. LOGIC COVER LFA32DBW2-7X/200P00€772.09Excl. 19% VAT , excl. Shipping Cost
- Bosch Rexroth R901413719. LOGIC COVER LFA25DBU2A1-7X/420A420€1,153.24Excl. 19% VAT , excl. Shipping Cost
- Bosch Rexroth R900962589. LOGIC CARTRIDGE VALVE LC32DB00E7X/-004€506.09Excl. 19% VAT , excl. Shipping Cost
- Bosch Rexroth R900580839. LOGIC COVER LFA80DBU2A2-6X/315A100€5,066.11Excl. 19% VAT , excl. Shipping Cost
- Bosch Rexroth R901060578. LOGIC COVER LFA50DBU2A2-7X/400A100€2,651.92Excl. 19% VAT , excl. Shipping Cost
- Bosch Rexroth R900747876. LOGIC COVER LFA25DBU3D2-7X/315A200B200X00D00€1,474.34Excl. 19% VAT , excl. Shipping Cost
- Bosch Rexroth R901437581. LOGIC COVER LFA16DBW2-7X/315P06X06F06D06€732.16Excl. 19% VAT , excl. Shipping Cost
- Bosch Rexroth R901071889. LOGIC COVER LFA32DBEM-7X/420X08€800.85Excl. 19% VAT , excl. Shipping Cost
- Bosch Rexroth R901168187. LOGIC COVER LFA100DBU2A2-6X/315A200€5,970.81Excl. 19% VAT , excl. Shipping Cost
-
-
- Bosch Rexroth R900904543. LOGIC COVER LFA100DBW2-6X/400€5,056.52Excl. 19% VAT , excl. Shipping Cost
- Bosch Rexroth R901451923. LOGIC COVER LFA50DB1-7X/210NE€2,420.11Excl. 19% VAT , excl. Shipping Cost
- Bosch Rexroth R901316663. LOGIC COVER LFA25DBU2B2-7X/420A315€1,153.24Excl. 19% VAT , excl. Shipping Cost
- Bosch Rexroth R900580659. LOGIC COVER LFA80DBW2-6X/100€4,041.72Excl. 19% VAT , excl. Shipping Cost
-
















