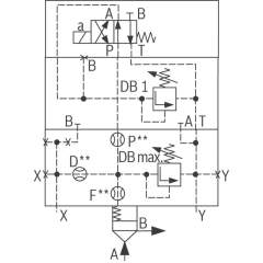
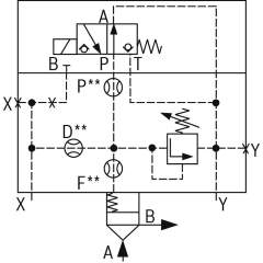
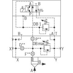
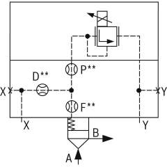
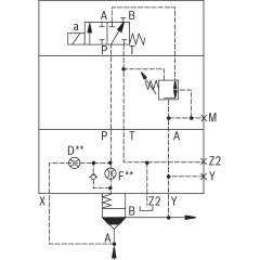
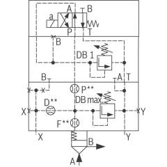
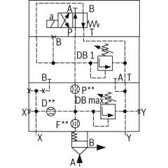
Bosch Rexroth logic elements, pressure function
Bosch Rexroth Cartridge Valves ISO 7368
Advanced Hydraulic Solutions: Logic Elements with Pressure Functions
Explore our comprehensive range of logic elements specifically designed for hydraulic systems, featuring pressure functions that cater to diverse industrial applications. These components are engineered to meet the rigorous demands of modern hydraulic equipment, providing precise control and reliable operation under varying conditions. Each logic element is crafted to integrate seamlessly into hydraulic circuits, optimizing performance and enhancing system efficiency.
Our logic elements are available in several configurations, ensuring compatibility with a wide array of hydraulic setups. They are constructed from high-quality materials, offering durability and long-lasting service life. The advanced design of these elements allows for easy installation and maintenance, minimizing downtime and maximizing productivity. With a focus on delivering exceptional performance, these components are ideal for use in construction, manufacturing, and automation industries.
Technical highlights include a robust pressure management capability, allowing for fine-tuned control over hydraulic flows. This feature is crucial for maintaining system stability and preventing pressure-related malfunctions. Additionally, the logic elements support dynamic response adjustments, ensuring optimal performance even in fluctuating operational environments. The precision engineering of each unit guarantees minimal leakage, enhancing energy efficiency and reducing operational costs.
Whether you are upgrading existing hydraulic systems or developing new solutions, our logic elements with pressure functions provide the reliability and precision required to meet your technical specifications. Trust in our expertly crafted components to deliver superior performance and elevate the capabilities of your hydraulic applications.
-
- Bosch Rexroth R900978772. LOGIC COVER LFA25DBU3D2-7X/200A100B100€1,474.34Excl. 19% VAT , excl. Shipping Cost
- Bosch Rexroth R901184310. LOGIC COVER LFA50DRW2-7X/315V€2,739.99Excl. 19% VAT , excl. Shipping Cost
- Bosch Rexroth R900932836. LOGIC COVER LFA32DBW2-7X/050X08€800.85Excl. 19% VAT , excl. Shipping Cost
- Bosch Rexroth R900703530. LOGIC COVER LFA25DZWB2-7X/350XX10€1,413.40Excl. 19% VAT , excl. Shipping Cost
- Bosch Rexroth R901172277. LOGIC COVER LFA50DBU2A2-7X/050A025€2,651.92Excl. 19% VAT , excl. Shipping Cost
-
- Bosch Rexroth R901466879. LOGIC COVER LFA16DBU2A2-7X/420A025€1,079.24Excl. 19% VAT , excl. Shipping Cost
- Bosch Rexroth R900965656. LOGIC COVER LFA40DZWA2-7X/315€1,926.17Excl. 19% VAT , excl. Shipping Cost
-
- Bosch Rexroth R901444439. LOGIC COVER LFA50DB2-7X/380NE€2,420.11Excl. 19% VAT , excl. Shipping Cost
-
- Bosch Rexroth R901237282. LOGIC COVER LFA50DBS2-7X/400P20D15€1,685.31Excl. 19% VAT , excl. Shipping Cost
- Bosch Rexroth R901022092. LOGIC COVER LFA32DZWB2-7X/315X€1,551.36Excl. 19% VAT , excl. Shipping Cost
- Bosch Rexroth R900932339. LOGIC CARTRIDGE VALVE LC32DB00E7X/€404.88Excl. 19% VAT , excl. Shipping Cost
- Bosch Rexroth R900755670. LOGIC COVER LFA50DREZ-7X/014€3,537.46Excl. 19% VAT , excl. Shipping Cost
- Bosch Rexroth R901541107. CONTROL COVER LFA40DBU2B2-7X/400A315V€1,654.66Excl. 19% VAT , excl. Shipping Cost
- Bosch Rexroth R901022088. LOGIC COVER LFA40DBU2A2-7X/100A100V€1,654.66Excl. 19% VAT , excl. Shipping Cost
- Bosch Rexroth R901068682. LOGIC COVER LFA25DBE-7X/P20F12D18V€630.80Excl. 19% VAT , excl. Shipping Cost
- Bosch Rexroth R901324067. LOGIC COVER LFA100DBEM-6X/400V€6,961.67Excl. 19% VAT , excl. Shipping Cost
- Bosch Rexroth R900943948. LOGIC COVER LFA32DRW1-7X/210€1,211.88Excl. 19% VAT , excl. Shipping Cost
- Bosch Rexroth R900960033. LOGIC COVER LFA40DBU2A2-7X/200A050€1,654.66Excl. 19% VAT , excl. Shipping Cost
- Bosch Rexroth R901083033. LOGIC COVER LFA63DBU2B2-7X/400A050P15€3,003.91Excl. 19% VAT , excl. Shipping Cost
-


















