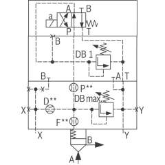
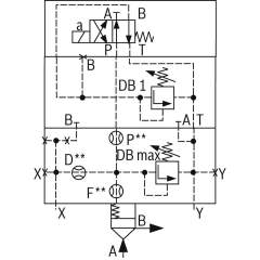
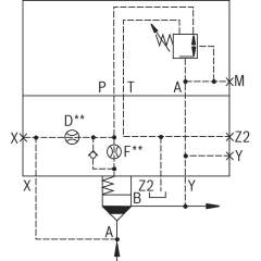
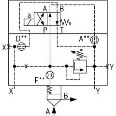
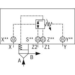
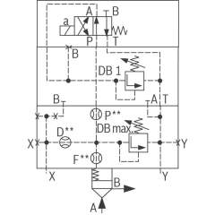
Bosch Rexroth logic elements, pressure function
Bosch Rexroth Cartridge Valves ISO 7368
Advanced Hydraulic Solutions: Logic Elements with Pressure Functions
Explore our comprehensive range of logic elements specifically designed for hydraulic systems, featuring pressure functions that cater to diverse industrial applications. These components are engineered to meet the rigorous demands of modern hydraulic equipment, providing precise control and reliable operation under varying conditions. Each logic element is crafted to integrate seamlessly into hydraulic circuits, optimizing performance and enhancing system efficiency.
Our logic elements are available in several configurations, ensuring compatibility with a wide array of hydraulic setups. They are constructed from high-quality materials, offering durability and long-lasting service life. The advanced design of these elements allows for easy installation and maintenance, minimizing downtime and maximizing productivity. With a focus on delivering exceptional performance, these components are ideal for use in construction, manufacturing, and automation industries.
Technical highlights include a robust pressure management capability, allowing for fine-tuned control over hydraulic flows. This feature is crucial for maintaining system stability and preventing pressure-related malfunctions. Additionally, the logic elements support dynamic response adjustments, ensuring optimal performance even in fluctuating operational environments. The precision engineering of each unit guarantees minimal leakage, enhancing energy efficiency and reducing operational costs.
Whether you are upgrading existing hydraulic systems or developing new solutions, our logic elements with pressure functions provide the reliability and precision required to meet your technical specifications. Trust in our expertly crafted components to deliver superior performance and elevate the capabilities of your hydraulic applications.
- Bosch Rexroth R900969815. LOGIC COVER LFA16DBU2B2-7X/420A200€1,079.24Excl. 19% VAT , excl. Shipping Cost
- Bosch Rexroth R901320697. LOGIC COVER LFA50DBEM-7X/400P360€2,425.51Excl. 19% VAT , excl. Shipping Cost
- Bosch Rexroth R900907425. LOGIC COVER LFA80DBU3D2-6X/315A100B050€5,927.75Excl. 19% VAT , excl. Shipping Cost
- Bosch Rexroth R901023788. LOGIC COVER LFA32DBU2A2-7X/420P320A100P15X12€1,325.38Excl. 19% VAT , excl. Shipping Cost
-
- Bosch Rexroth R901348507. LOGIC COVER LFA25DBU2B2-7X/025A025€1,153.24Excl. 19% VAT , excl. Shipping Cost
- Bosch Rexroth R901125543. LOGIC COVER LFA32DBU2B2-7X/200A100V€1,230.01Excl. 19% VAT , excl. Shipping Cost
- Bosch Rexroth R901262139. LOGIC COVER LFA63DBU2B2-7X/400P315A100P050P30€3,080.03Excl. 19% VAT , excl. Shipping Cost
- Bosch Rexroth R900968912. LOGIC COVER LFA40DRZ-7X/F10D15€1,789.74Excl. 19% VAT , excl. Shipping Cost
-
- Bosch Rexroth R901257861. LOGIC COVER LFA50DBW2-7X/400A00F25€1,685.31Excl. 19% VAT , excl. Shipping Cost
- Bosch Rexroth R901026947. LOGIC COVER LFA50DZ2-7X/315XY€2,597.66Excl. 19% VAT , excl. Shipping Cost
- Bosch Rexroth R901463805. LOGIC COVER LFA40DBW2-7X/400P370€997.43Excl. 19% VAT , excl. Shipping Cost
- Bosch Rexroth R901357871. LOGIC COVER LFA50DZWB2-7X/315€2,929.55Excl. 19% VAT , excl. Shipping Cost
- Bosch Rexroth R901134811. LOGIC COVER LFA32DBW2-7X/420P420X12€838.70Excl. 19% VAT , excl. Shipping Cost
-
-
- Bosch Rexroth R900974857. LOGIC COVER LFA40DBU2A2-7X/100A100€1,654.66Excl. 19% VAT , excl. Shipping Cost
- Bosch Rexroth R900746332. LOGIC COVER LFA50DBU2A2-7X/200A200P00€2,651.92Excl. 19% VAT , excl. Shipping Cost
-
- Bosch Rexroth R900929835. LOGIC COVER LFA25DBU2A2-7X/315A100€1,153.24Excl. 19% VAT , excl. Shipping Cost
- Bosch Rexroth R901538356. LOGIC COVER LFA32DBW2-7X/200NE€1,439.28Excl. 19% VAT , excl. Shipping Cost
- Bosch Rexroth R901362347. LOGIC COVER LFA32DBE-7X/P00F00D10€644.49Excl. 19% VAT , excl. Shipping Cost
- Bosch Rexroth R900911571. LOGIC CARTRIDGE VALVE LC16DB00D7X/€222.01Excl. 19% VAT , excl. Shipping Cost





















