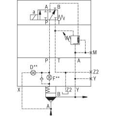
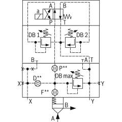
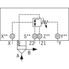
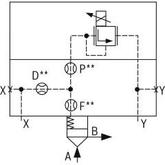
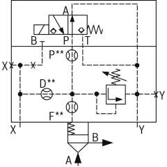
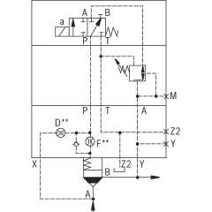
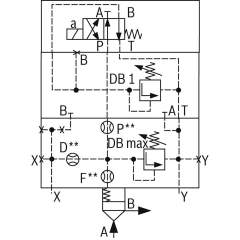
Bosch Rexroth logic elements, pressure function
Bosch Rexroth Cartridge Valves ISO 7368
Advanced Hydraulic Solutions: Logic Elements with Pressure Functions
Explore our comprehensive range of logic elements specifically designed for hydraulic systems, featuring pressure functions that cater to diverse industrial applications. These components are engineered to meet the rigorous demands of modern hydraulic equipment, providing precise control and reliable operation under varying conditions. Each logic element is crafted to integrate seamlessly into hydraulic circuits, optimizing performance and enhancing system efficiency.
Our logic elements are available in several configurations, ensuring compatibility with a wide array of hydraulic setups. They are constructed from high-quality materials, offering durability and long-lasting service life. The advanced design of these elements allows for easy installation and maintenance, minimizing downtime and maximizing productivity. With a focus on delivering exceptional performance, these components are ideal for use in construction, manufacturing, and automation industries.
Technical highlights include a robust pressure management capability, allowing for fine-tuned control over hydraulic flows. This feature is crucial for maintaining system stability and preventing pressure-related malfunctions. Additionally, the logic elements support dynamic response adjustments, ensuring optimal performance even in fluctuating operational environments. The precision engineering of each unit guarantees minimal leakage, enhancing energy efficiency and reducing operational costs.
Whether you are upgrading existing hydraulic systems or developing new solutions, our logic elements with pressure functions provide the reliability and precision required to meet your technical specifications. Trust in our expertly crafted components to deliver superior performance and elevate the capabilities of your hydraulic applications.
-
-
- Bosch Rexroth R901111089. LOGIC COVER LFA63DBU2B2-7X/200A025€2,971.04Excl. 19% VAT , excl. Shipping Cost
- Bosch Rexroth R901162755. LOGIC COVER LFA80DBU2A2-6X/315P300A315P275€5,142.23Excl. 19% VAT , excl. Shipping Cost
- Bosch Rexroth R900938040. LOGIC CARTRIDGE VALVE LC50DB40D7X/€1,035.56Excl. 19% VAT , excl. Shipping Cost
-
- Bosch Rexroth R901298037. LOGIC COVER LFA32DBU2A2-7X/420A420-400€1,230.01Excl. 19% VAT , excl. Shipping Cost
- Bosch Rexroth R900938168. LOGIC COVER LFA25DBW2-7X/315D00€699.48Excl. 19% VAT , excl. Shipping Cost
- Bosch Rexroth R901363785. LOGIC COVER LFA40DB2-7X/400NE€1,773.50Excl. 19% VAT , excl. Shipping Cost
- Bosch Rexroth R901104937. LOGIC COVER LFA32DBU3D3-7X/315A200B100€1,803.84Excl. 19% VAT , excl. Shipping Cost
- Bosch Rexroth R900732637. LOGIC COVER LFA25DZWB1-7X/210X€1,355.89Excl. 19% VAT , excl. Shipping Cost
- Bosch Rexroth R901231597. LOGIC COVER LFA25DZ2-7X/210X€1,214.65Excl. 19% VAT , excl. Shipping Cost
- Bosch Rexroth R900955870. LOGIC COVER LFA63DBS2-7X/400€2,280.15Excl. 19% VAT , excl. Shipping Cost
-
-
- Bosch Rexroth R900951921. LOGIC COVER LFA32DZ2-7X/315X€1,410.13Excl. 19% VAT , excl. Shipping Cost
- Bosch Rexroth R901020816. LOGIC COVER LFA25DBU2A2-7X/200A100€1,153.24Excl. 19% VAT , excl. Shipping Cost
- Bosch Rexroth R901199051. LOGIC COVER LFA50DBS2-7X/315P20D15€1,685.31Excl. 19% VAT , excl. Shipping Cost
- Bosch Rexroth R901015166. LOGIC COVER LFA25DRW3-7X/210€1,031.78Excl. 19% VAT , excl. Shipping Cost
- Bosch Rexroth R900972611. LOGIC COVER LFA40DBU2B2-7X/315A050P00F15D12€1,720.40Excl. 19% VAT , excl. Shipping Cost
- Bosch Rexroth R901510178. LOGIC COVER LFA32DBW2-7X/350NE€1,439.28Excl. 19% VAT , excl. Shipping Cost
- Bosch Rexroth R901168338. LOGIC COVER LFA40DBU2B2-7X/315A050P00€1,687.53Excl. 19% VAT , excl. Shipping Cost
- Bosch Rexroth R900931749. LOGIC COVER LFA100DBU2B1-6X/400A200€5,970.81Excl. 19% VAT , excl. Shipping Cost
- Bosch Rexroth R901238364. LOGIC COVER LFA40DBW2-7X/400P315A12F15D00€1,063.17Excl. 19% VAT , excl. Shipping Cost

















