Bosch Rexroth R900920099. LOGIC COVER LFA80DBU3D2-6X/315A315B200
€5,927.75
Excl. 19% VAT ,
excl. Shipping Cost
Article
BRR-R900920099
Manufacturer Nr.
R900920099
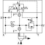
Size 80, manual pressure adjustment, triple, switchable, with mounting surface ISO4401
Frequently Bought Together
-
This Item:
€5,927.75Excl. 19% VAT , excl. Shipping Cost
-
Bosch Rexroth R900975376. LOGIC COVER LFA63DBS2-7X/400V
€2,280.15Excl. 19% VAT , excl. Shipping Cost
-
Bosch Rexroth R901169205. LOGIC COVER LFA40DB2-7X/340NE
€1,773.50Excl. 19% VAT , excl. Shipping Cost
Total price
Control cover for 2-way cartridge valves, reliable limiting of the pressure in connection with a 2-way cartridge valve according to the hydraulic symbol.
| Product attributes | |
|---|---|
Max. pressure [bar] |
400 |
Type of connection |
Subplate mounting |
Size |
80 |
Type of actuation |
manual pressure adjustment |
Hydraulic fluid |
HL,HLP,HLPD,HVLP,HVLPD,HFC |
Seals |
NBR |
Weight [kg] |
42.5 |
| Manufacturer Nr. | R900920099 |
|---|---|
| Manufacturer | Bosch Rexroth |
| GPSR manufacturer information | Bosch Rexroth AG, Zum Eisengießer 1, DE-97816 Lohr am Main, www.boschrexroth.com |
| Weight | 42.500000 |
| Article authenticity | Original product |
| Condition of article | New |
Customers Who Bought This Item Also Bought












