The store will not work correctly when cookies are disabled.
JavaScript seems to be disabled in your browser.
For the best experience on our site, be sure to turn on Javascript in your browser.
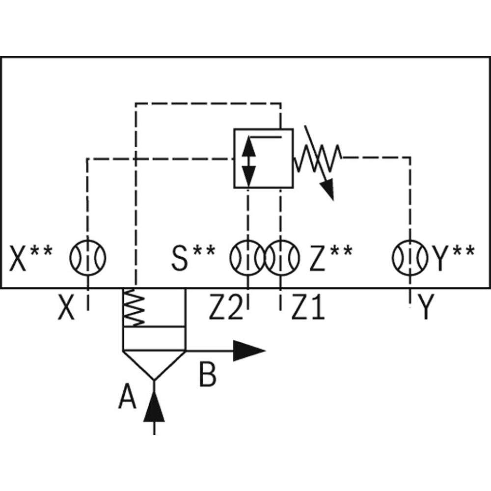
Bosch Rexroth R901226464. LOGIC COVER LFA63DBU2B2-7X/400P285A100P050P30
Size 63, manual pressure adjustment, dual, switchable, with mounting surface ISO4401
Frequently Bought Together
Control cover for 2-way cartridge valves, reliable limiting of the pressure in connection with a 2-way cartridge valve according to the hydraulic symbol.
Product attributes
Max. pressure [bar]
400
Type of connection
Subplate mounting
Size
63
Type of actuation
manual pressure adjustment
Hydraulic fluid
HL,HLP,HLPD,HVLP,HVLPD,HFC
Seals
NBR
Weight [kg]
20.32
More Information
Manufacturer Nr.
R901226464
Manufacturer
Bosch Rexroth
GPSR manufacturer information
Bosch Rexroth AG, Zum Eisengießer 1, DE-97816 Lohr am Main, www.boschrexroth.com
Weight
20.320000
Article authenticity
Original product
Condition of article
New
Customers Who Bought This Item Also Bought
All
Brands
Pneumatics
Aventics Pneumatics
Aventics Cylinder
Aventics Valves
Aventics Connection Technology
Aventics Sensors
Aventics Pneumatic Air Preparation
Aventics Various Articles
Aventics Vacuum Technology
Aventics Catalog Products
Festo Pneumatics
Festo Pneumatic Actuators
Festo Sensors
Festo Handling Systems
Festo Servo-Pneumatic Positioning Systems
Festo Valves
Festo Vacuum Technology
Festo Gripper
Festo Electric Drives
Festo Electrical Connection Technology
Festo Valve Manifolds
Festo Compressed Air Preparation
Festo Other Pneumatic Devices
Festo Control Technology
Festo Pneumatic Connection Technology
Festo Motors and Controllers
Festo Process Automation
Festo Motion Terminal
Festo Software
SMC Pneumatics
SMC Air Preparation
SMC SMC-S
SMC Valves
SMC Power and Check Valves
SMC Vacuum
SMC Electric Drives
SMC Drives
SMC Screw/Push-in Fittings
SMC Process Technology
SMC Instrumentation
SMC SMC-H
Nitto Kohki Pneumatics
Nitto Kohki Low Pressure up to 19 bar
Nitto Kohki Medium Pressure up to 75 bar
Nitto Kohki high pressure up to 700 bar
Nitto Kohki Mold Making
Nitto Kohki Multi-Couplings
Nitto Kohki Cleanroom Technology
Nitto Kohki Noble Gases and Vacuum
Nitto Kohki Quick Couplings
Nitto Kohki Tools
Nitto Kohki Pumps & Compressors
Norgren Pneumatics
Norgren 230 Valve Islands
Norgren 224 Proportional Valves
Norgren 212 Valve Base Plates
Norgren 210 Valves
Norgren 180 Norgren
Norgren 140 Cylinder Stainless Steel Products
Norgren 130 Norgren
Norgren 120 Norgren
Norgren 111 ISO Cylinder >160 mm
Norgren 110 ISO Profile Cylinder
Norgren Standard
Norgren 970 Special Fittings
Norgren 948 Process Safety Valves
Norgren 946 Norgren
Norgren 930 Norgren
Norgren 944 Norgren
Norgren 310 FRL, compressed air preparation
Norgren 904 Spare Parts
Norgren 920 Norgren
Norgren 915 FRL Special Item
Norgren 910 FRL Air Preparation
Norgren 905 Vacuum Pumps, Shock Absorbers
Norgren 903 Lintra Cylinder
Norgren 901 Spare Parts
Norgren 902 Herion
Norgren 900 Norgren
Norgren 610 Norgren
Norgren 420 Fittings Stainless Steel
Norgren 415 Fittings Pneufit C
Norgren 410 Fittings
Norgren 333 Pressure Switch
Norgren 320 Maintenance Units
Norgren 313 Pressure Switch
Norgren 620 bellows cylinder, suction cups
Riegler Pneumatics
Riegler Pressure and Temperature Measurement
Riegler Compressed Air Preparation and Regulation
Riegler Compressed Air Piping System
Riegler Noise Reduction
Riegler Threaded Fittings
Riegler Couplings
Riegler Measurement Technology
Riegler Pneumatic Drives/Cylinders
Riegler Hoses
Riegler Hose and Pipe Connectors
Riegler Welding Technology
Riegler Lock and Flow Valves
Riegler Control and Directional Valves
Riegler Vacuum Technology
Riegler Valves and Shut-off Devices
Riegler Distributor for Compressed Air
Riegler Water Treatment and Control
Riegler Compressed Air Guns
Pneumatic Cylinder
Vibrators
Compact Slide with Ball Bearing Guide ELS
Pivot Clamp Cylinder SQK
Fastening material
Rodless cylinders
Pneumatic Cylinder ISO 15552
Round Cylinder ISO 6432
Guide cylinder
Compact Cylinder SQ
Round cylinder
Compact Cylinder ISO 21287
Compact Cylinder Unitop
Short-stroke Cylinder ND/NE
Compact Rotary Tables EMQ 7-50
Industrial Shock Absorbers
Vacuum Ejectors
Double Piston Cylinder EXSM
Cylinder Switch & Sensors
Compact Cylinder LCDQ
RWA cylinder
Stainless Steel Round Cylinder ISO 6431
Oil brake cylinder
Parallel Gripper SHZ
Compact Slide with Ball Guide EXH
Direct Mount Cylinder EU
Limit switch and relay
Screw-in cylinder
Pneumatic Valves
ISO Valves 5599-1
Solenoid Valves NAMUR
Limit switches, pushbutton valves
Logic Valves
Airtec Solenoid Valves
Solenoid Valves YPC
Limit switches and pushbutton valves
Solenoid Valves
Accessories
Check valves
Solenoid valves 2/2 and 3/2-way
Pneumatically actuated valves Airtec
Valve islands
Silencer
Stainless Steel Valves
Hollow screw valves
Throttle valves
Pneumatic Pressure Regulator
Level switch
Flow meter
Thermometer
Measuring and Plug Connections
Precision pressure gauge, contact pressure gauge
Manometer, horizontal
Manometer, vertical
Condensate Technology
Pressure regulators and filters
Pressure and vacuum switch
Water pressure reducer
Maintenance Devices Multifix
Maintenance Devices Futura
Air treatment
Maintenance Devices Mini
Safety Valves
Accessories for manometers
Brass and Stainless Steel Maintenance Equipment
Combined maintenance units
Maintenance Devices Eco-Line
Precision Pressure Regulator
Pneumatic Couplings
Quick Coupling NW 2.7
Camlock Couplings
Tanker Truck Couplings
Compressor Couplings
Vehicle Clutches EDBRO&DIN
Flat-Face Couplings ISO 16028
Hydraulic Couplings
Multiple Couplings
Hydraulic Screw Couplings ISO 14541
Hydraulic Pipe Couplings ISO 14540
Sandblasting Couplings
Firefighting Couplings
Guillemin couplings
Quick coupling made of POM/PVDF NW 7.2
Quick coupling made of POM/PVDF NW 5
Temperature Control Couplings NW 6 - 9mm
Quick Release Coupling NW 19
Quick Coupling NW 15
Quick Release Coupling NW 12
Quick Coupling NW 10
Quick Coupling ARO/ORION NW 5.5
Coded Workshop Couplings NW 7.2
Coded Quick Coupling NW 5
Workshop NW 7.2
Safety Couplings NW 10
Temperature Control Couplings NW 9 - 13mm
Workshop Safety Couplings NW 7.2
Quick Coupling NW 5
Hydraulics
Bosch Rexroth Hydraulics
Bosch Rexroth Pumps
Bosch Rexroth Valves
Bosch Rexroth Electronics and Controls
Bosch Rexroth Cylinder
Bosch Rexroth Sensors
Bosch Rexroth Storage
Bosch Rexroth Power Unit
Bosch Rexroth Motors
Bosch Rexroth Catalog Products
Bosch Rexroth Filter Elements
Hydac Hydraulics
Hydac control blocks, housings
Hydac Fastenings
Hydac Measuring Instruments
Hydac Sensors
Hydac pump carrier
Hydac heat exchanger, cooler
Hydac Valves/Ball Valves
Hydac Filtration and Care
Hydac Valves
Hydac Pumps
Enerpac Hydraulics
Enerpac System Components
Enerpac Heavy Lifting Technology
Enerpac Pumps
Enerpac Flange Maintenance Tools
Enerpac Cylinders and Lifting Equipment
Enerpac Tools
Enerpac Torque and Tension Tools
Enerpac Clamping Cylinder
Enerpac Cutting Tools
Enerpac Puller
Enerpac Spare Parts
KTR Hydraulics
KTR Oil Tank
KTR Damping Rings
KTR Damping Rail
KTR Flanges
KTR temperature sensors and switches
KTR Oil/Water Cooler
KTR Oil Cooler
KTR Pump Carrier
KTR Tank Heaters
KTR Drive Technology
Hydraulic cylinder
Piston rod material
Hydraulic Rod Ends
HDS with piston rod thread, double-acting
HEQ Single-Acting
HDQS with rod end, double-acting
HDQ with rod end, double-acting
HDF with mounting flange, double-acting
HDG with rod end, double-acting
Hydraulic Valves
Gear Pumps
Accessories
Three-phase motors
Throttle check valves
Hand lever valves
Pressure relief valves
Slide Valves 6/2-Way
Connection plates
Intermediate plate valves
Pressure relief valves
Seat valves 2/2-way
Directional valves
Stauff Hydraulics
Stauff Clamps
Stauff Connect
Stauff Flanges
Stauff Hose Fittings
Stauff Quick Couplings
Stauff Valves
Stauff Test
Stauff Diagtronics
Stauff Filtration Technology
Stauff Hydraulic Accessories
END Valves
This website uses cookies to improve your experience. By clicking “Accept”, you consent to the use of ALL the cookies. However you may visit Cookie Settings to provide a controlled consent.
Deny
Accept Selection
Accept All