The store will not work correctly when cookies are disabled.
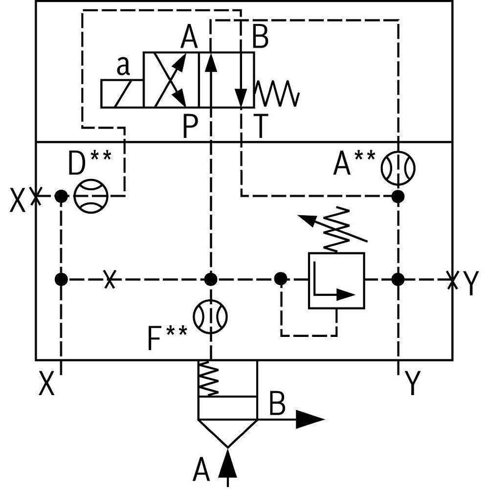
Bosch Rexroth R901153949. Logik-Deckel LFA40DZ2-7X/050S00X00Y00Z00
Hersteller-Nr.
R901153949
Nenngröße 40, manuelle Druckeinstellung für Zuschaltdruck
Steuerdeckel für 2-Wege-Einbauventile. Zuverlässiges Zuschalten eines Druckes in Verbindung mit einem 2-Wege-Einbauventil gemäß Hydrauliksymbol.
|
Produkteigenschaften
|
|
Anschlussbild |
ISO 7368 |
Max. Druck [bar] |
315 |
Anschlussart |
Plattenaufbau |
Nenngröße |
40 |
Betätigungsart |
manuelle Druckeinstellung |
Druckflüssigkeit |
HL,HLP,HLPD,HVLP,HVLPD,HFC |
Dichtungen |
NBR |
Gewicht [kg] |
3.8 |
Weitere Informationen
| Hersteller-Nr. |
R901153949 |
| Hersteller |
Bosch Rexroth |
| GPSR manufacturer information |
Bosch Rexroth AG, Zum Eisengießer 1, DE-97816 Lohr am Main, www.boschrexroth.com |
| Gewicht |
3.800000 |
| Artikel-Authentizität |
Originalprodukt |
| Artikelzustand |
Neu |
Kunden, die diesen Artikel gekauft haben, auch gekauft
Diese Website verwendet Cookies, um Ihr Erlebnis zu verbessern. Wenn Sie auf "Akzeptieren" klicken, stimmen Sie der Verwendung von allen Cookies zu.