The store will not work correctly when cookies are disabled.
Bosch Rexroth R901046309. Logik-Deckel LFA50DRW2-7X/025
Hersteller-Nr.
R901046309
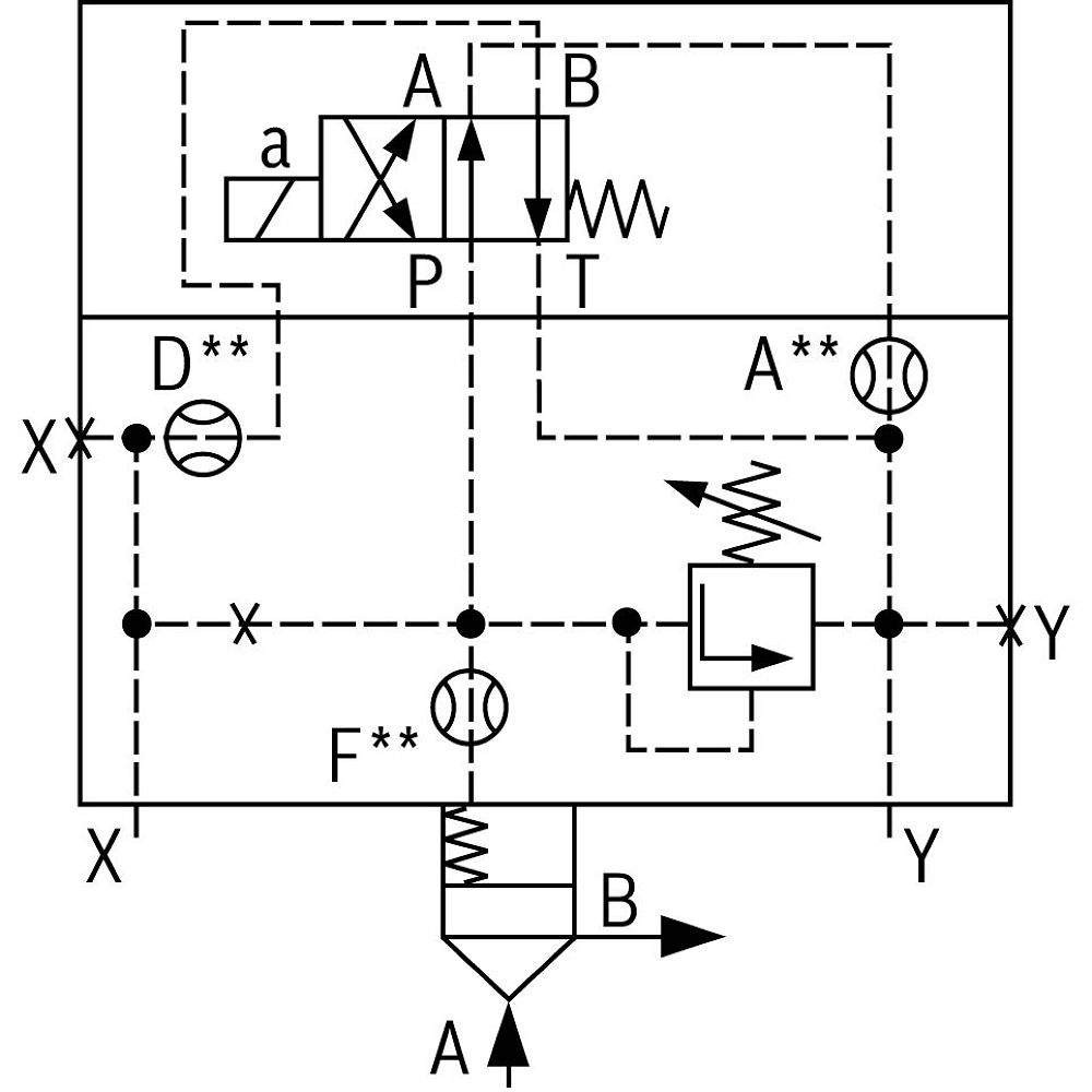
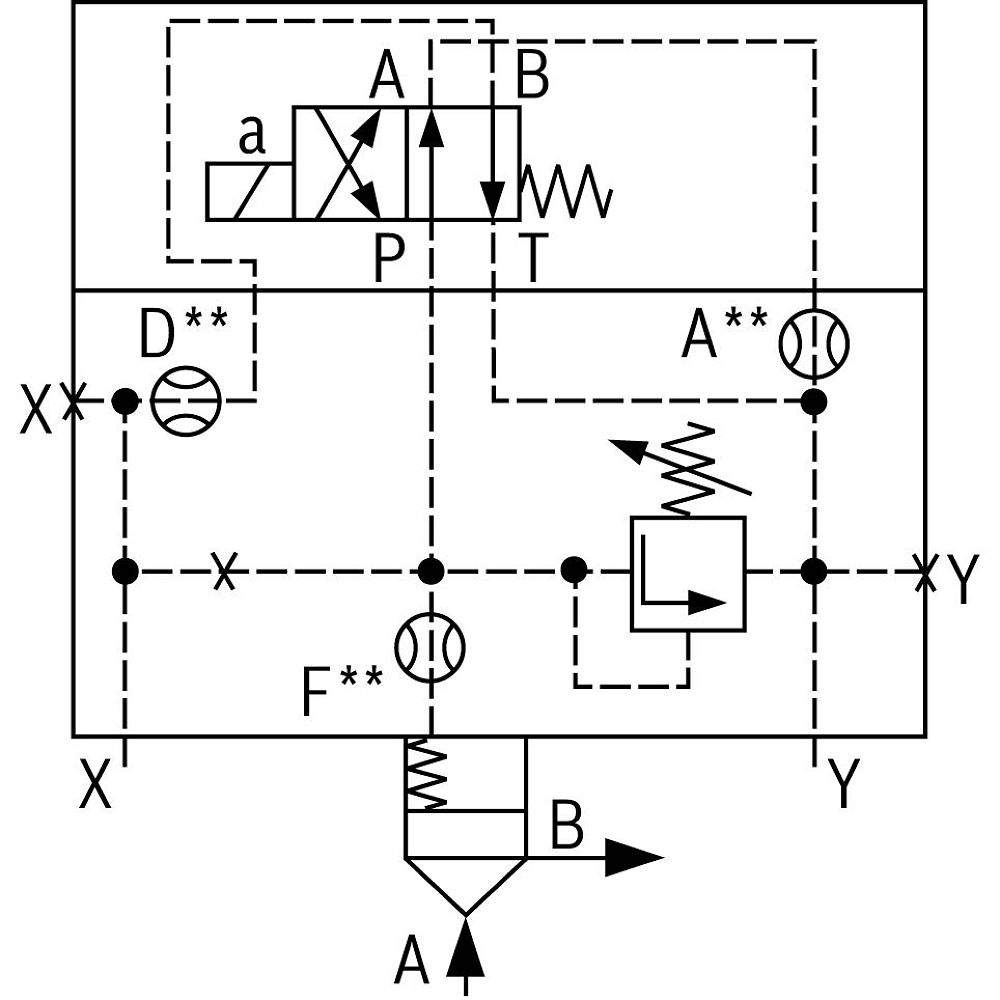
Nenngröße 50, Mechanisch, blockierbare Druckreduzierung mit Aufbaufläche ISO4401
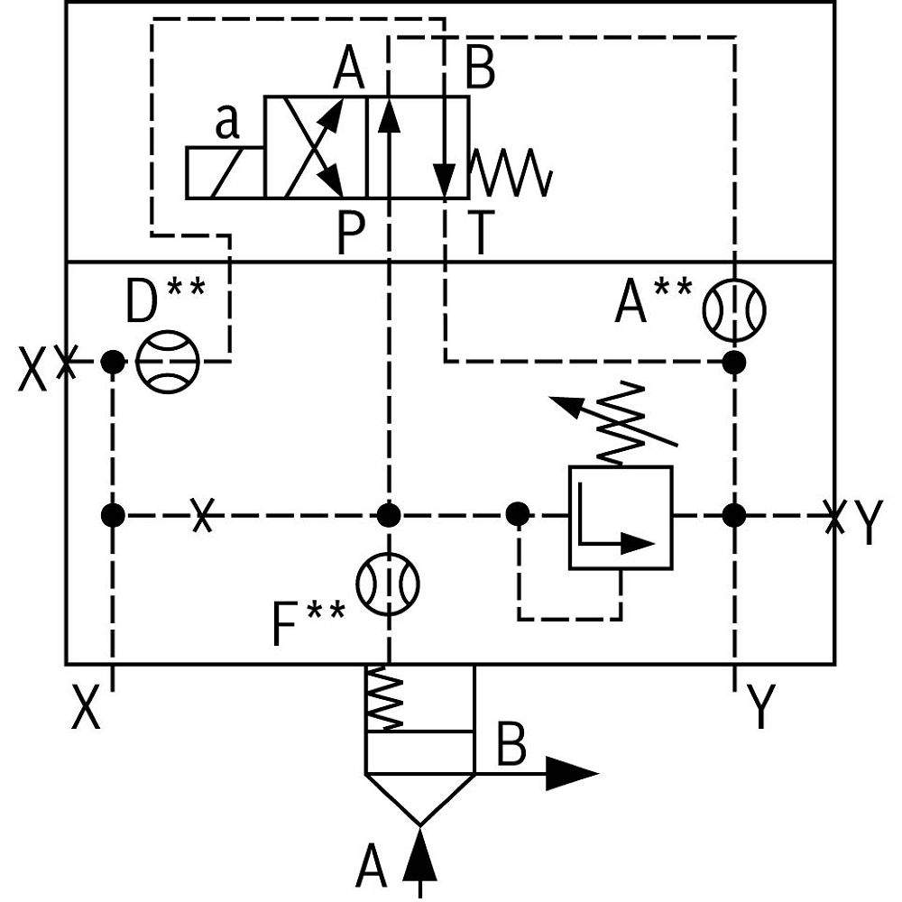
Steuerdeckel für 2-Wege-Einbauventile. Zuverlässiges Reduzieren des Druckes in Verbindung mit einem 2-Wege-Einbauventil gemäß Hydrauliksymbol.
|
Produkteigenschaften
|
|
Anschlussbild |
ISO 7368 |
Max. Druck [bar] |
350 |
Kolbensymbol |
Symbol DRW |
Anschlussart |
Plattenaufbau |
Nenngröße |
50 |
Betätigungsart |
manuelle Druckreduzierung |
Druckflüssigkeit |
HL,HLP,HLPD,HVLP,HVLPD,HFC |
Dichtungen |
NBR |
Gewicht [kg] |
10.7 |
Weitere Informationen
| Hersteller-Nr. |
R901046309 |
| Hersteller |
Bosch Rexroth |
| GPSR manufacturer information |
Bosch Rexroth AG, Zum Eisengießer 1, DE-97816 Lohr am Main, www.boschrexroth.com |
| Gewicht |
10.700000 |
| Artikel-Authentizität |
Originalprodukt |
| Artikelzustand |
Neu |
Kunden, die diesen Artikel gekauft haben, auch gekauft
Diese Website verwendet Cookies, um Ihr Erlebnis zu verbessern. Wenn Sie auf "Akzeptieren" klicken, stimmen Sie der Verwendung von allen Cookies zu.