The store will not work correctly when cookies are disabled.
Bosch Rexroth R900969106. Logik-Deckel LFA16DBU2B2-7X/315A315
Hersteller-Nr.
R900969106
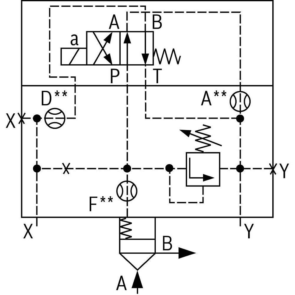
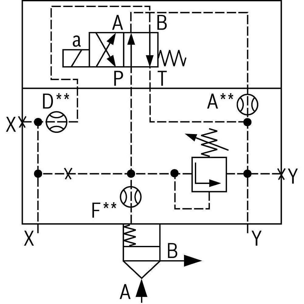
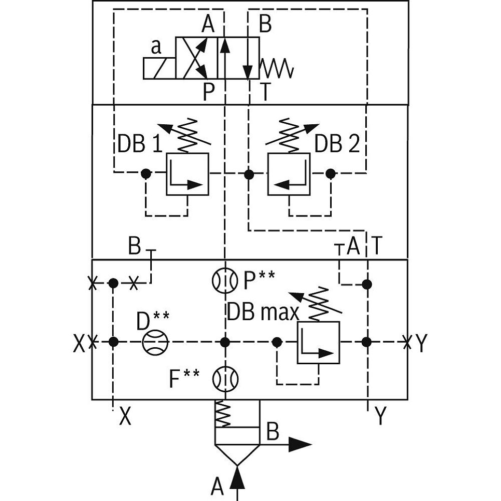
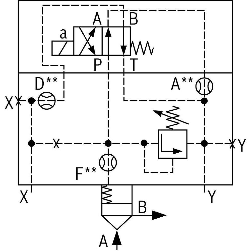
Nenngröße 16, Manuelle Druckeinstellung, zweifach, umschaltbar, mit Aufbaufläche ISO4401
Steuerdeckel für 2-Wege-Einbauventile, Zuverlässiges Begrenzen des Druckes in Verbindung mit einem 2-Wege-Einbauventil gemäß Hydrauliksymbol
|
Produkteigenschaften
|
|
Max. Druck [bar] |
420 |
Anschlussart |
Plattenaufbau |
Nenngröße |
16 |
Betätigungsart |
manuelle Druckeinstellung |
Druckflüssigkeit |
HL,HLP,HLPD,HVLP,HVLPD,HFC |
Dichtungen |
NBR |
Gewicht [kg] |
2.74 |
Weitere Informationen
| Hersteller-Nr. |
R900969106 |
| Hersteller |
Bosch Rexroth |
| GPSR manufacturer information |
Bosch Rexroth AG, Zum Eisengießer 1, DE-97816 Lohr am Main, www.boschrexroth.com |
| Gewicht |
2.740000 |
| Artikel-Authentizität |
Originalprodukt |
| Artikelzustand |
Neu |
Kunden, die diesen Artikel gekauft haben, auch gekauft
Diese Website verwendet Cookies, um Ihr Erlebnis zu verbessern. Wenn Sie auf "Akzeptieren" klicken, stimmen Sie der Verwendung von allen Cookies zu.