The store will not work correctly when cookies are disabled.
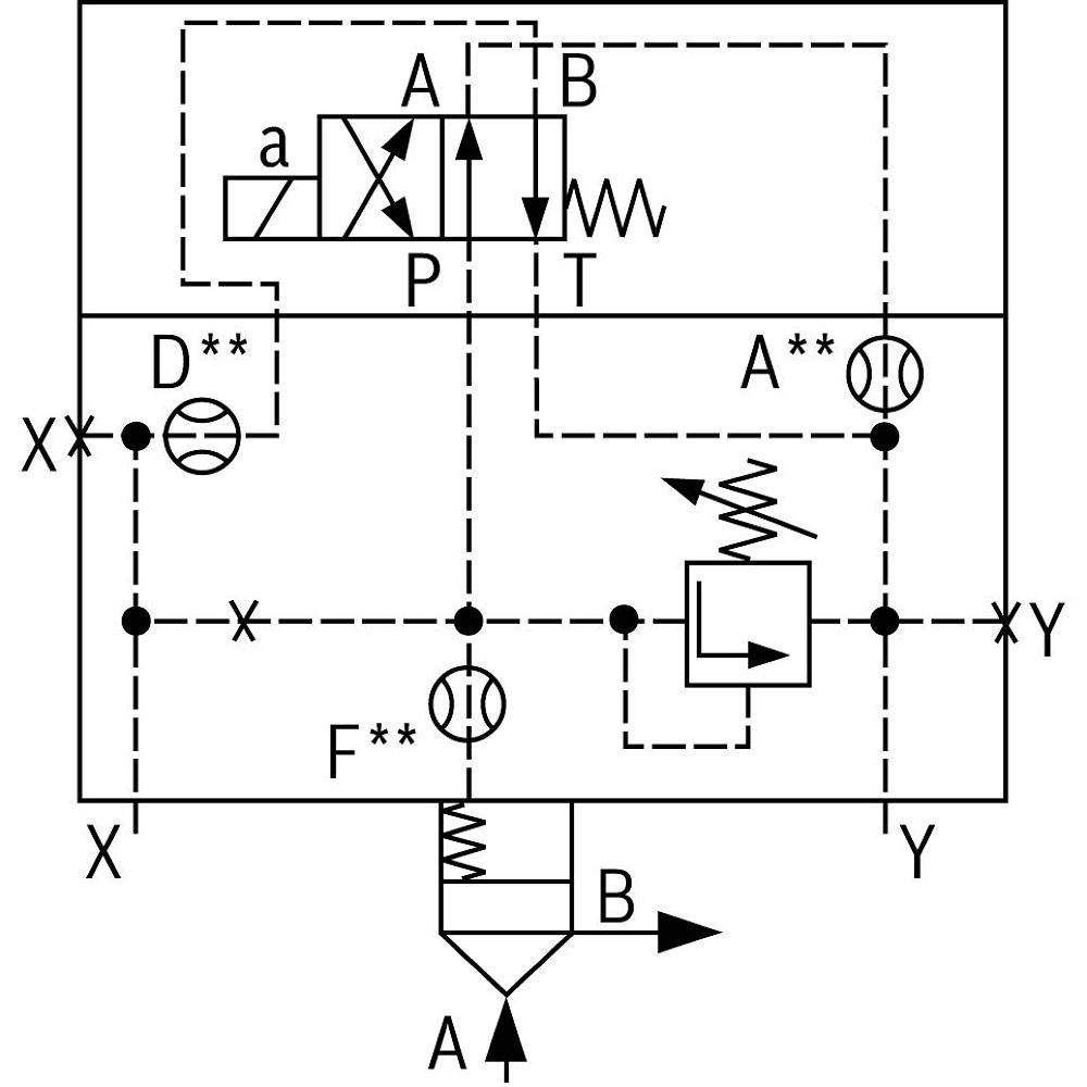
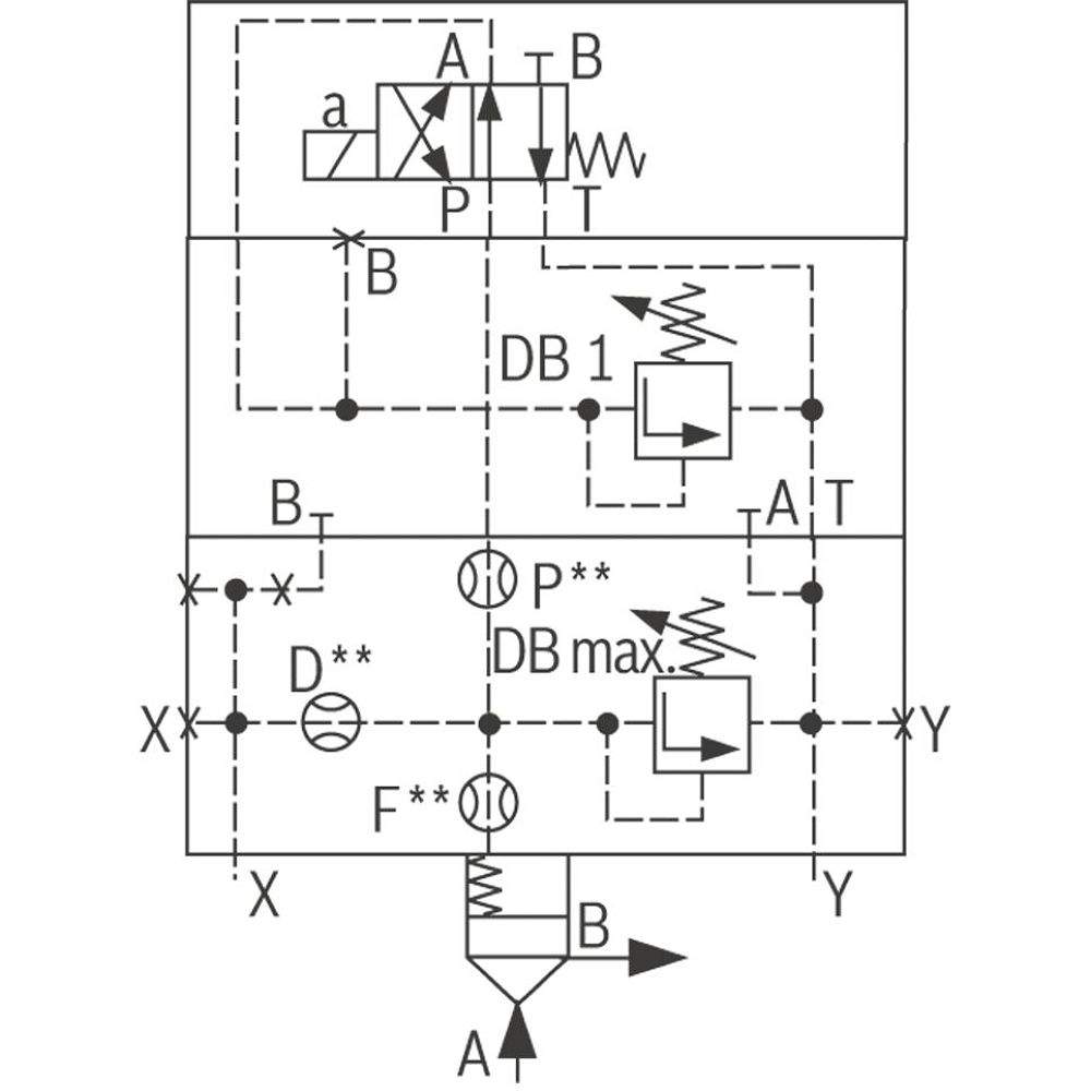
Bosch Rexroth R900938071. Logik-Einbauventil LC63DR40E7X/
Hersteller-Nr.
R900938071
Nenngröße 63, B → A, hydraulisch betätigt
Industrielles Hydraulikventil im hohen Leistungsbereich. Zuverlässige Druckreduzierung auf Einstellwert.
|
Produkteigenschaften
|
|
Anschlussbild |
ISO 7368-12-11-1-16 |
Max. Druck [bar] |
315 |
Max. Volumenstrom [l/min] |
2000 |
Kolbensymbol |
B → A |
Anschlussart |
Einbauventil |
Nenngröße |
63 |
Betätigungsart |
mit hydraulischer Betätigung |
Anzahl Anschlüsse |
2 |
Anzahl Schaltstellungen |
2 |
Druckflüssigkeit |
HL,HLP,HLPD,HVLP,HVLPD,HFC |
Dichtungen |
NBR |
Gewicht [kg] |
7 |
Weitere Informationen
| Hersteller-Nr. |
R900938071 |
| Hersteller |
Bosch Rexroth |
| GPSR manufacturer information |
Bosch Rexroth AG, Zum Eisengießer 1, DE-97816 Lohr am Main, www.boschrexroth.com |
| Gewicht |
7.000000 |
| Artikel-Authentizität |
Originalprodukt |
| Artikelzustand |
Neu |
Kunden, die diesen Artikel gekauft haben, auch gekauft
Diese Website verwendet Cookies, um Ihr Erlebnis zu verbessern. Wenn Sie auf "Akzeptieren" klicken, stimmen Sie der Verwendung von allen Cookies zu.