The store will not work correctly when cookies are disabled.
Bosch Rexroth R900919723. Logik-Einbauventil LC25DB40D7X/-004
Hersteller-Nr.
R900919723
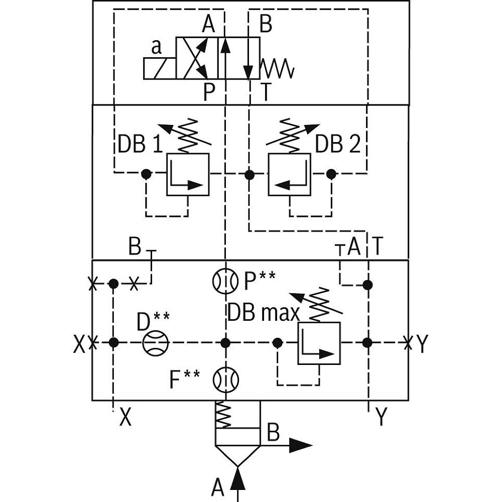
Nenngröße 25, A → B, hydraulisch betätigt
Industrielles Hydraulikventil im hohen Leistungsbereich. Zuverlässige Druckentlastung auf Einstellwert.
|
Produkteigenschaften
|
|
Anschlussbild |
ISO 7368-08-3-1-16 |
Max. Druck [bar] |
420 |
Max. Volumenstrom [l/min] |
400 |
Kolbensymbol |
A → B |
Anschlussart |
Einbauventil |
Nenngröße |
25 |
Betätigungsart |
mit hydraulischer Betätigung |
Anzahl Anschlüsse |
2 |
Anzahl Schaltstellungen |
2 |
Druckflüssigkeit |
HL,HLP,HLPD,HVLP,HVLPD,HFC |
Dichtungen |
NBR |
Gewicht [kg] |
0.5 |
Weitere Informationen
| Hersteller-Nr. |
R900919723 |
| Hersteller |
Bosch Rexroth |
| GPSR manufacturer information |
Bosch Rexroth AG, Zum Eisengießer 1, DE-97816 Lohr am Main, www.boschrexroth.com |
| Gewicht |
0.500000 |
| Artikel-Authentizität |
Originalprodukt |
| Artikelzustand |
Neu |
Kunden, die diesen Artikel gekauft haben, auch gekauft
Diese Website verwendet Cookies, um Ihr Erlebnis zu verbessern. Wenn Sie auf "Akzeptieren" klicken, stimmen Sie der Verwendung von allen Cookies zu.