The store will not work correctly when cookies are disabled.
Bosch Rexroth R900755670. Logik-Deckel LFA50DREZ-7X/014
Hersteller-Nr.
R900755670
Nenngröße 50, proportionale Druckreduzierung mit Aufbaufläche ISO4401 für Druckventile
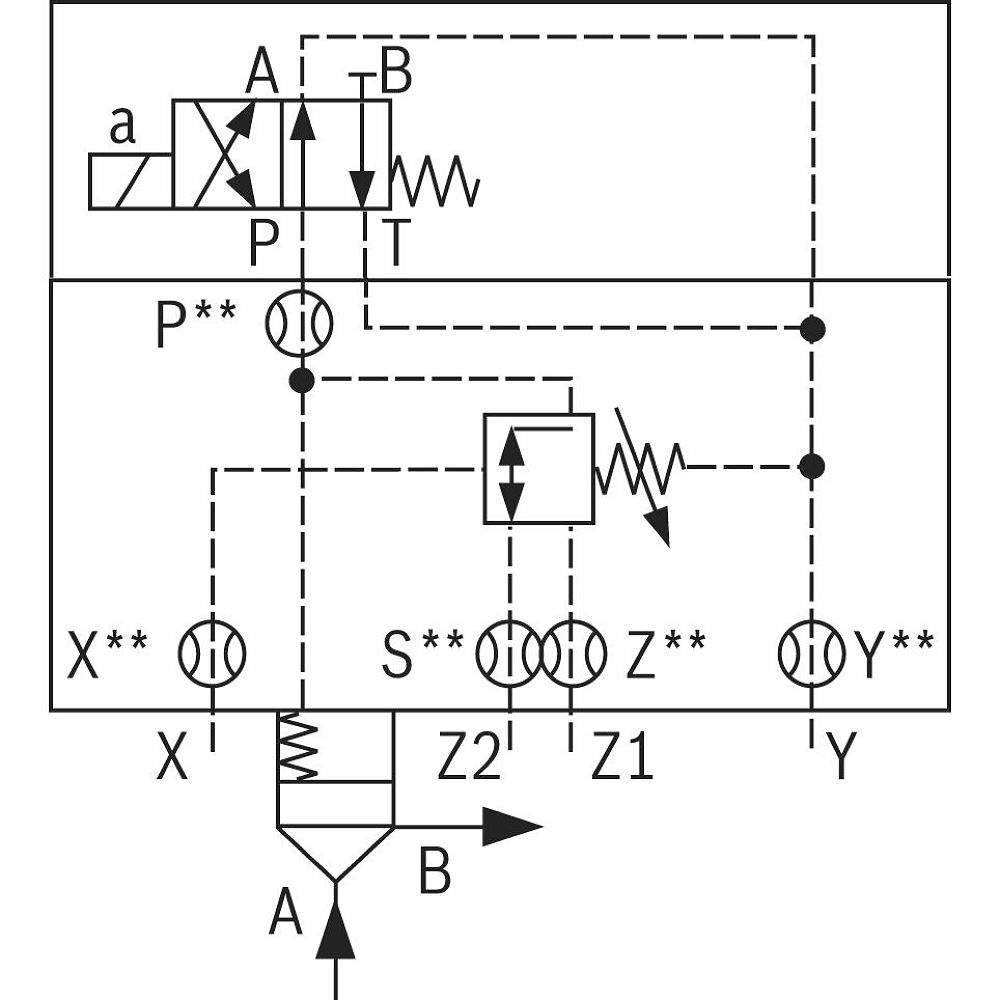
Steuerdeckel für 2-Wege-Einbauventile. Zuverlässiges Reduzieren des Druckes in Verbindung mit einem 2-Wege-Einbauventil gemäß Hydrauliksymbol.
|
Produkteigenschaften
|
|
Anschlussbild |
ISO 7368 |
Max. Druck [bar] |
350 |
Kolbensymbol |
Symbol DREZ |
Anschlussart |
Plattenaufbau |
Nenngröße |
50 |
Betätigungsart |
proportionale Druckreduzierung mit Aufbaufläche ISO4401 für Druckventile |
Druckflüssigkeit |
HL,HLP,HLPD,HVLP,HVLPD,HFC |
Dichtungen |
NBR |
Gewicht [kg] |
11.3 |
Weitere Informationen
| Hersteller-Nr. |
R900755670 |
| Hersteller |
Bosch Rexroth |
| GPSR manufacturer information |
Bosch Rexroth AG, Zum Eisengießer 1, DE-97816 Lohr am Main, www.boschrexroth.com |
| Gewicht |
11.300000 |
| Artikel-Authentizität |
Originalprodukt |
| Artikelzustand |
Neu |
Kunden, die diesen Artikel gekauft haben, auch gekauft
Diese Website verwendet Cookies, um Ihr Erlebnis zu verbessern. Wenn Sie auf "Akzeptieren" klicken, stimmen Sie der Verwendung von allen Cookies zu.