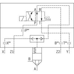
Bosch Rexroth Logikelemente, Wegefunktion
Bosch Rexroth Einbauventile ISO 7368
Optimierte Logikelemente mit Wegefunktion nach ISO 7368 für Hydrauliksysteme
Die Logikelemente mit Wegefunktion nach ISO 7368 bieten eine präzise und effiziente Lösung für anspruchsvolle Hydraulikanwendungen. Diese Komponenten sind speziell konzipiert, um in komplexen Systemen eine zuverlässige Steuerung und Regelung zu gewährleisten. Die technologische Ausführung ermöglicht eine nahtlose Integration in bestehende Hydrauliksysteme und unterstützt eine hohe Betriebssicherheit.
Ein herausragendes Merkmal dieser Logikelemente ist ihre modulare Bauweise, die eine einfache Anpassung an spezifische Anforderungen ermöglicht. Durch die Integration in Hydraulikventile können verschiedene Wegefunktionen realisiert werden, was die Flexibilität und Effizienz der gesamten Anlage steigert. Die präzise Fertigung sorgt für eine optimale Durchflussregelung und minimiert Druckverluste, was zu einer verbesserten Systemleistung führt.
Diese Logikelemente sind ideal für den Einsatz in industriellen Anwendungen geeignet, bei denen hohe Anforderungen an die Steuerungsgenauigkeit und Zuverlässigkeit gestellt werden. Sie finden Verwendung in Bereichen wie der Maschinenbauindustrie, der Automatisierungstechnik und in mobilen Arbeitsmaschinen. Die robuste Konstruktion gewährleistet eine lange Lebensdauer und eine hohe Beständigkeit gegenüber äußeren Einflüssen.
Technische Highlights dieser Logikelemente umfassen eine exakte Reaktionsfähigkeit und eine hohe Wiederholgenauigkeit, die durch modernste Fertigungstechniken erreicht werden. Die Verwendung hochwertiger Materialien gewährleistet eine ausgezeichnete Korrosionsbeständigkeit und mechanische Stabilität. Diese Eigenschaften machen die Logikelemente zu einer bevorzugten Wahl für Ingenieure und Techniker, die auf der Suche nach zuverlässigen und leistungsstarken Lösungen für ihre Hydrauliksysteme sind.
- Bosch Rexroth R900957524. Logik-Einbauventil LC160B20D2X/23.459,51 € 19.713,87 €exkl. Versandkosten
-
-
-












