Bosch Rexroth Logikelemente, Druckfunktion

Bosch Rexroth Einbauventile ISO 7368

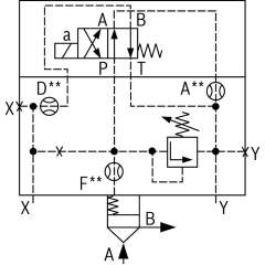
Logikelemente mit Druckfunktion für Hydraulikanwendungen

Logikelemente mit Druckfunktion sind essenzielle Komponenten in hydraulischen Systemen, die eine präzise Steuerung und Regulierung des Drucks ermöglichen. Diese Einbauventile, konform mit der Norm ISO 7368, bieten eine zuverlässige und effiziente Lösung für verschiedenste Anwendungen in der Industrie. Die exakte Konstruktion dieser Ventile gewährleistet eine stabile und konsistente Druckkontrolle, sodass sie ideal für komplexe hydraulische Schaltungen sind.

Die technischen Merkmale dieser Logikelemente umfassen eine hohe Durchflusskapazität und eine robuste Bauweise, die auch bei hohen Betriebsdrücken eine lange Lebensdauer garantiert. Sie sind für den Einsatz in anspruchsvollen Umgebungen konzipiert und bieten eine herausragende Leistungsfähigkeit bei minimalem Wartungsaufwand. Dank ihrer modularen Bauweise lassen sich diese Ventile flexibel in bestehende Systeme integrieren und ermöglichen eine einfache Anpassung an individuelle Anforderungen.

In der Praxis finden Logikelemente mit Druckfunktion breite Anwendung in Maschinenbau, Automatisierungstechnik und vielen weiteren industriellen Bereichen. Ihre Fähigkeit, präzise Druckverhältnisse zu steuern, macht sie zu einer unverzichtbaren Komponente in jeder modernen hydraulischen Anlage. Anwender profitieren von einer verbesserten Systemeffizienz, da diese Ventile eine reibungslose und kontrollierte Energienutzung sicherstellen.

Diese hochwertigen Produkte zeichnen sich durch ihre Zuverlässigkeit und Langlebigkeit aus und tragen maßgeblich zur Optimierung von Produktionsprozessen bei. Durch die Implementierung von Logikelementen mit Druckfunktion können Unternehmen nicht nur die Betriebskosten senken, sondern auch die Sicherheit und Leistung ihrer hydraulischen Systeme signifikant verbessern.

Anzeigen als Liste Liste

Artikel 745-768 von 1358

Absteigend sortieren
pro Seite