Bosch Rexroth Einbauventile ISO 7368
Bosch Rexroth Ventile
Präzise Einbauventile nach ISO 7368 für Hydraulikanwendungen
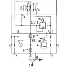
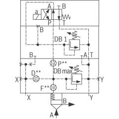
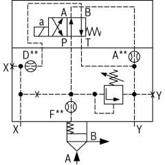
Einbauventile nach ISO 7368 bieten eine vielseitige und zuverlässige Lösung für anspruchsvolle Hydraulikanwendungen. Diese Ventile sind bekannt für ihre kompakte Bauweise und die Fähigkeit, hohen Druck zu bewältigen, was sie ideal für eine Vielzahl von industriellen Anwendungen macht. Die Einbauventile ermöglichen eine präzise Steuerung und Regelung des Hydraulikflusses, was zu einer verbesserten Effizienz und Leistung der gesamten Anlage beiträgt.
Ein besonderes Merkmal dieser Ventile ist ihre modulare Bauweise, die eine einfache Integration in bestehende Systeme ermöglicht. Dies sorgt nicht nur für Flexibilität bei der Systemgestaltung, sondern reduziert auch die Wartungszeiten erheblich. Die Einbauventile sind in verschiedenen Größen und Durchflusskapazitäten erhältlich, um den spezifischen Anforderungen jeder Anwendung gerecht zu werden.
Dank der hohen Qualitätsstandards und der robusten Materialien, aus denen diese Ventile gefertigt sind, bieten sie eine lange Lebensdauer und Zuverlässigkeit. Die Ventile sind für den Einsatz in einer Vielzahl von Umgebungen geeignet und können problemlos in Hydraulikanlagen eingesetzt werden, die unter extremen Bedingungen arbeiten.
Diese Einbauventile zeichnen sich durch eine hervorragende Dichtleistung und geringe Leckage aus, was zu einer verbesserten Systemeffizienz führt. Sie sind mit verschiedenen Steueroptionen ausgestattet, die eine präzise Anpassung an spezifische Betriebsanforderungen ermöglichen. Die einfache Wartung und der Austausch von Komponenten tragen zusätzlich zur Kosteneffizienz bei.
Insgesamt bieten die Einbauventile nach ISO 7368 eine erstklassige Lösung für Hydrauliksysteme, die auf höchste Präzision und Zuverlässigkeit angewiesen sind. Ihre Vielseitigkeit und die Fähigkeit, in unterschiedlichen Anwendungen eingesetzt zu werden, machen sie zu einer idealen Wahl für Ingenieure und Anlagenbetreiber, die nach einer leistungsstarken und effizienten Steuerungskomponente suchen.










